LEMON Manuals: Even more car manuals for everyone: 1960-2025
Home >> Toyota >> 2010 >> FJ Cruiser 4WD, Part Time >> Repair and Diagnosis >> Body & Frame >> Windows >> Power Window Control (Diagnostics) >> Power Window Control System >> Symptom Tests >> Remote Up / Down Function does not Operate >> Wiring Diagram
April 5, 2026: LEMON Manuals is launched! Read the announcement.

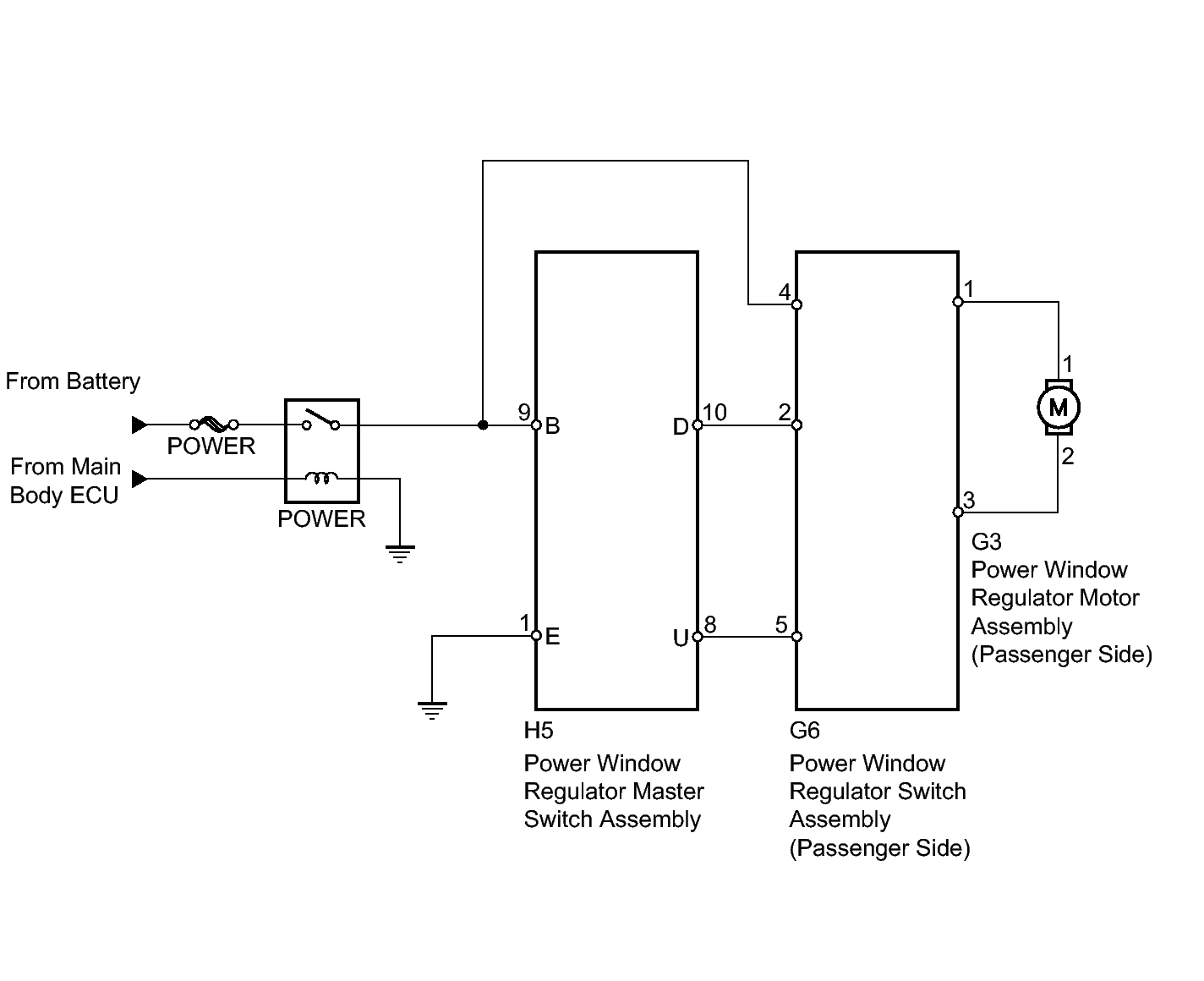
Remote Up / Down Function does not Operate: Wiring Diagram

Fig 1: Power Window Regulator Master Switch - Wiring Diagram
GTY186198Courtesy of © TOYOTA, LICENSE AGREEMENT TMS1002