LEMON Manuals: Even more car manuals for everyone: 1960-2025
Home >> Toyota >> 2010 >> FJ Cruiser 4WD, Part Time >> Repair and Diagnosis >> Engine Performance >> Engine Control Systems >> Engine Control System (Diagnostic Codes (P0010-P0339) >> SFI System >> DTC P0115: Engine Coolant Temperature Circuit; DTC P0117: Engine Coolant Temperature Circuit Low Input; DTC P0118: Engine Coolant Temperature Circuit High Input >> Wiring Diagram
April 5, 2026: LEMON Manuals is launched! Read the announcement.

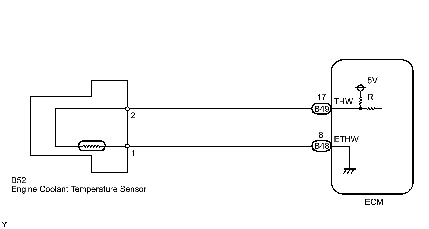
DTC P0115: Engine Coolant Temperature Circuit; DTC P0117: Engine Coolant Temperature Circuit Low Input; DTC P0118: Engine Coolant Temperature Circuit High Input: Wiring Diagram

Fig 1: Identifying Engine Coolant Temperature Sensor Wiring Diagram
GTY168391Courtesy of © TOYOTA, LICENSE AGREEMENT TMS1002