LEMON Manuals: Even more car manuals for everyone: 1960-2025
Home >> Toyota >> 2010 >> FJ Cruiser 4WD, Part Time >> Repair and Diagnosis >> Engine Performance >> Engine Control Systems >> Engine Control System (Diagnostic Codes (P1604-P2610) & Circuit Tests) >> SFI System >> Circuit Tests >> ECM Power Source Circuit >> Procedure
April 5, 2026: LEMON Manuals is launched! Read the announcement.

ECM Power Source Circuit: Procedure

  1. INSPECT ECM (+B VOLTAGE) 
    Fig 1: Identifying E78 & B49 ECM Connectors
    GTY186491Courtesy of © TOYOTA, LICENSE AGREEMENT TMS1002
    1. Turn the ignition switch to ON.
    2. Measure the voltage according to the value(s) in the table below.

      Standard Voltage

      Tester Connection Switch Condition Specified Condition
      E78-22 (+B) - B49-12 (E1) Ignition switch ON 11 to 14 V
      TEXT IN ILLUSTRATION

      *1 Component with harness connected
      (ECM)

    NG → See step   2 

    OK → See step   8 

  2. CHECK HARNESS AND CONNECTOR (ECM - BODY GROUND) 
    Fig 2: Identifying B49 ECM Connector
    GTY173997Courtesy of © TOYOTA, LICENSE AGREEMENT TMS1002
    1. Disconnect the ECM connector.
    2. Measure the resistance according to the value(s) in the table below.

      Standard Resistance (Check for Open)

      Tester Connection Condition Specified Condition
      B49-12 (E1) - Body ground Always Below 1 Ω
      TEXT IN ILLUSTRATION

      *1 Rear view of wire harness connector
      (to ECM)

    NG → REPAIR OR REPLACE HARNESS OR CONNECTOR 

    OK: Go to next step 

  3. INSPECT ECM (IGSW VOLTAGE) 
    Fig 3: Identifying (E77 & B49 IGSW Voltage) Connector Terminals
    GTY167623Courtesy of © TOYOTA, LICENSE AGREEMENT TMS1002
    1. Turn the ignition switch to ON.
    2. Measure the voltage according to the value(s) in the table below.

      Standard Voltage

      Tester Connection Switch Condition Specified Condition
      E77-21 (IGSW) - B49-12 (E1) Ignition switch ON 11 to 14 V
      TEXT IN ILLUSTRATION

      *1 Component with harness connected
      (ECM)

    NG → See step   7 

    OK: Go to next step 

  4. INSPECT ECM (MREL VOLTAGE) 
    Fig 4: Identifying E78 & B49 ECM (MREL Voltage) Connector Terminals
    GTY167617Courtesy of © TOYOTA, LICENSE AGREEMENT TMS1002
    1. Turn the ignition switch to ON.
    2. Measure the voltage according to the value(s) in the table below.

      Standard Voltage

      Tester Connection Switch Condition Specified Condition
      E78-9 (MREL) - B49-12 (E1) Ignition switch ON 11 to 14 V
      TEXT IN ILLUSTRATION

      *1 Component with harness connected
      (ECM)

    NG → See step   10 

    OK: Go to next step 

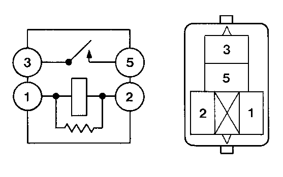
  5. INSPECT EFI RELAY 
    Fig 5: Identifying EFI Relay
    GTY170738Courtesy of © TOYOTA, LICENSE AGREEMENT TMS1002
    1. Remove the EFI relay from the engine room relay block.
    2. Measure the resistance according to the value(s) in the table below.

      Standard Resistance

      Tester Connection Condition Specified Condition
      3 - 5 Battery voltage not applied 10 kΩ or higher
      Battery voltage applied to terminals 1 and 2 Below 1 Ω

    NG → REPLACE EFI RELAY 

    OK: Go to next step 

  6. CHECK HARNESS AND CONNECTOR (EFI RELAY- ECM, EFI RELAY - BODY GROUND) 
    1. Remove the EFI relay from the engine room relay block.
    2. Disconnect the ECM connector.
    3. Measure the resistance according to the value(s) in the table below.

      Standard Resistance (Check for Open)

      Tester Connection Condition Specified Condition
      1 (EFI relay) - E78-9 (MREL) Always Below 1 Ω
      2 (EFI relay) - Body ground Always Below 1 Ω

      Standard Resistance (Check for Short)

      Tester Connection Condition Specified Condition
      1 (EFI relay) or E78-9 (MREL) - Body ground Always 10 kΩ or higher

    NG → REPAIR OR REPLACE HARNESS OR CONNECTOR 

    OK → CHECK AND REPAIR HARNESS OR CONNECTOR (TERMINAL +B OF ECM - BATTERY POSITIVE TERMINAL) 

  7. INSPECT IGNITION SWITCH ASSEMBLY 
    Fig 6: Measuring Resistance Of Ignition Switch Assembly With Ohmmeter
    GTY185402Courtesy of © TOYOTA, LICENSE AGREEMENT TMS1002
    1. Disconnect the ignition switch connector.
    2. Measure the resistance according to the value(s) in the table below.

      Standard Resistance

      Tester Connection Switch Condition Specified Condition
      All Terminals LOCK 10 kΩ or higher
      2-3 ACC Below 1 Ω
      2-3-4, 6-7 ON Below 1 Ω
      1-2-4, 6-7-8 START Below 1 Ω

    NG → See step   9 

    OK → CHECK AND REPLACE HARNESS OR CONNECTOR (BATTERY - IGNITION SWITCH, IGNITION SWITCH - ECM) 

  8. PROCEED TO NEXT SUSPECTED AREA SHOWN IN PROBLEM SYMPTOMS TABLE. Refer to PROBLEM SYMPTOMS TABLE 
  9. REPLACE IGNITION SWITCH ASSEMBLY. Refer to REMOVAL 
  10. REPLACE ECM. Refer to REMOVAL