LEMON Manuals: Even more car manuals for everyone: 1960-2025
Home >> Toyota >> 2010 >> FJ Cruiser 4WD, Part Time >> Repair and Diagnosis >> Engine Performance >> Engine Control Systems >> Engine Control System (Diagnostic Codes (P1604-P2610) & Circuit Tests) >> SFI System >> Circuit Tests >> Fuel Pump Control Circuit >> Procedure
April 5, 2026: LEMON Manuals is launched! Read the announcement.

Fuel Pump Control Circuit: Procedure

  1. PERFORM ACTIVE TEST USING TECHSTREAM (FUEL PUMP) 
    1. Connect the Techstream to the DLC3.
    2. Turn the ignition switch to ON and turn the Techstream on.
    3. Enter the following menus: Powertrain / Engine and ECT / Active Test / Control the Fuel Pump / Speed.
    4. Check whether operating sounds can be heard while operating the fuel pump using the Techstream.

      OK

      Operating sounds can be heard from fuel pump.

    NG → See step   2 

    OK → See step   14 

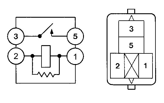
  2. INSPECT CIRCUIT OPENING RELAY (C/OPN) 
    Fig 1: Identifying Circuit Opening Relay (C/OPN)
    GTY187248Courtesy of © TOYOTA, LICENSE AGREEMENT TMS1002
    1. Remove the circuit opening relay (C/OPN) from the engine room relay block.
    2. Measure the resistance according to the value(s) in the table below.

      Standard Resistance

      Tester Connection Condition Specified Condition
      3 - 5 Battery voltage not applied 10 kΩ or higher
      Battery voltage applied to terminals 1 and 2 Below 1 Ω

    NG → REPLACE CIRCUIT OPENING RELAY (C/OPN) 

    OK: Go to next step 

  3. INSPECT CIRCUIT OPENING RELAY (POWER SOURCE VOLTAGE) 
    Fig 2: Identifying Circuit Opening Relay & Engine Room Relay Block
    GTY189680Courtesy of © TOYOTA, LICENSE AGREEMENT TMS1002
    1. Remove the circuit opening relay (C/OPN) from the engine room relay block.
    2. Turn the ignition switch to ON.
    3. Measure the voltage according to the value(s) in the table below.

      Standard Voltage

      Tester Connection Switch Condition Specified Condition
      1 (C/OPN relay) - Body ground Ignition switch ON 11 to 14 V
      5 (C/OPN relay) - Body ground Ignition switch ON 11 to 14 V
      TEXT IN ILLUSTRATION

      *1 Engine Room Relay Block
      *2 C/OPN

    NG → See step   10 

    OK: Go to next step 

  4. CHECK HARNESS AND CONNECTOR (CIRCUIT OPENING RELAY - ECM, FUEL PUMP CONTROL ECU) 
    1. Remove the circuit opening relay (C/OPN) from the engine room relay block.
    2. Disconnect the ECM connector.
    3. Disconnect the fuel pump control ECU connector.
    4. Measure the resistance according to the value(s) in the table below.

      Standard Resistance (Check for Open)

      Tester Connection Condition Specified Condition
      2 (C/OPN relay) - E77-8 (FC) Always Below 1 Ω
      3 (C/OPN relay) - O1-4 (+B) Always Below 1 Ω

      Standard Resistance (Check for Short)

      Tester Connection Condition Specified Condition
      2 (C/OPN relay) or E77-8 (FC) - Body ground Always 10 kΩ or higher
      3 (C/OPN relay) or O1-4 (+B) - Body ground Always 10 kΩ or higher

    NG → REPAIR OR REPLACE HARNESS OR CONNECTOR 

    OK: Go to next step 

  5. CHECK HARNESS AND CONNECTOR (FUEL PUMP - FUEL PUMP CONTROL ECU) 
    1. Disconnect the fuel pump connector.
    2. Disconnect the fuel pump control ECU connector.
    3. Measure the resistance according to the value(s) in the table below.

      Standard Resistance (Check for Open)

      Tester Connection Condition Specified Condition
      L5-4 - O2-1 (FP) Always Below 1 Ω
      L5-5 - O2-2 (FP-) Always Below 1 Ω

      Standard Resistance (Check for Short)

      Tester Connection Condition Specified Condition
      L5-4 or O2-1 (FP) - Body ground Always 10 kΩ or higher
      L5-5 or O2-2 (FP-) - Body ground Always 10 kΩ or higher

    NG → REPAIR OR REPLACE HARNESS OR CONNECTOR 

    OK: Go to next step 

  6. INSPECT FUEL PUMP 
    1. Inspect the fuel pump. Refer toINSPECTION .

    NG → See step   12 

    OK: Go to next step 

  7. CHECK HARNESS AND CONNECTOR (FUEL PUMP CONTROL ECU - ECM, BODY GROUND) 
    1. Disconnect the fuel pump control ECU connector.
    2. Disconnect the ECM connector.
    3. Measure the resistance according to the value(s) in the table below.

      Standard Resistance (Check for Open)

      Tester Connection Condition Specified Condition
      O1-1 (FPC) - E78-3 (FPC) Always Below 1 Ω
      O1-2 (DI) - E77-26 (DI) Always Below 1 Ω
      O1-3 (E) - Body ground Always Below 1 Ω

      Standard Resistance (Check for Short)

      Tester Connection Condition Specified Condition
      O1-1 (FPC) or E78-3 (FPC) - Body ground Always 10 kΩ or higher
      O1-2 (DI) or E77-26 (DI) - Body ground Always 10 kΩ or higher

    NG → REPAIR OR REPLACE HARNESS OR CONNECTOR 

    OK: Go to next step 

  8. REPLACE FUEL PUMP ECU 
    1. Replace the fuel pump ECU. Refer toREMOVAL .

    NEXT: Go to next step 

  9. CONFIRM WHETHER MALFUNCTION HAS BEEN SUCCESSFULLY REPAIRED 
    1. Check the fuel pump operation.

      OK

      Malfunction has been repaired successfully.

    NG → See step   13 

    OK → END 

  10. CHECK HARNESS AND CONNECTOR (CIRCUIT OPENING RELAY - EFI RELAY, IGNITION SWITCH) 
    1. Remove the circuit opening relay (C/OPN) from the engine room relay block.
    2. Remove the EFI relay (EFI) from the engine room relay block.
    3. Disconnect the ignition switch connector.
    4. Measure the resistance according to the value(s) in the table below.

      Standard Resistance (Check for Open)

      Tester Connection Condition Specified Condition
      5 (C/OPN relay) - 3 (EFI relay) Always Below 1 Ω
      1 (C/OPN relay) - A1-6 (IG2) Always Below 1 Ω

      Standard Resistance (Check for Short)

      Tester Connection Condition Specified Condition
      5 (C/OPN relay) or 3 (EFI relay) - Body ground Always 10 kΩ or higher
      1 (C/OPN relay) or A1-6 (IG2) - Body ground Always 10 kΩ or higher

    NG → REPAIR OR REPLACE HARNESS OR CONNECTOR 

    OK → See step   11 

  11. GO TO ECM POWER SOURCE CIRCUIT. Refer to ECM Power Source Circuit  
  12. REPLACE FUEL PUMP. Refer to REMOVAL 
  13. REPLACE ECM. Refer to REMOVAL 
  14. PROCEED TO NEXT SUSPECTED AREA SHOWN IN PROBLEM SYMPTOMS TABLE. Refer to CHECK FOR INTERMITTENT PROBLEMS