LEMON Manuals: Even more car manuals for everyone: 1960-2025
Home >> Toyota >> 2010 >> Land Cruiser >> Repair and Diagnosis (Single Page) >> Electrical >> Fuses & Circuit Breakers >> OEM Junction Block, Ecu & Fuse/Relay Locations >> Relay Block Identification >> Engine Room Relay Block Assembly And Engine Room Junction Block Assembly Inner Circuit
April 5, 2026: LEMON Manuals is launched! Read the announcement.

Engine Room Relay Block Assembly And Engine Room Junction Block Assembly Inner Circuit

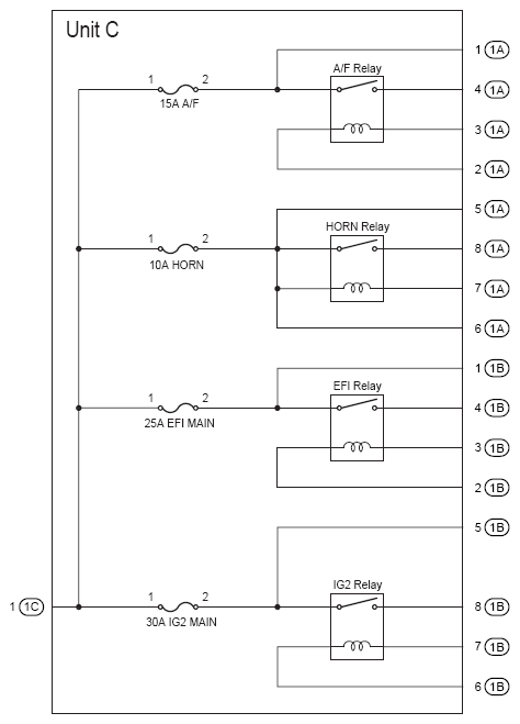
Fig 1: Engine Room Relay Block & Junction Block Assembly Inner Circuit Diagram (1 Of 2)
G07555549Courtesy of © TOYOTA, LICENSE AGREEMENT TMS1002
Fig 2: Engine Room Relay Block & Junction Block Assembly Inner Circuit Diagram (2 Of 2)
G07555550Courtesy of © TOYOTA, LICENSE AGREEMENT TMS1002
Engine Room R/B And J/B Inner Circuit Relay Identification

RELAY DESCRIPTION
A/F Relay
Horn Relay
EFI Relay
IG2 Relay