LEMON Manuals: Even more car manuals for everyone: 1960-2025
Home >> Toyota >> 2010 >> Matrix AWD L4-2.4L (2AZ-FE) >> Repair and Diagnosis >> Accessories and Optional Equipment >> Navigation System >> Testing and Inspection >> Component Tests and General Diagnostics >> Vehicle Speed Signal Circuit Between Navigation Receiver Assembly and Combination Meter
April 5, 2026: LEMON Manuals is launched! Read the announcement.

Vehicle Speed Signal Circuit Between Navigation Receiver Assembly and Combination Meter





NAVIGATION / MULTI INFO DISPLAY: NAVIGATION SYSTEM: Vehicle Speed Signal Circuit between Navigation Receiver Assembly and Combination Meter
- Vehicle Speed Signal Circuit between Navigation Receiver Assembly and Combination Meter

DESCRIPTION

Navigation function:

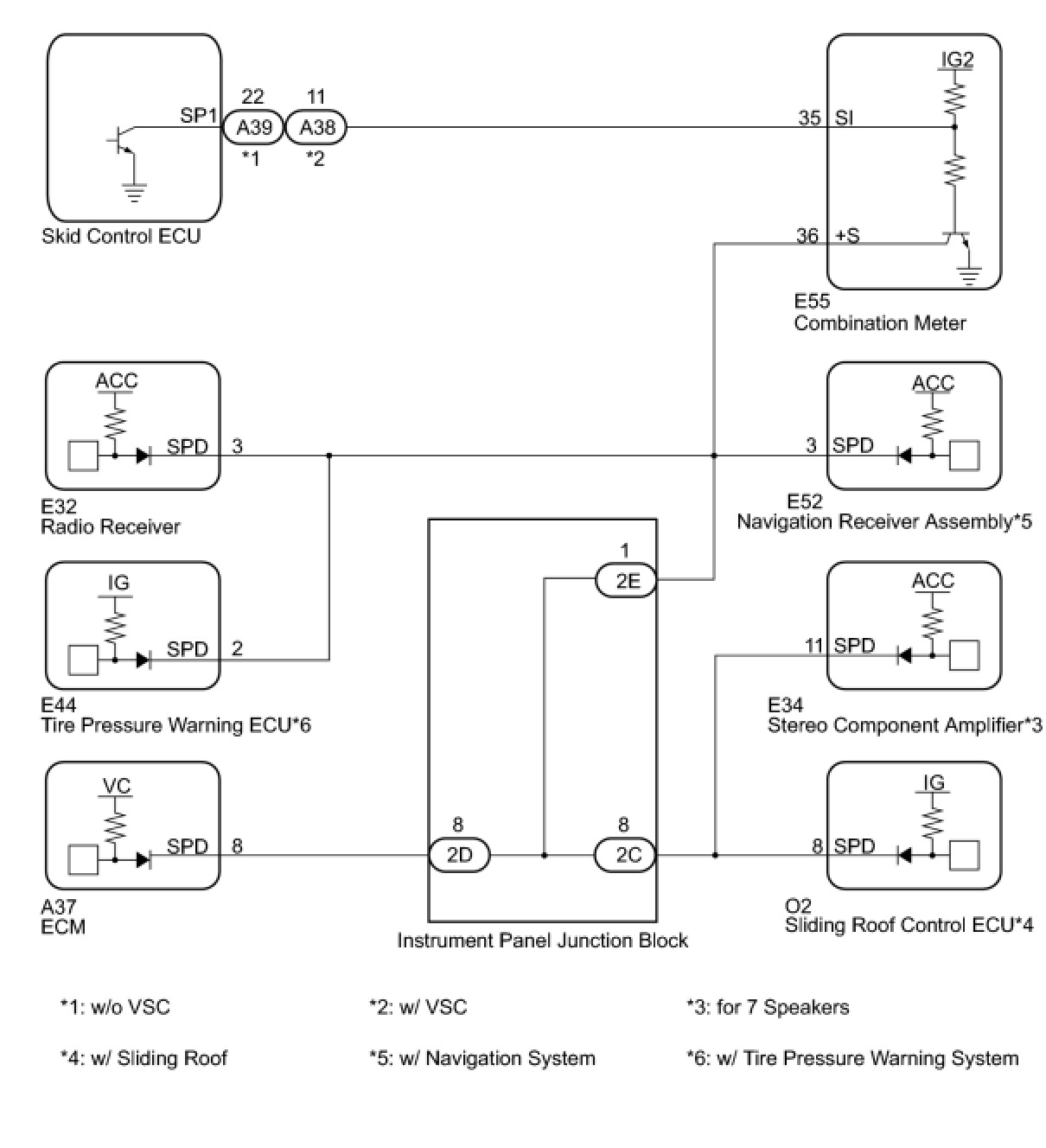
The navigation receiver assembly receives a vehicle speed signal from the combination meter and information about the GPS antenna, and then adjusts vehicle position.

ASL function:

The circuit is necessary for the ASL (Automatic Sound Levelizer) built into the radio receiver. Speed signals are received from the combination meter and used for the ASL. The ASL function automatically adjusts the sound volume in order to maintain clear audio sound even when vehicle noise increases (as vehicle noise increases, the volume is turned up etc.).

HINT
* A voltage of 12 V or 5 V is output from each ECU and then input to the combination meter. The signal is changed to a pulse signal at the transistor in the combination meter. Each ECU controls the respective system based on the pulse signal.
* If a short occurs in any of the ECUs or in the wire harness connected to an ECU, all systems in the diagram will not operate normally.

WIRING DIAGRAM

1. for 2AZ-FE:





2. for 2ZR-FE:





INSPECTION PROCEDURE

PROCEDURE

1. INSPECT COMBINATION METER (OUTPUT WAVEFORM)

(a) Check the output waveform.





(1) Remove the combination meter assembly with the connector still connected.

(2) Connect an oscilloscope to terminal E55-36 (+S) and body ground.

(3) Turn the ignition switch to ON.

(4) Turn the wheel slowly.

(5) Check the signal waveform according to the condition(s) in the table below.





OK:

The waveform is displayed as shown in the illustration.

HINT
When the system is functioning normally, one wheel revolution generates 4 pulses. As the vehicle speed increases, the width indicated by (A) in the illustration narrows.

NG -- GO TO METER / GAUGE SYSTEM Speed Signal Circuit
OK -- Continue to next step.

2. CHECK HARNESS AND CONNECTOR (NAVIGATION RECEIVER ASSEMBLY - COMBINATION METER)

(a) Disconnect the navigation receiver assembly connector and combination meter connector.





(b) Measure the resistance according to the value(s) in the table below.

Standard Resistance:





NG -- REPAIR OR REPLACE HARNESS OR CONNECTOR

OK -- REPLACE NAVIGATION RECEIVER ASSEMBLY Removal