LEMON Manuals: Even more car manuals for everyone: 1960-2025
Home >> Toyota >> 2010 >> Matrix AWD L4-2.4L (2AZ-FE) >> Repair and Diagnosis >> Diagrams >> Electrical Diagrams >> Radio, Stereo, and Compact Disc >> Audio System [Built-In Type Amplifier], Navigation System
April 5, 2026: LEMON Manuals is launched! Read the announcement.

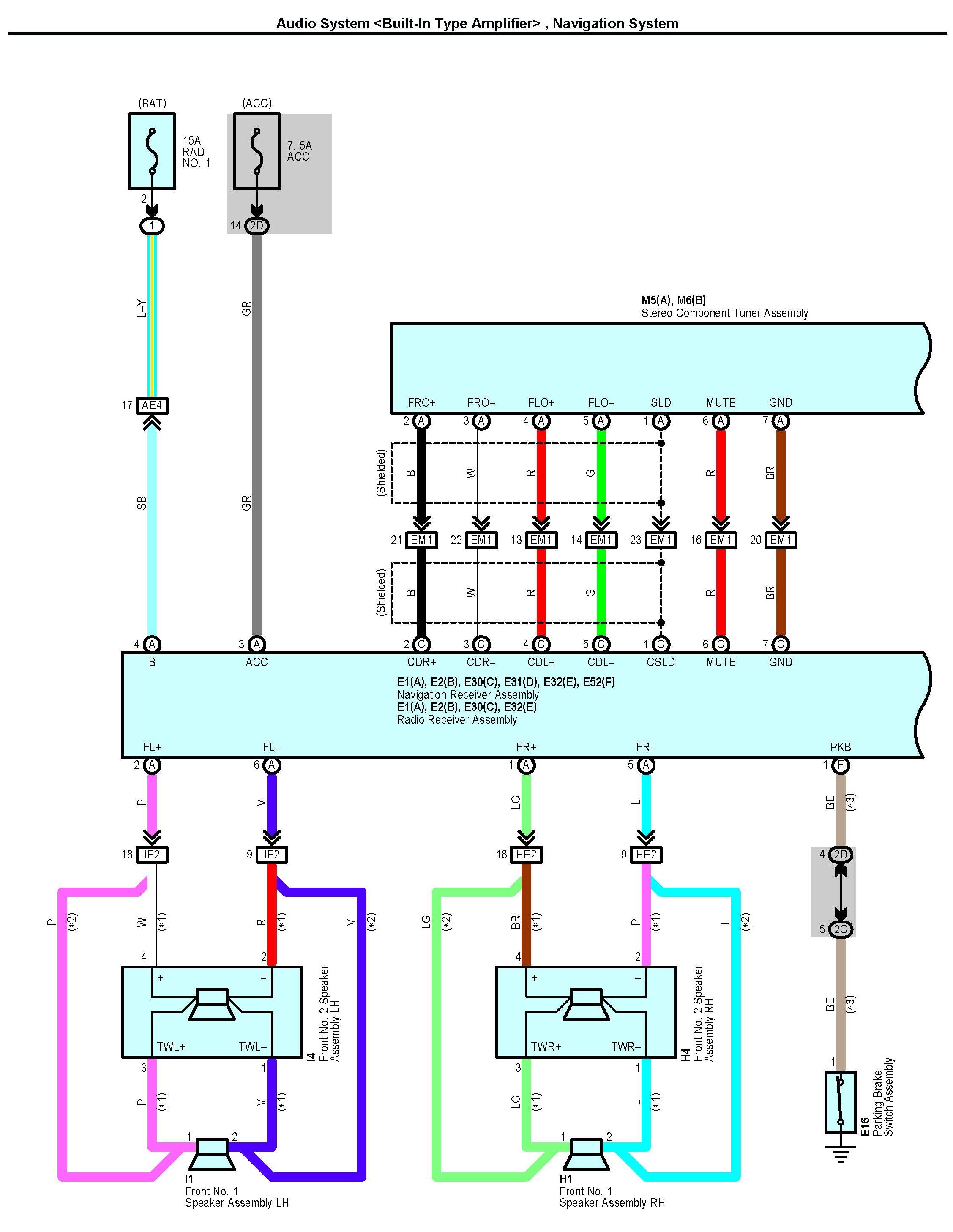
Audio System [Built-In Type Amplifier], Navigation System

Audio System [Built-In Type Amplifier], Navigation System Part 1:




Audio System [Built-In Type Amplifier], Navigation System Part 2:




Audio System [Built-In Type Amplifier], Navigation System Part 3:




Audio System [Built-In Type Amplifier], Navigation System Part 4:




Connectors Part 1:




Connectors Part 2:




Connectors Part 3:




Connectors Part 4:






Locations: The locations of components, connectors, ground points, and splices referred to within these diagrams can be found at Vehicle Locations. Locations