LEMON Manuals: Even more car manuals for everyone: 1960-2025
Home >> Toyota >> 2010 >> Matrix Base, Automatic >> Repair and Diagnosis (Single Page) >> Accessories & Equipment >> Infotainment >> Navigation (Diagnostic Codes & Symptom Tests) >> Navigation System >> Circuit Test >> Steering Pad Switch Circuit >> Wiring Diagram
April 5, 2026: LEMON Manuals is launched! Read the announcement.

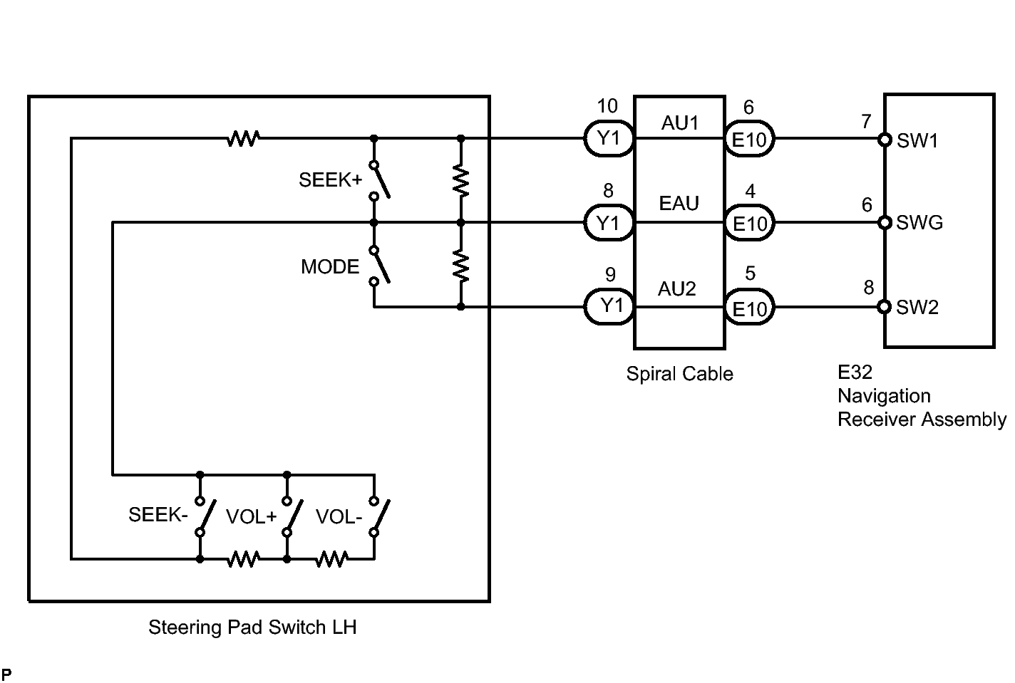
Steering Pad Switch Circuit: Wiring Diagram

Fig 1: Steering Pad Switch Circuit - Wiring Diagram
GTY246520Courtesy of © TOYOTA, LICENSE AGREEMENT TMS1002