LEMON Manuals: Even more car manuals for everyone: 1960-2025
Home >> Toyota >> 2010 >> Matrix Base, Automatic >> Repair and Diagnosis (Single Page) >> Electrical >> Fuses & Circuit Breakers >> OEM Junction Block, Ecu & Fuse/Relay Locations >> Relay Block Identification >> Engine Room Relay Block Assembly And Engine Room Junction Block Assembly Inner Circuit
April 5, 2026: LEMON Manuals is launched! Read the announcement.

Engine Room Relay Block Assembly And Engine Room Junction Block Assembly Inner Circuit

Fig 1: Engine Room R/B & J/B Assembly Inner Circuit Diagram (Unit A)
G07571317Courtesy of © TOYOTA, LICENSE AGREEMENT TMS1002


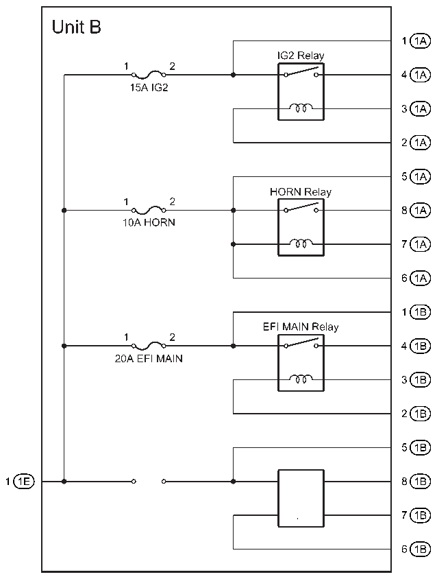
Fig 1: Engine Room R/B & J/B Assembly Inner Circuit Diagram (Unit B) With Relays
G07571319Courtesy of © TOYOTA, LICENSE AGREEMENT TMS1002
Engine Room R/B And J/B Inner Circuit Relay Identification (Unit B)

RELAY DESCRIPTION
IG2 Relay
Horn Relay
EFI Main Relay