LEMON Manuals: Even more car manuals for everyone: 1960-2025
Home >> Toyota >> 2010 >> Matrix Base, Automatic >> Repair and Diagnosis (Single Page) >> Engine Mechanical >> Auxiliary Emission Control Systems >> Emission Control System (2ZR-FE) (Inspection) >> Emission Control System >> System Diagram >> System Diagram
April 5, 2026: LEMON Manuals is launched! Read the announcement.

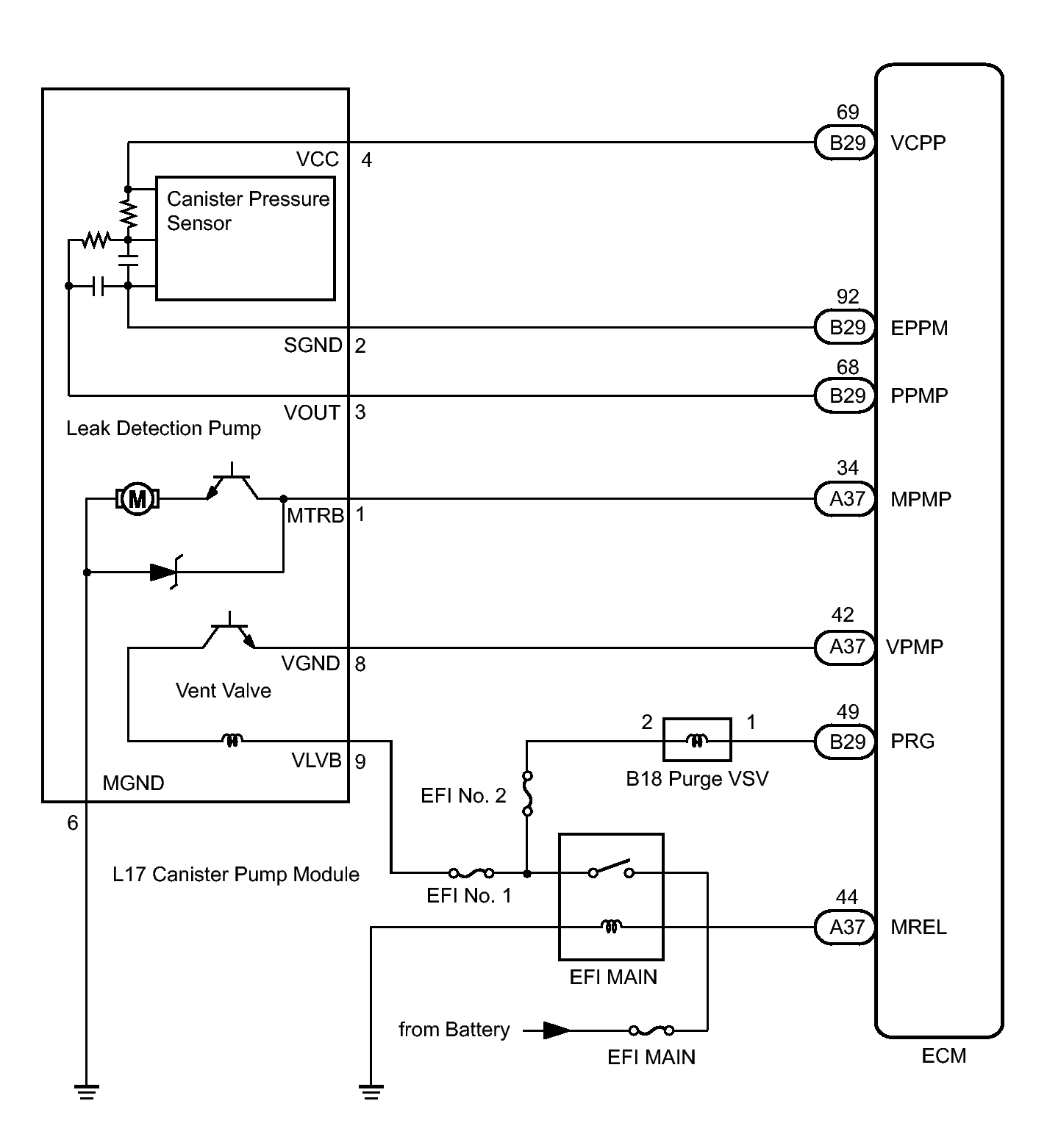
System Diagram

Fig 1: Emission Control System Wiring Diagram (1 Of 2)
GTY220323Courtesy of © TOYOTA, LICENSE AGREEMENT TMS1002
Fig 2: Emission Control System Wiring Diagram (2 Of 2)
GTY222815Courtesy of © TOYOTA, LICENSE AGREEMENT TMS1002