LEMON Manuals: Even more car manuals for everyone: 1960-2025
Home >> Toyota >> 2010 >> Matrix Base, Automatic >> Repair and Diagnosis (Single Page) >> Engine Performance >> System >> Engine Control (SFI) System (2ZR-FE) (Diagnostic Codes (P0010-P043E)) >> SFI System >> DTC P0115: Engine Coolant Temperature Circuit Malfunction; DTC P0117: Engine Coolant Temperature Circuit Low Input; DTC P0118: Engine Coolant Temperature Circuit High Input >> Wiring Diagram
April 5, 2026: LEMON Manuals is launched! Read the announcement.

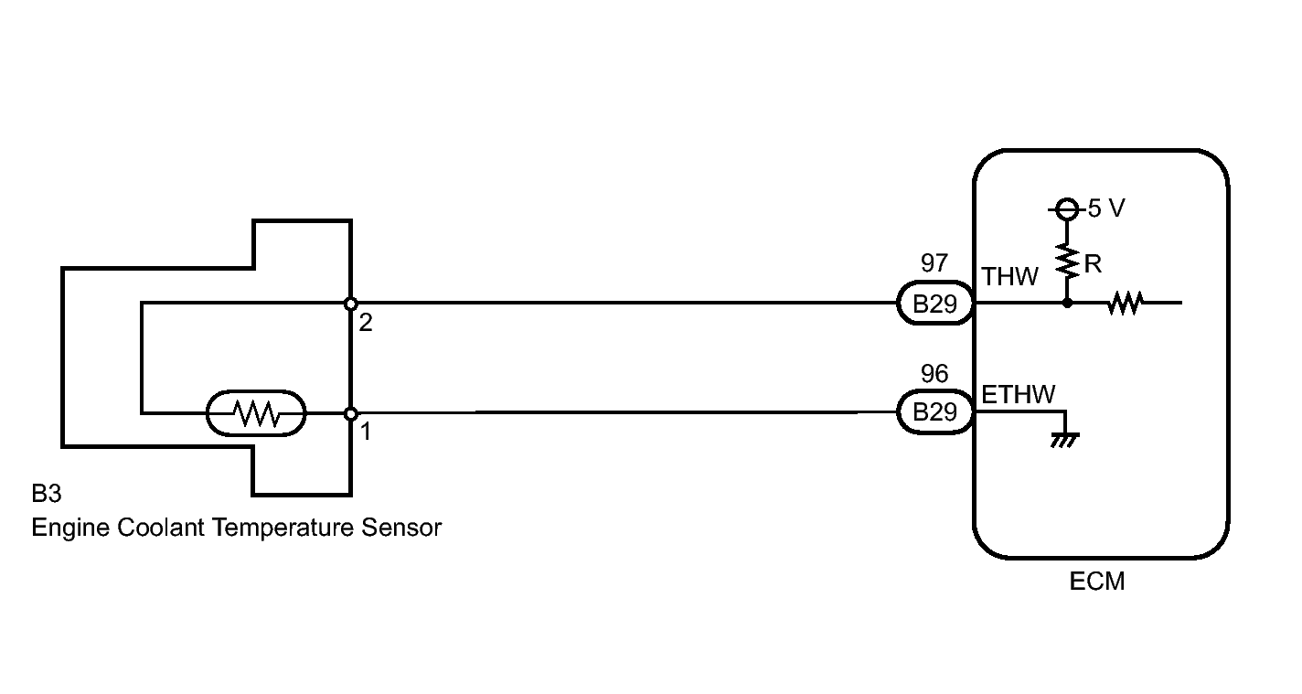
DTC P0115: Engine Coolant Temperature Circuit Malfunction; DTC P0117: Engine Coolant Temperature Circuit Low Input; DTC P0118: Engine Coolant Temperature Circuit High Input: Wiring Diagram

Fig 1: View Of Engine Coolant Temperature Circuit Malfunction Wiring Diagram
GTY237693Courtesy of © TOYOTA, LICENSE AGREEMENT TMS1002