LEMON Manuals: Even more car manuals for everyone: 1960-2025
Home >> Toyota >> 2010 >> Matrix Base, Automatic >> Repair and Diagnosis >> Electrical >> Body Electrical >> OEM System Circuits >> ABS (w/ VSC), TRAC and VSC >> Notes
April 5, 2026: LEMON Manuals is launched! Read the announcement.

ABS (w/ VSC), TRAC and VSC: Notes

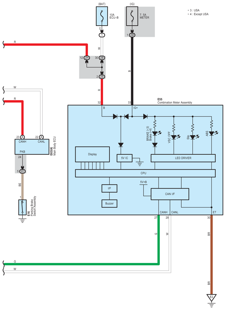
Fig 1: ABS (W/ VSC), TRAC And VSC - Circuit Diagram (1 Of 5)
G07571449Courtesy of © TOYOTA, LICENSE AGREEMENT TMS1002
Fig 2: ABS (W/ VSC), TRAC And VSC - Circuit Diagram (2 Of 5)
G07571450Courtesy of © TOYOTA, LICENSE AGREEMENT TMS1002
Fig 3: ABS (W/ VSC), TRAC And VSC - Circuit Diagram (3 Of 5)
G07571451Courtesy of © TOYOTA, LICENSE AGREEMENT TMS1002
Fig 4: ABS (W/ VSC), TRAC And VSC - Circuit Diagram (4 Of 5)
G07571452Courtesy of © TOYOTA, LICENSE AGREEMENT TMS1002
Fig 5: ABS (W/ VSC), TRAC And VSC - Circuit Diagram (5 Of 5)
G07571453Courtesy of © TOYOTA, LICENSE AGREEMENT TMS1002