LEMON Manuals: Even more car manuals for everyone: 1960-2025
Home >> Toyota >> 2010 >> Matrix Base, Automatic >> Repair and Diagnosis >> Electrical >> Body Electrical >> OEM System Circuits >> Electronically Controlled Transmission and A/T Indicator (2AZ-FE) >> Notes
April 5, 2026: LEMON Manuals is launched! Read the announcement.

Electronically Controlled Transmission and A/T Indicator (2AZ-FE): Notes

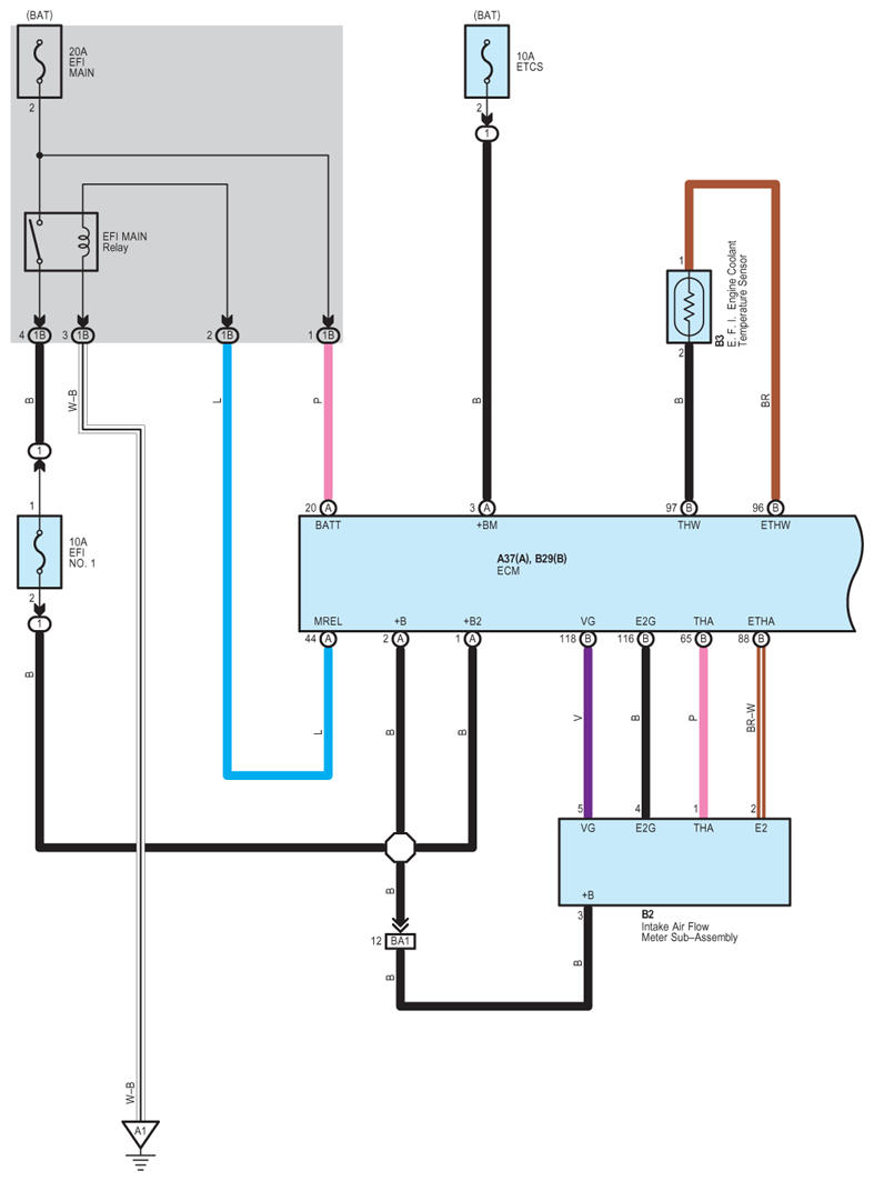
Fig 1: Electronically Controlled Transmission And A/T Indicator (2AZ-FE) - Circuit Diagram (1 Of 6)
G07571424Courtesy of © TOYOTA, LICENSE AGREEMENT TMS1002
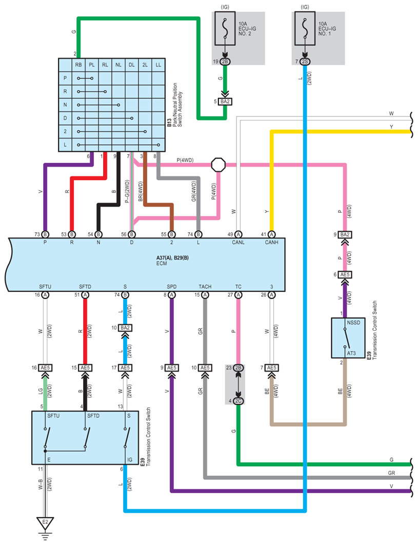
Fig 2: Electronically Controlled Transmission And A/T Indicator (2AZ-FE) - Circuit Diagram (2 Of 6)
G07571425Courtesy of © TOYOTA, LICENSE AGREEMENT TMS1002
Fig 3: Electronically Controlled Transmission And A/T Indicator (2AZ-FE) - Circuit Diagram (3 Of 6)
G07571426Courtesy of © TOYOTA, LICENSE AGREEMENT TMS1002
Fig 4: Electronically Controlled Transmission And A/T Indicator (2AZ-FE) - Circuit Diagram (4 Of 6)
G07571427Courtesy of © TOYOTA, LICENSE AGREEMENT TMS1002
Fig 5: Electronically Controlled Transmission And A/T Indicator (2AZ-FE) - Circuit Diagram (5 Of 6)
G07571428Courtesy of © TOYOTA, LICENSE AGREEMENT TMS1002
Fig 6: Electronically Controlled Transmission And A/T Indicator (2AZ-FE) - Circuit Diagram (6 Of 6)
G07571429Courtesy of © TOYOTA, LICENSE AGREEMENT TMS1002