LEMON Manuals: Even more car manuals for everyone: 1960-2025
Home >> Toyota >> 2010 >> Matrix Base, Standard >> Repair and Diagnosis (Single Page) >> Steering >> Manual Steering >> Steering System (Diagnostics & Circuit Tests) >> Power Steering System >> Circuit Tests >> EPS Warning Light Circuit >> Wiring Diagram
April 5, 2026: LEMON Manuals is launched! Read the announcement.

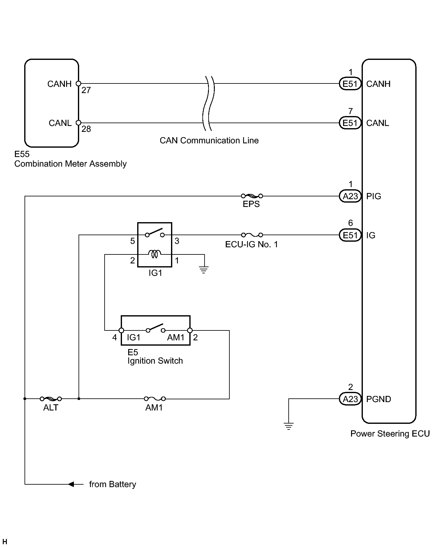
EPS Warning Light Circuit: Wiring Diagram

Fig 1: EPS Warning Light Circuit Wiring Diagram
GTY223469Courtesy of © TOYOTA, LICENSE AGREEMENT TMS1002