LEMON Manuals: Even more car manuals for everyone: 1960-2025
Home >> Toyota >> 2010 >> Matrix Base, Standard >> Repair and Diagnosis >> Electrical >> Body Electrical >> OEM System Circuits >> ABS (w/o VSC) >> Notes
April 5, 2026: LEMON Manuals is launched! Read the announcement.

ABS (w/o VSC): Notes

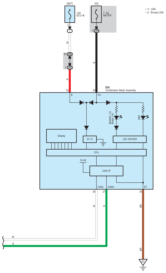
Fig 1: ABS (W/O VSC) - Circuit Diagram (1 Of 5)
G07571454Courtesy of © TOYOTA, LICENSE AGREEMENT TMS1002
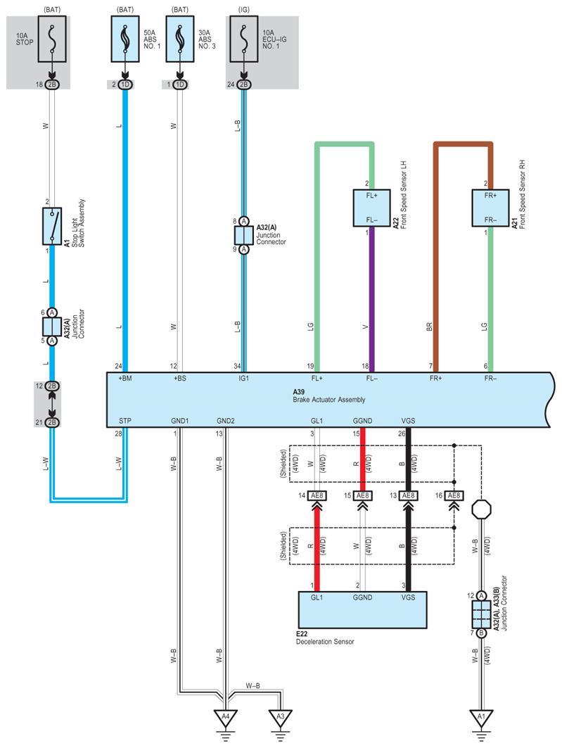
Fig 2: ABS (W/O VSC) - Circuit Diagram (2 Of 5)
G07571455Courtesy of © TOYOTA, LICENSE AGREEMENT TMS1002
Fig 3: ABS (W/O VSC) - Circuit Diagram (3 Of 5)
G07571456Courtesy of © TOYOTA, LICENSE AGREEMENT TMS1002
Fig 4: ABS (W/O VSC) - Circuit Diagram (4 Of 5)
G07571457Courtesy of © TOYOTA, LICENSE AGREEMENT TMS1002
Fig 5: ABS (W/O VSC) - Circuit Diagram (5 Of 5)
G07571458Courtesy of © TOYOTA, LICENSE AGREEMENT TMS1002