LEMON Manuals: Even more car manuals for everyone: 1960-2025
Home >> Toyota >> 2010 >> Matrix Base, Standard >> Repair and Diagnosis >> Electrical >> Body Electrical >> OEM System Circuits >> Air Conditioning >> Notes
April 5, 2026: LEMON Manuals is launched! Read the announcement.

Air Conditioning: Notes

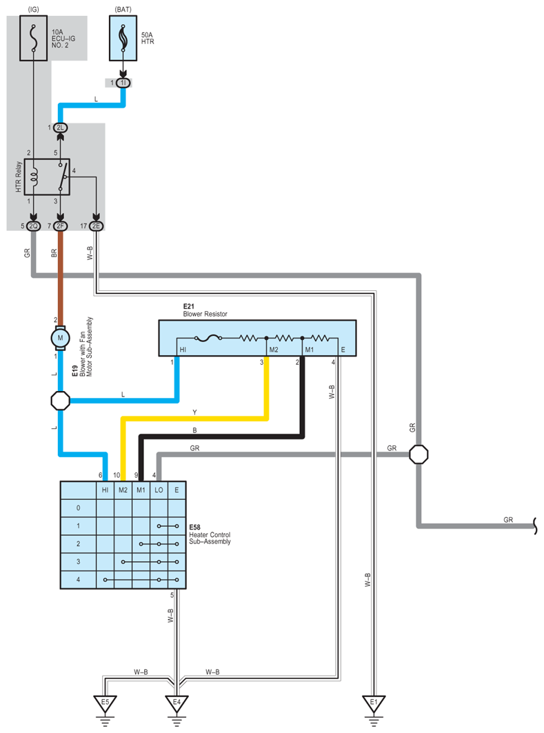
Fig 1: Air Conditioning - Circuit Diagram (1 Of 6)
G07571518Courtesy of © TOYOTA, LICENSE AGREEMENT TMS1002
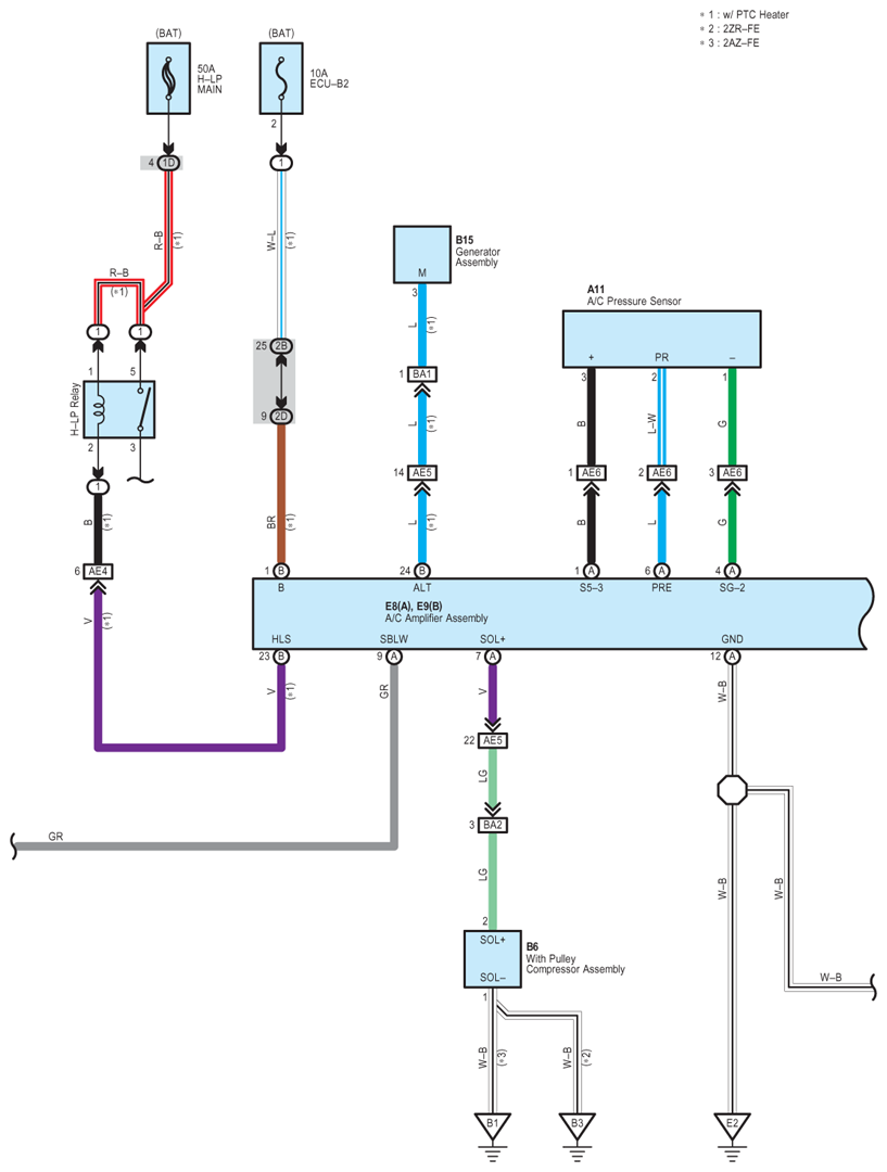
Fig 2: Air Conditioning - Circuit Diagram (2 Of 6)
G07571519Courtesy of © TOYOTA, LICENSE AGREEMENT TMS1002
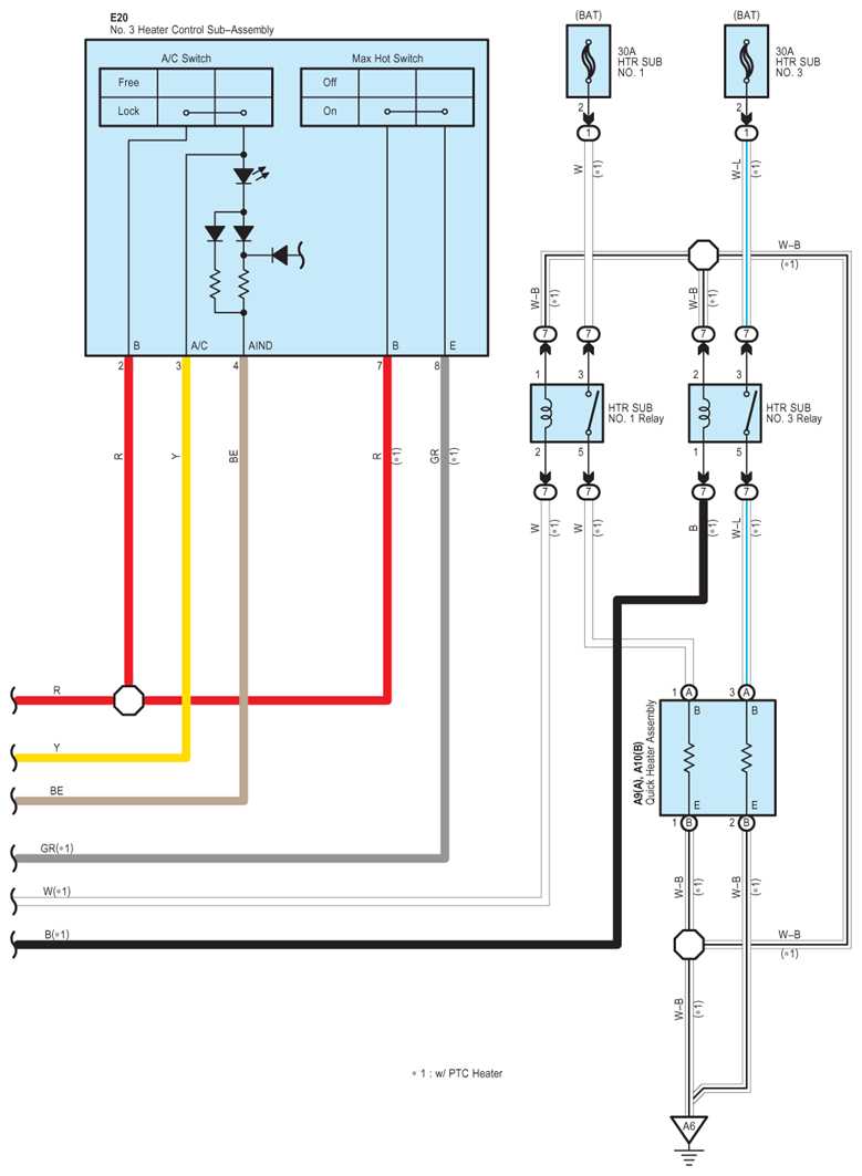
Fig 3: Air Conditioning - Circuit Diagram (3 Of 6)
G07571520Courtesy of © TOYOTA, LICENSE AGREEMENT TMS1002
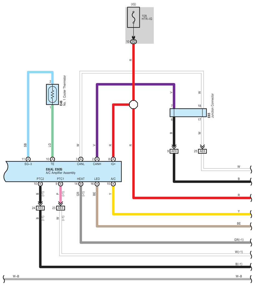
Fig 4: Air Conditioning - Circuit Diagram (4 Of 6)
G07571521Courtesy of © TOYOTA, LICENSE AGREEMENT TMS1002
Fig 5: Air Conditioning - Circuit Diagram (5 Of 6)
G07571522Courtesy of © TOYOTA, LICENSE AGREEMENT TMS1002
Fig 6: Air Conditioning - Circuit Diagram (6 Of 6)
G07571523Courtesy of © TOYOTA, LICENSE AGREEMENT TMS1002