LEMON Manuals: Even more car manuals for everyone: 1960-2025
Home >> Toyota >> 2010 >> Matrix Base, Standard >> Repair and Diagnosis >> Electrical >> Body Electrical >> OEM System Circuits >> Cooling Fan (2ZR-FE) >> Notes
April 5, 2026: LEMON Manuals is launched! Read the announcement.

Cooling Fan (2ZR-FE): Notes

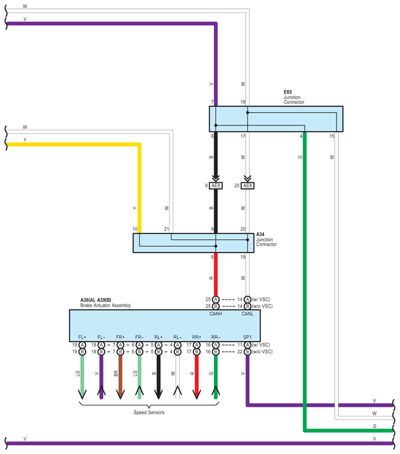
Fig 1: Cooling Fan (2ZR-FE) - Circuit Diagram (1 Of 4)
G07571514Courtesy of © TOYOTA, LICENSE AGREEMENT TMS1002
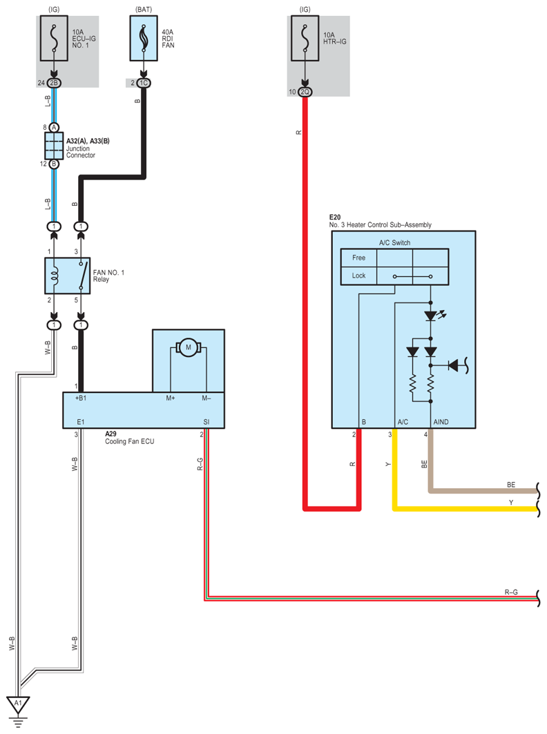
Fig 2: Cooling Fan (2ZR-FE) - Circuit Diagram (2 Of 4)
G07571515Courtesy of © TOYOTA, LICENSE AGREEMENT TMS1002
Fig 3: Cooling Fan (2ZR-FE) - Circuit Diagram (3 Of 4)
G07571516Courtesy of © TOYOTA, LICENSE AGREEMENT TMS1002
Fig 4: Cooling Fan (2ZR-FE) - Circuit Diagram (4 Of 4)
G07571517Courtesy of © TOYOTA, LICENSE AGREEMENT TMS1002