LEMON Manuals: Even more car manuals for everyone: 1960-2025
Home >> Toyota >> 2010 >> Matrix Base, Standard >> Repair and Diagnosis >> Electrical >> Body Electrical >> OEM System Circuits >> Mirror Heater and Rear Window Defogger >> Notes
April 5, 2026: LEMON Manuals is launched! Read the announcement.

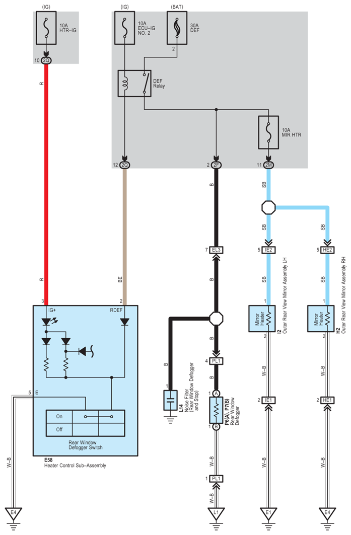
Mirror Heater and Rear Window Defogger: Notes

Fig 1: Mirror Heater And Rear Window Defogger - Circuit Diagram
G07571487Courtesy of © TOYOTA, LICENSE AGREEMENT TMS1002