LEMON Manuals: Even more car manuals for everyone: 1960-2025
Home >> Toyota >> 2010 >> Matrix FWD L4-1.8L (2ZR-FE) >> Repair and Diagnosis >> Powertrain Management >> Computers and Control Systems >> Testing and Inspection >> Component Tests and General Diagnostics >> Fuel Pump Control Circuit
April 5, 2026: LEMON Manuals is launched! Read the announcement.

Fuel Pump Control Circuit





2ZR-FE ENGINE CONTROL: SFI SYSTEM: Fuel Pump Control Circuit
- Fuel Pump Control Circuit

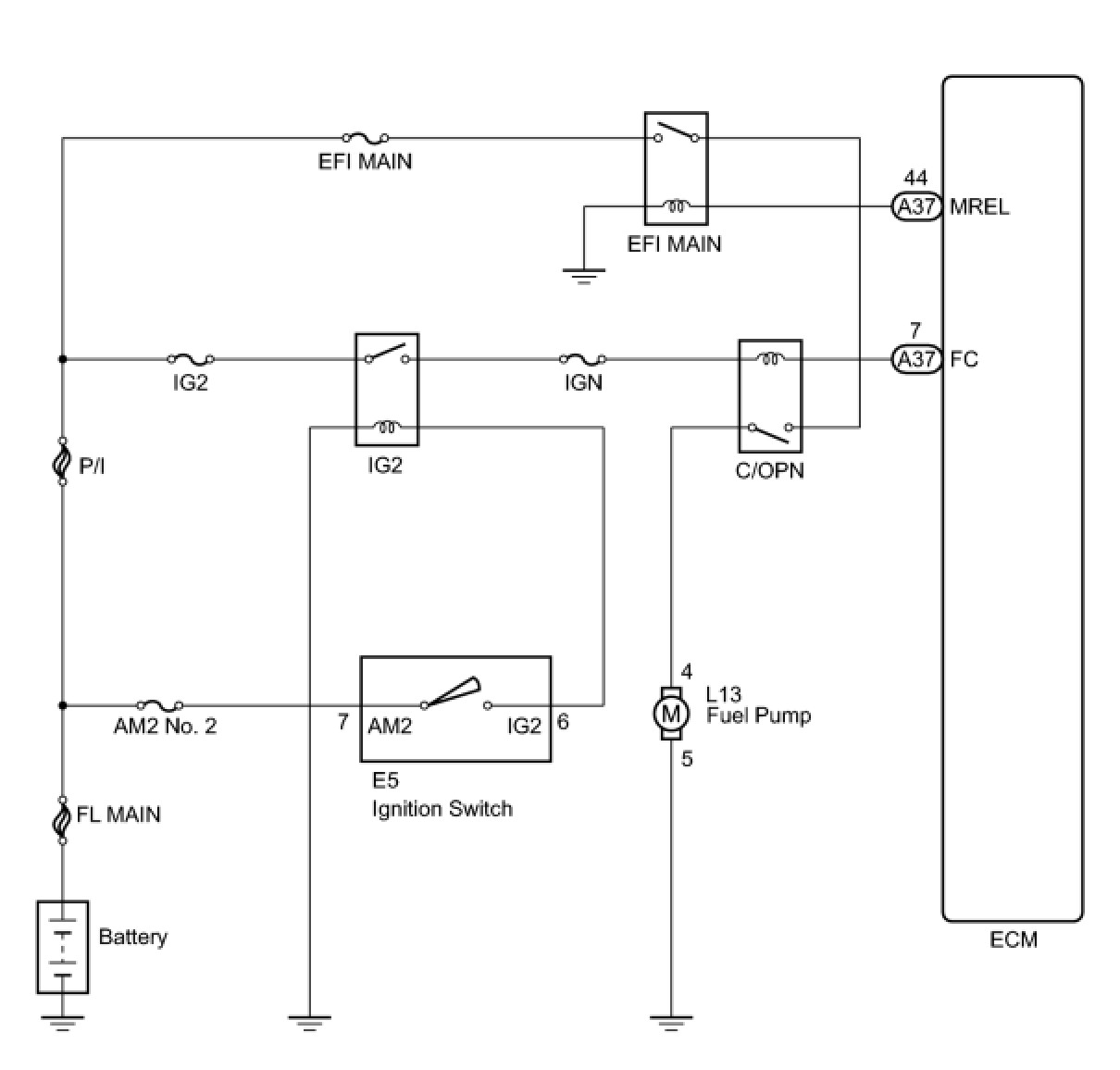
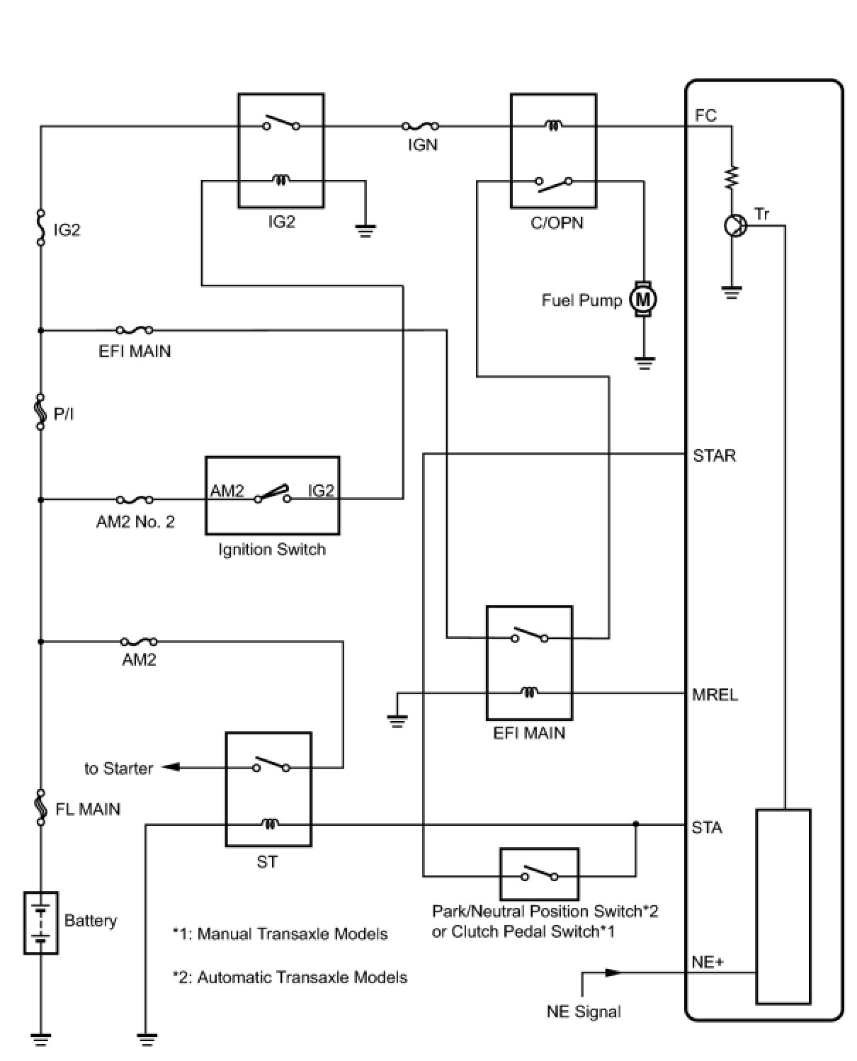
DESCRIPTION

In the diagram below, when the engine is cranked, current flows from terminal ST1 (STR) of the ignition switch (power source control ECU) to the starter relay coil and current also flows to terminal STA of the ECM (STA signal).

When the STA signal and NE signal are input to the ECM, Tr is turned on, current flows to the coil of the circuit opening relay, the relay switches on, power is supplied to the fuel pump and the fuel pump operates.

While the NE signal is generated (engine running), the ECM keeps Tr on (circuit opening relay on) and the fuel pump also keeps operating.





WIRING DIAGRAM





INSPECTION PROCEDURE

PROCEDURE

1. PERFORM ACTIVE TEST USING TECHSTREAM (OPERATE C/OPN RELAY)

(a) Connect the Techstream to the DLC3.

(b) Turn the ignition to switch to ON.

(c) Turn the Techstream on.

(d) Enter the following menus: Powertrain / Engine and ECT / Active Test / Control the Fuel Pump / Speed.

(e) Check whether the fuel pump operation sound occurs when performing the Active Test on the tester.

OK:

Fuel pump operating sound occurs.

NG -- INSPECT FUSE (IGN FUSE)

OK -- PROCEED TO NEXT CIRCUIT INSPECTION SHOWN IN PROBLEM SYMPTOMS TABLE Symptom Related Diagnostic Procedures

2. INSPECT FUSE (IGN FUSE)

(a) Remove the IGN fuse from the driver side junction block.





(b) Measure the resistance according to the value(s) in the table below.

Standard Resistance:





(c) Reinstall the IGN fuse.

NG -- CHECK FOR SHORTS IN ALL HARNESSES AND CONNECTORS CONNECTED TO FUSE AND REPLACE FUSE
OK -- Continue to next step.

3. INSPECT DRIVER SIDE JUNCTION BLOCK (C/OPN RELAY)

(a) Disconnect the driver side junction block connector.





(b) Measure the resistance according to the value(s) in the table below.

Standard Resistance:





(c) Reconnect the driver side junction block connector.

NG -- REPLACE DRIVER SIDE JUNCTION BLOCK (C/OPN RELAY)
OK -- Continue to next step.

4. CHECK HARNESS AND CONNECTOR (C/OPN RELAY - ECM)

(a) Disconnect the ECM connector.





(b) Disconnect the driver side junction block connector.

(c) Measure the resistance according to the value(s) in the table below.

Standard Resistance (Check for Open):





Standard Resistance (Check for Short):





(d) Reconnect the ECM connector.

(e) Reconnect the driver side junction block connector.

NG -- REPAIR OR REPLACE HARNESS OR CONNECTOR (C/OPN RELAY - ECM)
OK -- Continue to next step.

5. CHECK HARNESS AND CONNECTOR (C/OPN RELAY - INTEGRATION RELAY (EFI MAIN RELAY))

(a) Remove the integration relay from engine room junction block.





(b) Disconnect the integration relay connector.

(c) Disconnect the driver side junction block connector.

(d) Measure the resistance according to the value(s) in the table below.

Standard Resistance (Check for Open):





Standard Resistance (Check for Short):





(e) Reconnect the driver side junction block connector.

(f) Reconnect the integration relay connector.

(g) Reinstall the integration relay.

NG -- REPAIR OR REPLACE HARNESS OR CONNECTOR (C/OPN RELAY - INTEGRATION RELAY (EFI MAIN RELAY))
OK -- Continue to next step.

6. CHECK HARNESS AND CONNECTOR (C/OPN RELAY - FUEL PUMP)

(a) Disconnect the fuel pump connector.





(b) Disconnect the driver side junction block connector.

(c) Measure the resistance according to the value(s) in the table below.

Standard Resistance (Check for Open):





Standard Resistance (Check for Short):





(d) Reconnect the fuel pump connector.

(e) Reconnect the driver side junction block connector.

NG -- REPAIR OR REPLACE HARNESS OR CONNECTOR (C/OPN RELAY - FUEL PUMP)
OK -- Continue to next step.

7. CHECK HARNESS AND CONNECTOR (FUEL PUMP - BODY GROUND)

(a) Disconnect the fuel pump connector.





(b) Measure the resistance according to the value(s) in the table below.

Standard Resistance:





(c) Reconnect the fuel pump connector.

NG -- REPAIR OR REPLACE HARNESS OR CONNECTOR (FUEL PUMP - BODY GROUND)
OK -- Continue to next step.

8. INSPECT FUEL PUMP ASSEMBLY

(a) Inspect the fuel pump assembly Fuel Pump.

NG -- REPLACE FUEL PUMP ASSEMBLY Removal
OK -- Continue to next step.

9. CHECK ECM POWER SOURCE CIRCUIT

(a) Check the ECM power source circuit .

NG -- REPAIR OR REPLACE ECM POWER SOURCE CIRCUIT

OK -- REPLACE ECM Removal