LEMON Manuals: Even more car manuals for everyone: 1960-2025
Home >> Toyota >> 2010 >> Prius Base >> Repair and Diagnosis (Single Page) >> Electrical >> Body Electrical >> OEM System Circuits (Except PHV) >> Audio System (w/ Stereo Component Amplifier Except Korea), Navigation System (Except Korea) and Parking Assist (Rear View Monitor) (w/ Navigation System) >> Notes
April 5, 2026: LEMON Manuals is launched! Read the announcement.

Audio System (w/ Stereo Component Amplifier Except Korea), Navigation System (Except Korea) and Parking Assist (Rear View Monitor) (w/ Navigation System): Notes

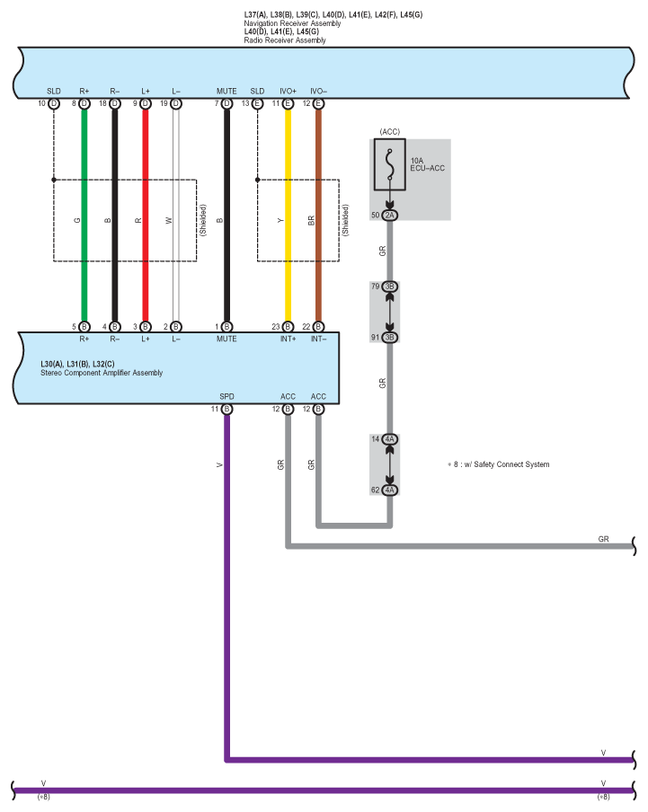
Fig 1: Audio System, Navigation System And Parking Assist - Rear View Monitor (W/ Navigation System) - Circuit Diagram (1 Of 15)
G07570852Courtesy of © TOYOTA, LICENSE AGREEMENT TMS1002
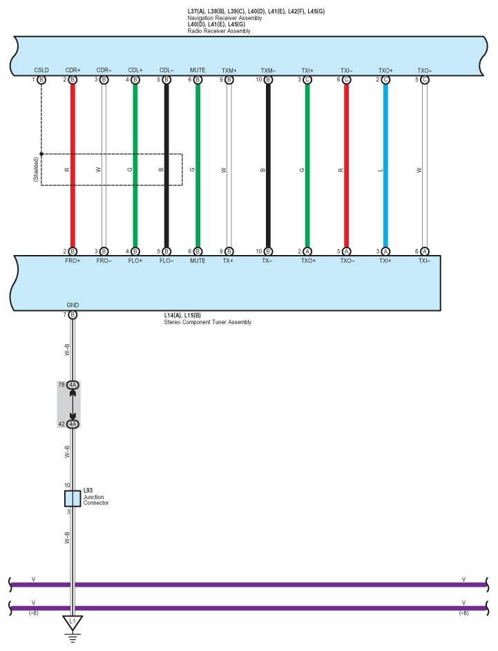
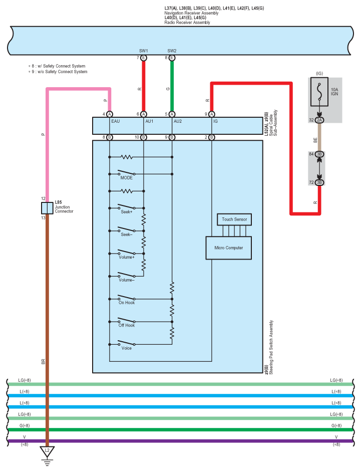
Fig 2: Audio System, Navigation System And Parking Assist - Rear View Monitor (W/ Navigation System) - Circuit Diagram (2 Of 15)
G07570853Courtesy of © TOYOTA, LICENSE AGREEMENT TMS1002
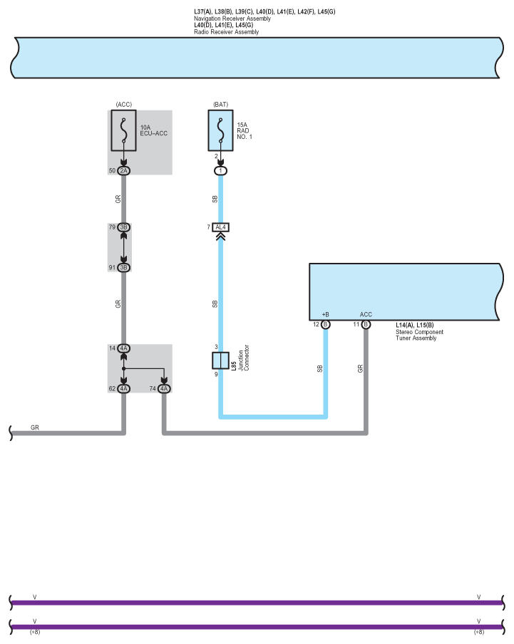
Fig 3: Audio System, Navigation System And Parking Assist - Rear View Monitor (W/ Navigation System) - Circuit Diagram (3 Of 15)
G07570854Courtesy of © TOYOTA, LICENSE AGREEMENT TMS1002
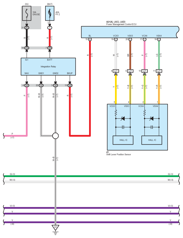
Fig 4: Audio System, Navigation System And Parking Assist - Rear View Monitor (W/ Navigation System) - Circuit Diagram (4 Of 15)
G07570855Courtesy of © TOYOTA, LICENSE AGREEMENT TMS1002
Fig 5: Audio System, Navigation System And Parking Assist - Rear View Monitor (W/ Navigation System) - Circuit Diagram (5 Of 15)
G07570856Courtesy of © TOYOTA, LICENSE AGREEMENT TMS1002
Fig 6: Audio System, Navigation System And Parking Assist - Rear View Monitor (W/ Navigation System) - Circuit Diagram (6 Of 15)
G07570857Courtesy of © TOYOTA, LICENSE AGREEMENT TMS1002
Fig 7: Audio System, Navigation System And Parking Assist - Rear View Monitor (W/ Navigation System) - Circuit Diagram (7 Of 15)
G07570858Courtesy of © TOYOTA, LICENSE AGREEMENT TMS1002
Fig 8: Audio System, Navigation System And Parking Assist - Rear View Monitor (W/ Navigation System) - Circuit Diagram (8 Of 15)
G07570859Courtesy of © TOYOTA, LICENSE AGREEMENT TMS1002
Fig 9: Audio System, Navigation System And Parking Assist - Rear View Monitor (W/ Navigation System) - Circuit Diagram (9 Of 15)
G07570860Courtesy of © TOYOTA, LICENSE AGREEMENT TMS1002
Fig 10: Audio System, Navigation System And Parking Assist - Rear View Monitor (W/ Navigation System) - Circuit Diagram (10 Of 15)
G07570861Courtesy of © TOYOTA, LICENSE AGREEMENT TMS1002
Fig 11: Audio System, Navigation System And Parking Assist - Rear View Monitor (W/ Navigation System) - Circuit Diagram (11 Of 15)
G07570862Courtesy of © TOYOTA, LICENSE AGREEMENT TMS1002
Fig 12: Audio System, Navigation System And Parking Assist - Rear View Monitor (W/ Navigation System) - Circuit Diagram (12 Of 15)
G07570863Courtesy of © TOYOTA, LICENSE AGREEMENT TMS1002
Fig 13: Audio System, Navigation System And Parking Assist - Rear View Monitor (W/ Navigation System) - Circuit Diagram (13 Of 15)
G07570864Courtesy of © TOYOTA, LICENSE AGREEMENT TMS1002
Fig 14: Audio System, Navigation System And Parking Assist - Rear View Monitor (W/ Navigation System) - Circuit Diagram (14 Of 15)
G07570865Courtesy of © TOYOTA, LICENSE AGREEMENT TMS1002
Fig 15: Audio System, Navigation System And Parking Assist - Rear View Monitor (W/ Navigation System) - Circuit Diagram (15 Of 15)
G07570866Courtesy of © TOYOTA, LICENSE AGREEMENT TMS1002