LEMON Manuals: Even more car manuals for everyone: 1960-2025
Home >> Toyota >> 2010 >> Prius Base >> Repair and Diagnosis >> External Pages >> Different car >> Section 76 (Occupant Classification System (Diagnostic Codes)) >> Occupant Classification System >> DTC B1794: Open in Occupant Classification ECU Battery Positive Line >> Wiring Diagram
April 5, 2026: LEMON Manuals is launched! Read the announcement.

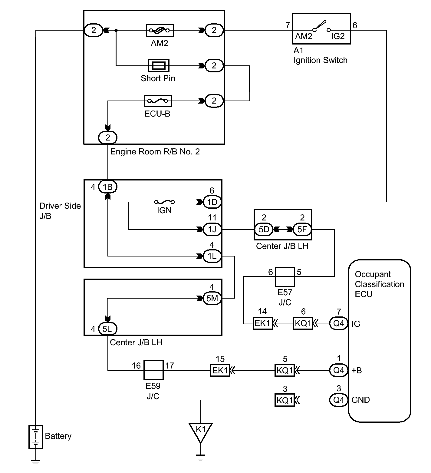
DTC B1794: Open in Occupant Classification ECU Battery Positive Line: Wiring Diagram

WARNING: This page is about a different car, the 2010 Toyota FJ Cruiser. However, it is still accessible from the selected car via links, so may be relevant.
Fig 1: Occupant Classification ECU - Wiring Diagram
GTY183262Courtesy of © TOYOTA, LICENSE AGREEMENT TMS1002