LEMON Manuals: Even more car manuals for everyone: 1960-2025
Home >> Toyota >> 2010 >> Prius Base >> Repair and Diagnosis >> External Pages >> Different variant/trim >> Section 28 (Engine Control (SFI) System (Diagnostics - Introduction) (PHV)) >> SFI System >> System Diagram >> System Diagram
April 5, 2026: LEMON Manuals is launched! Read the announcement.

System Diagram

WARNING: This page is about a different variant/trim than selected.
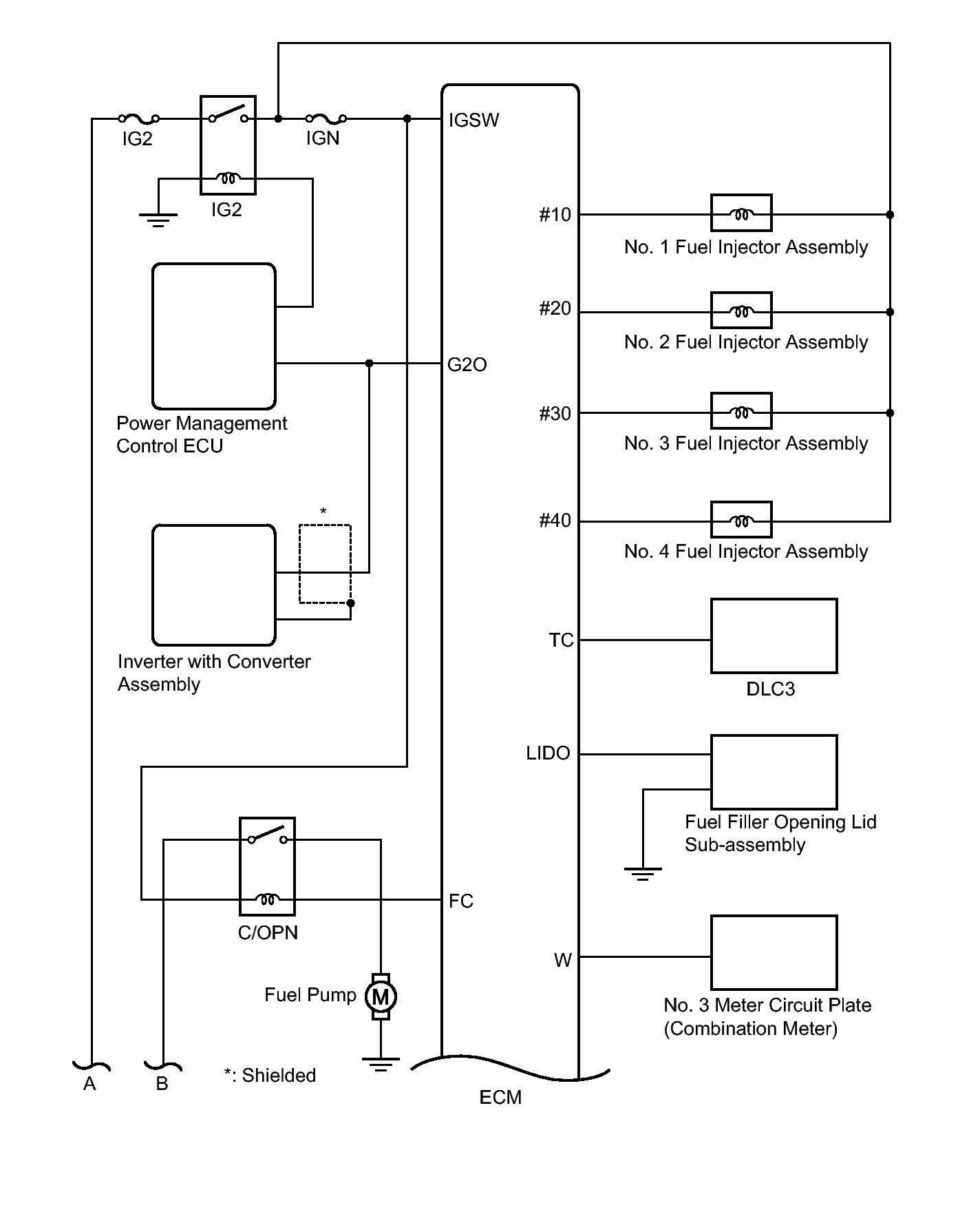
Fig 1: SFI System Diagram (1 Of 4)
GTY221489Courtesy of © TOYOTA, LICENSE AGREEMENT TMS1002
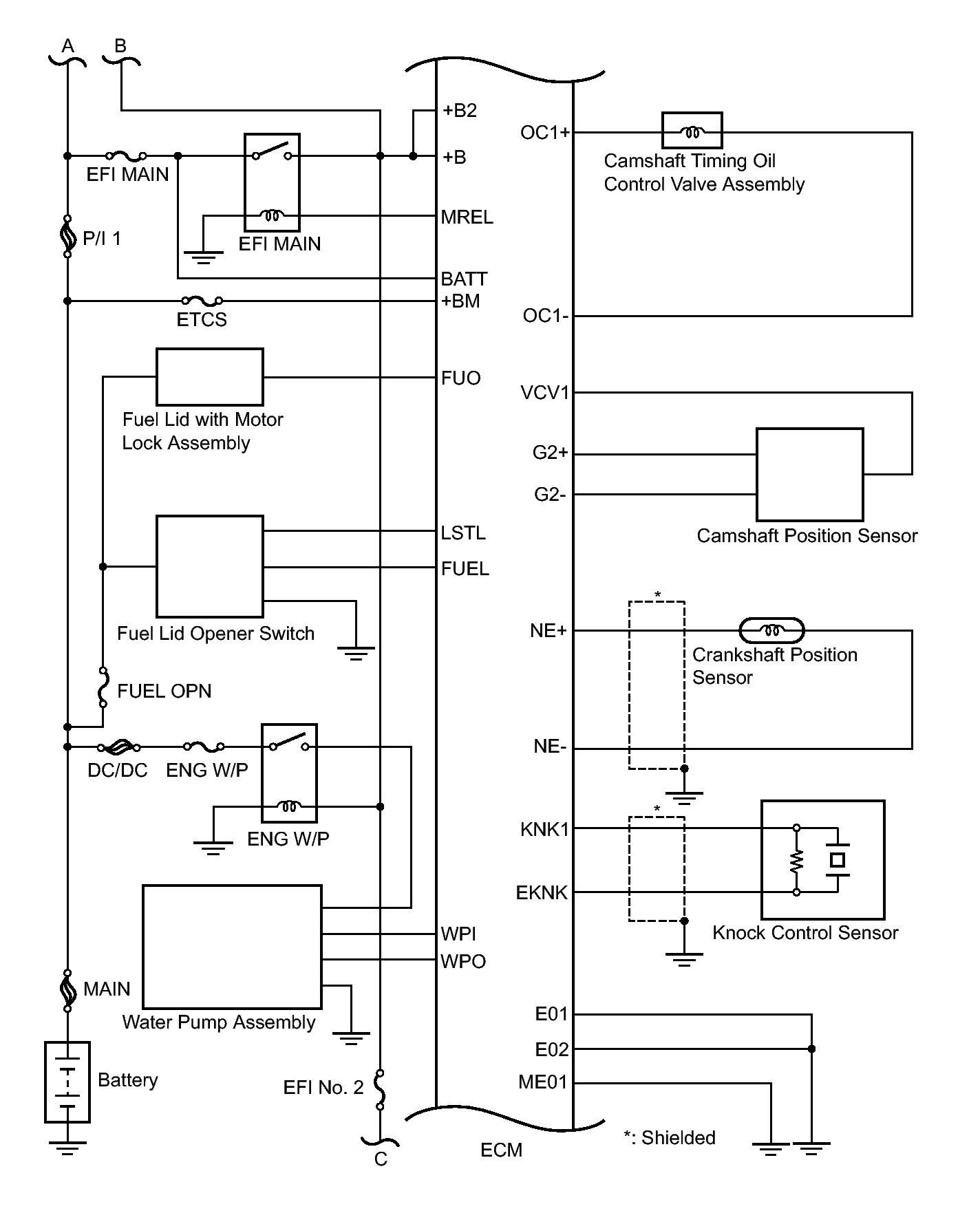
Fig 2: SFI System Diagram (2 Of 4)
GTY223669Courtesy of © TOYOTA, LICENSE AGREEMENT TMS1002
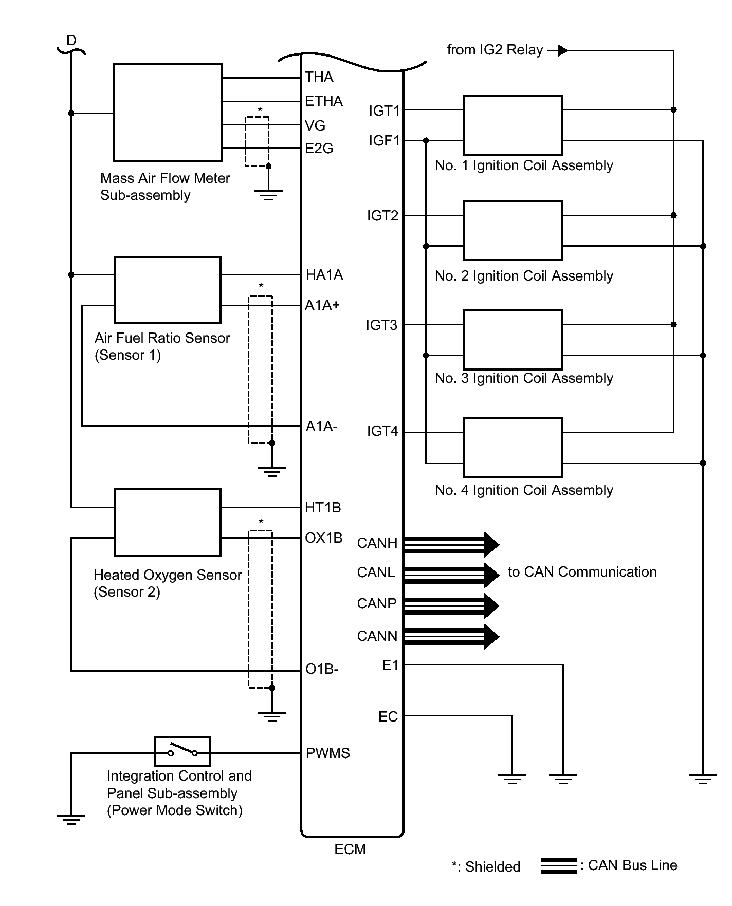
Fig 3: SFI System Diagram (3 Of 4)
GTY230143Courtesy of © TOYOTA, LICENSE AGREEMENT TMS1002
Fig 4: SFI System Diagram (4 Of 4)
GTY229590Courtesy of © TOYOTA, LICENSE AGREEMENT TMS1002