LEMON Manuals: Even more car manuals for everyone: 1960-2025
Home >> Toyota >> 2010 >> Prius Base >> Repair and Diagnosis >> External Pages >> Different variant/trim >> Section 73 (Cruise Control System (Diagnostics - Introduction) (PHV)) >> Cruise Control System >> System Diagram >> System Diagram
April 5, 2026: LEMON Manuals is launched! Read the announcement.

System Diagram

WARNING: This page is about a different variant/trim than selected.
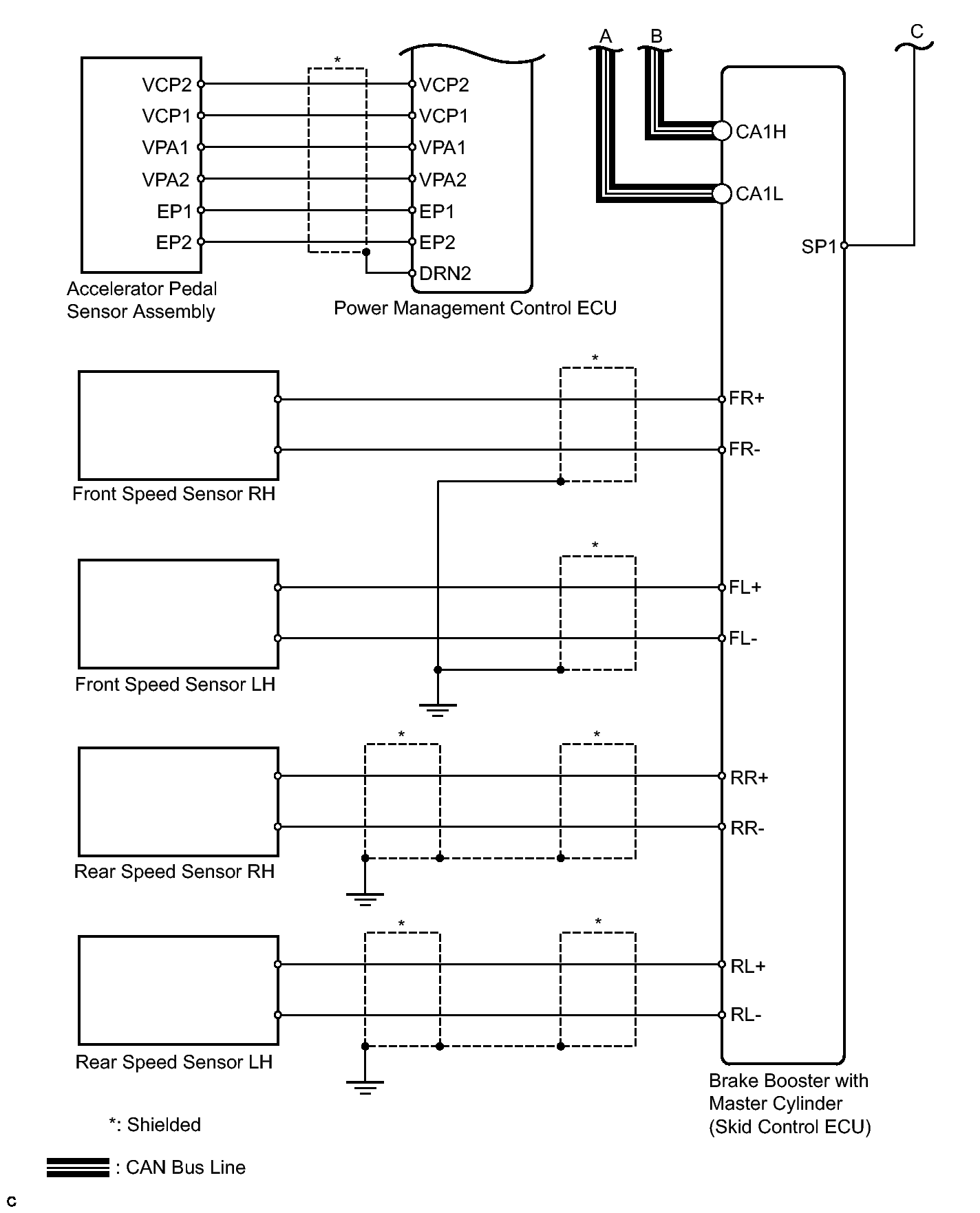
Fig 1: Identifying Cruise Control System Diagram (1 Of 2)
GTY232707Courtesy of © TOYOTA, LICENSE AGREEMENT TMS1002
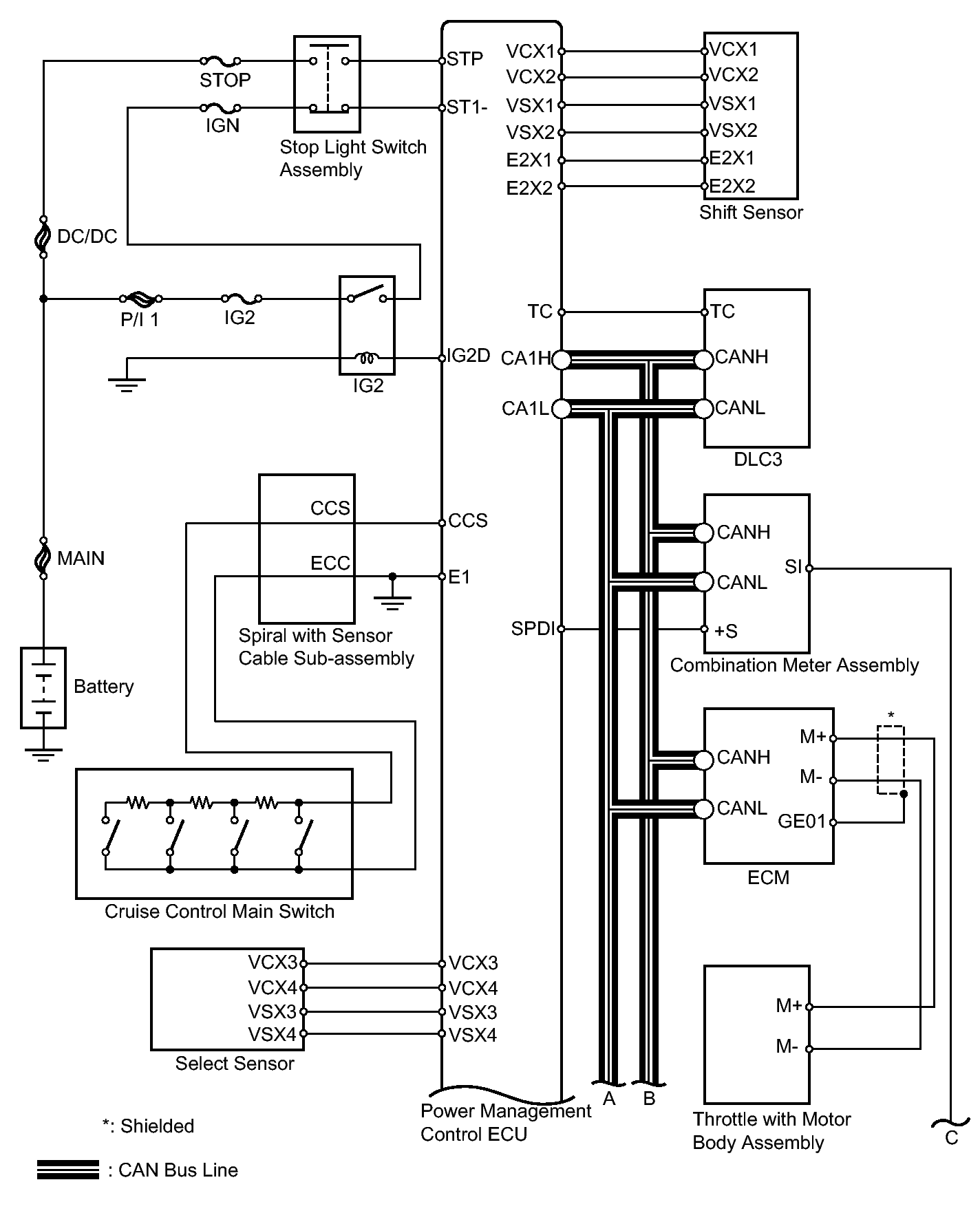
Fig 2: Identifying Cruise Control System Diagram (2 Of 2)
GTY227593Courtesy of © TOYOTA, LICENSE AGREEMENT TMS1002
COMMUNICATION TABLE

Sender Receiver Signal Line
Power management control ECU Combination meter assembly
(Cruise Main Indicator Light)
("SET" Indicator)
  • Cruise main indicator and SET indicator operation signal
  • Cruise control diagnosis signal
CAN
Brake booster with master cylinder (skid control ECU) Power management control ECU Electronically controlled brake system malfunction signal CAN
Power management control ECU ECM Throttle actuator operation signal CAN
ECM Power management control ECU Throttle position signal CAN