LEMON Manuals: Even more car manuals for everyone: 1960-2025
Home >> Toyota >> 2010 >> Prius PHV >> Repair and Diagnosis (Single Page) >> Accessories & Equipment >> Infotainment >> Navigation (Diagnostic Codes & Circuit Tests) (PHV) >> Navigation System >> Circuit Test >> Vehicle Speed Signal Circuit between Navigation Receiver Assembly and Combination Meter >> Wiring Diagram
April 5, 2026: LEMON Manuals is launched! Read the announcement.

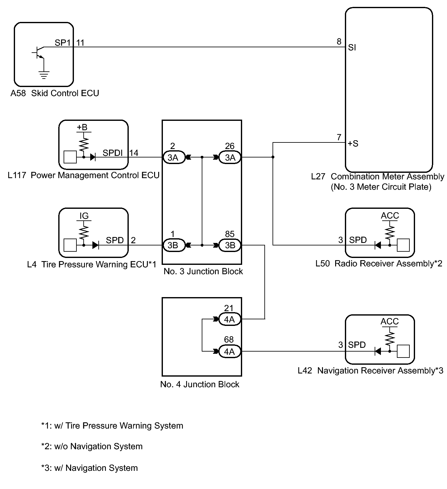
Vehicle Speed Signal Circuit between Navigation Receiver Assembly and Combination Meter: Wiring Diagram

Fig 1: Vehicle Speed Signal Circuit Between Navigation Receiver Assembly And Combination Meter Wiring Diagram
GTY214627Courtesy of © TOYOTA, LICENSE AGREEMENT TMS1002