LEMON Manuals: Even more car manuals for everyone: 1960-2025
Home >> Toyota >> 2010 >> Prius PHV >> Repair and Diagnosis (Single Page) >> Electrical >> Body Electrical >> OEM System Circuits (PHV) >> Remote Control Mirror >> Notes
April 5, 2026: LEMON Manuals is launched! Read the announcement.

Remote Control Mirror: Notes

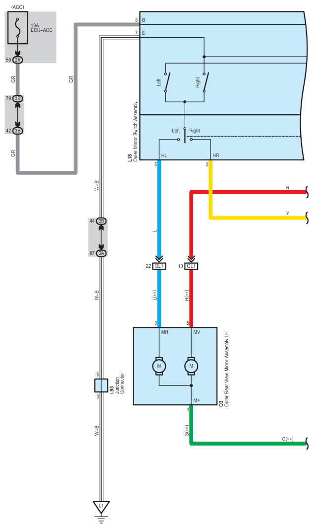
Fig 1: Remote Control Mirror - Circuit Diagram (1 Of 2)
G07624780Courtesy of © TOYOTA, LICENSE AGREEMENT TMS1002
Fig 2: Remote Control Mirror - Circuit Diagram (2 Of 2)
G07624781Courtesy of © TOYOTA, LICENSE AGREEMENT TMS1002