LEMON Manuals: Even more car manuals for everyone: 1960-2025
Home >> Toyota >> 2010 >> Prius PHV >> Repair and Diagnosis (Single Page) >> Electrical >> Starter >> Smart Key System (Keyless Start) (Diagnostic Codes & Circuit Tests) (PHV) >> SMART KEY SYSTEM (for Start Function) >> Circuit Test >> Power Source Mode does not Change to ON (READY) >> Wiring Diagram
April 5, 2026: LEMON Manuals is launched! Read the announcement.

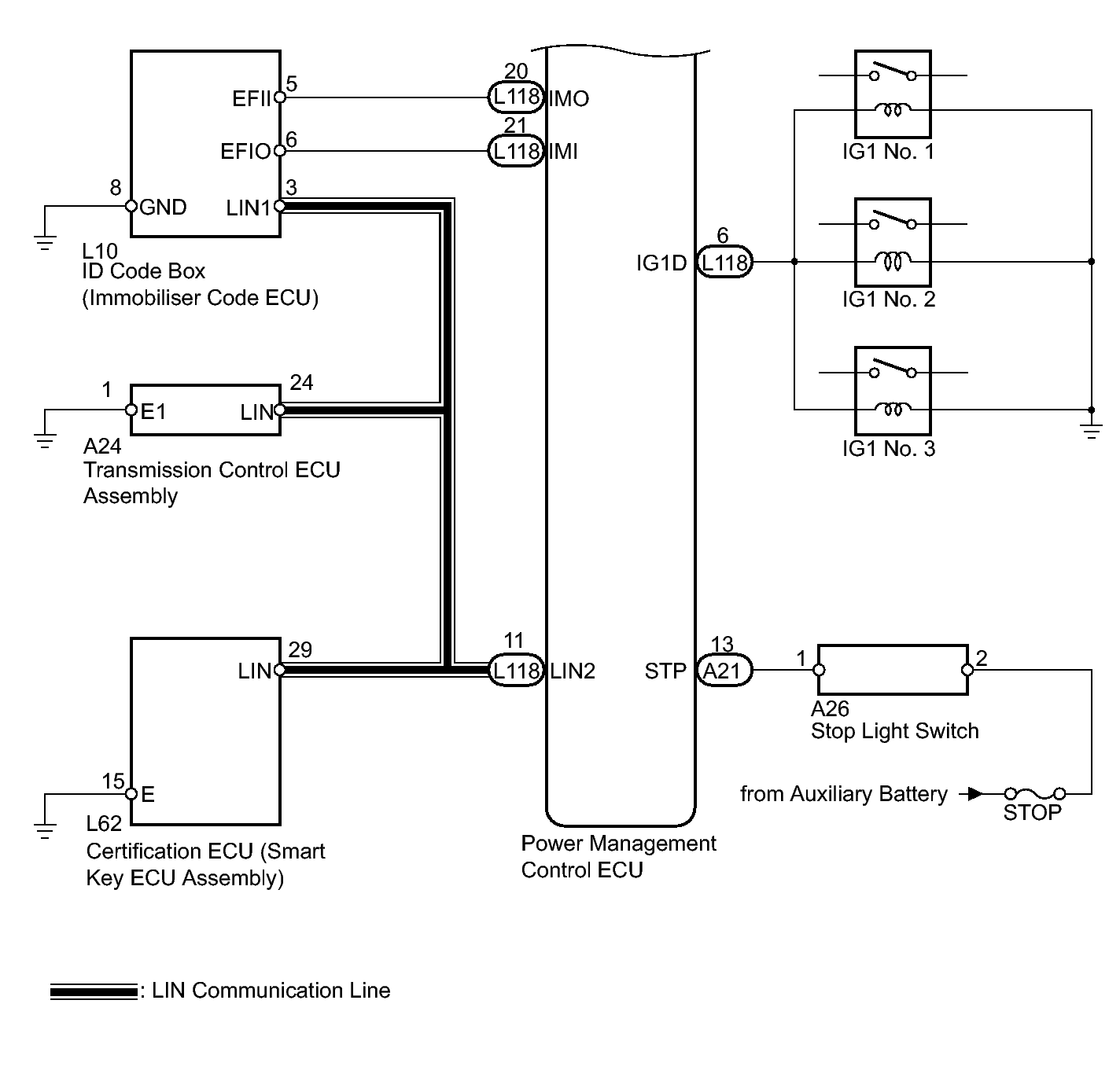
Power Source Mode does not Change to ON (READY): Wiring Diagram

Fig 1: Identifying Power Source Mode Wiring Diagram
GTY211716Courtesy of © TOYOTA, LICENSE AGREEMENT TMS1002
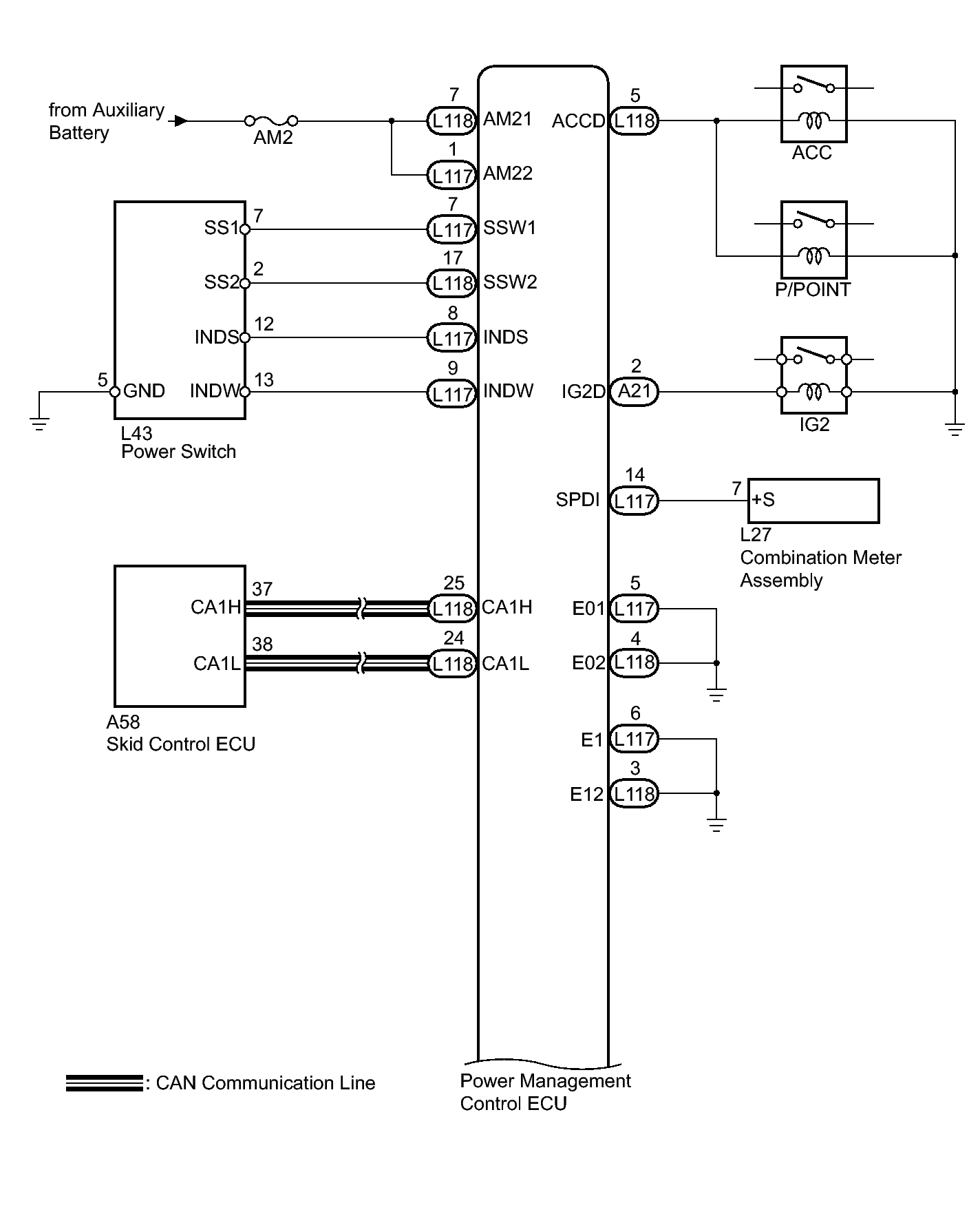
Fig 2: Identifying Power Source Mode Wiring Diagram
GTY212082Courtesy of © TOYOTA, LICENSE AGREEMENT TMS1002