LEMON Manuals: Even more car manuals for everyone: 1960-2025
Home >> Toyota >> 2010 >> Prius PHV >> Repair and Diagnosis >> External Pages >> Different variant/trim >> Section 111 (Smart Key System (Start Function) (Diagnostic Codes & Circuit Tests) (Except PHV)) >> SMART KEY SYSTEM (for Start Function) >> DTC B2271: Ignition Hold Monitor Malfunction >> Wiring Diagram
April 5, 2026: LEMON Manuals is launched! Read the announcement.

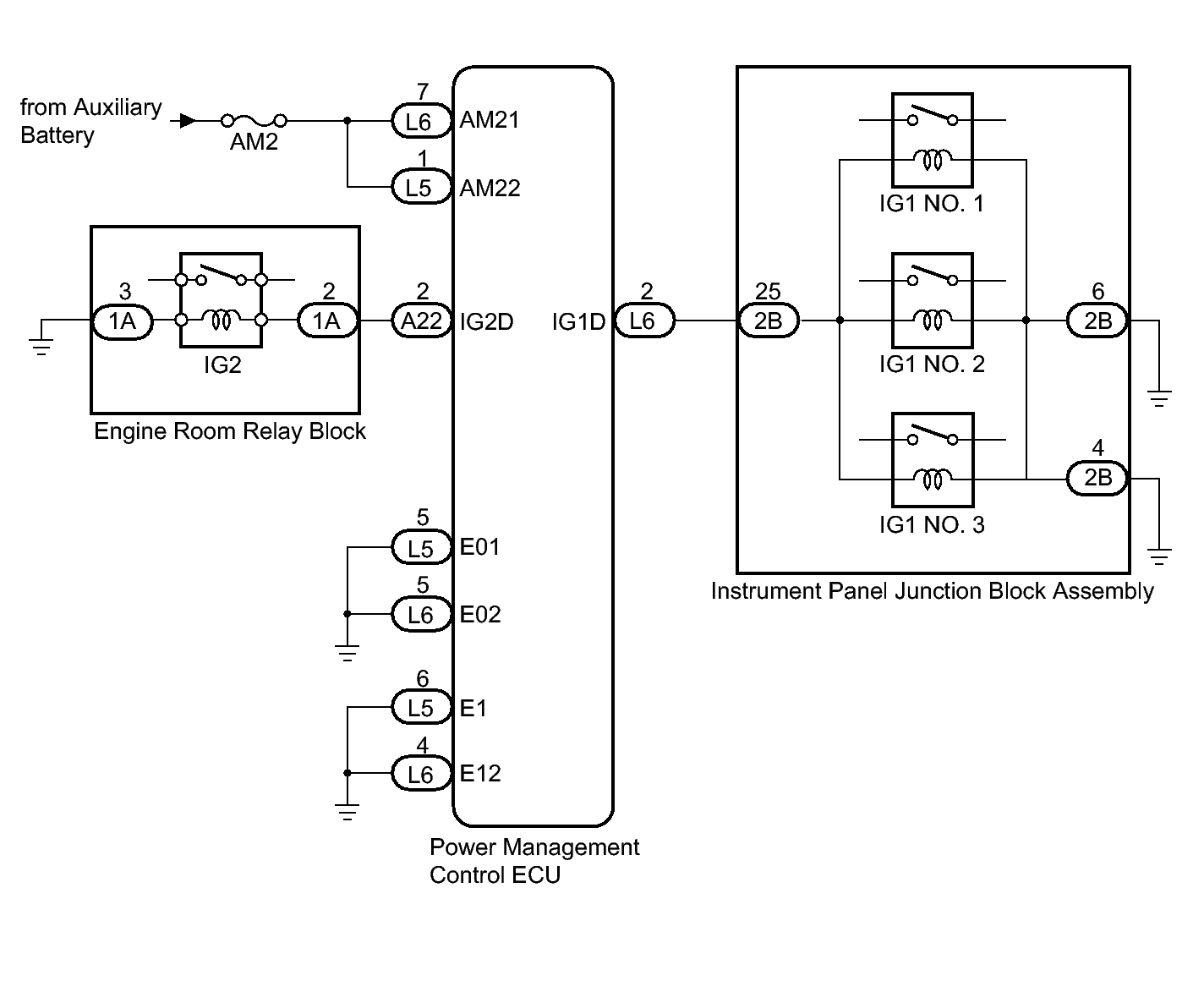
DTC B2271: Ignition Hold Monitor Malfunction: Wiring Diagram

WARNING: This page is about a different variant/trim than selected.
Fig 1: Identifying Smart Key System Wiring Diagram
GTY221027Courtesy of © TOYOTA, LICENSE AGREEMENT TMS1002