LEMON Manuals: Even more car manuals for everyone: 1960-2025
Home >> Toyota >> 2010 >> Prius PHV >> Repair and Diagnosis >> External Pages >> Different variant/trim >> Section 6 (Smart Key System (Keyless Start) (Diagnostics - Introduction) (Except PHV)) >> SMART KEY SYSTEM (for Start Function) >> System Diagram >> System Diagram
April 5, 2026: LEMON Manuals is launched! Read the announcement.

System Diagram

WARNING: This page is about a different variant/trim than selected.
Fig 1: Smart Key System Diagram (1 Of 3)
GTY221597Courtesy of © TOYOTA, LICENSE AGREEMENT TMS1002
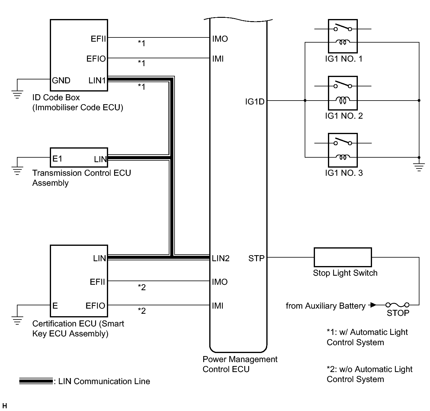
Fig 2: Smart Key System Diagram (2 Of 3)
GTY228605Courtesy of © TOYOTA, LICENSE AGREEMENT TMS1002
Fig 3: Smart Key System Diagram (3 Of 3)
GTY223520Courtesy of © TOYOTA, LICENSE AGREEMENT TMS1002
COMMUNICATION TABLE

Transmitting ECU
(Transmitter)
Receiving ECU
(Receiver)
Signal Communication Method
Combination meter assembly Power management control ECU Vehicle speed signal Local communication
Skid control ECU Power management control ECU Stop light switch signal CAN/Local communication
Main body ECU Power management control ECU Driver seat courtesy switch signal CAN
Main body ECU Power management control ECU Parking brake switch signal CAN
Skid control ECU Power management control ECU Vehicle speed signal CAN
Transmission control ECU Power management control ECU Transmission control ECU trouble condition signal CAN/Local communication
Transmission control ECU Power management control ECU P position state signal CAN/Local communication
Power management control ECU Combination meter assembly Message request signal for push start CAN
Power management control ECU Certification ECU (smart key ECU assembly) P position state signal LIN
Power management control ECU Certification ECU (smart key ECU assembly) Shift position P signal LIN
Power management control ECU Certification ECU (smart key ECU assembly) ID code certification result request signal LIN
Power management control ECU Certification ECU (smart key ECU assembly) Power supply ON operation condition signal LIN
Power management control ECU Certification ECU (smart key ECU assembly) Hybrid control system start operation condition signal*2 LIN
Power management control ECU Certification ECU (smart key ECU assembly) ACC relay drive condition signal LIN
Power management control ECU Certification ECU (smart key ECU assembly) IG relay drive condition signal LIN
Transmission control ECU Certification ECU (smart key ECU assembly) Lock determination signal LIN
Transmission control ECU Certification ECU (smart key ECU assembly) Unlock determination signal LIN
Transmission control ECU Certification ECU (smart key ECU assembly) L code certification condition signal LIN
Certification ECU (smart key ECU assembly) ID code box (immobilizer code ECU) Hybrid control system start operation condition signal*1 LIN
Certification ECU (smart key ECU assembly) ID code box (immobilizer code ECU) 3-bit code transmission request signal*1 LIN
Certification ECU (smart key ECU assembly) ID code box (immobilizer code ECU) S code certification condition signal*1 LIN
Certification ECU (smart key ECU assembly) Power management control ECU Smart key system effective state signal LIN
Certification ECU (smart key ECU assembly) Power management control ECU Key certification effective state signal LIN
Certification ECU (smart key ECU assembly) Power management control ECU Engine immobilizer unset signal LIN
ID code Box (immobilizer code ECU) Certification ECU (smart key ECU assembly) 3-bit code transmission request reception condition signal LIN
ID code Box (immobilizer code ECU) Certification ECU (smart key ECU assembly) S code certification result signal LIN
ID code Box (immobilizer code ECU) Certification ECU (smart key ECU assembly) L code certification result signal LIN
ID code Box (immobilizer code ECU) Certification ECU (smart key ECU assembly) S code registration condition signal LIN
ID code Box (immobilizer code ECU) Certification ECU (smart key ECU assembly) L code registration condition signal LIN