LEMON Manuals: Even more car manuals for everyone: 1960-2025
Home >> Toyota >> 2011 >> 4Runner Limited, RWD >> Repair and Diagnosis >> External Pages >> Different variant/trim >> Section 6 (4WD Control System / Transfer Case Control System (VF2A) (Inspection)) >> 4WD Control System / Transfer Case Control System >> System Diagram >> System Diagram
April 5, 2026: LEMON Manuals is launched! Read the announcement.

System Diagram

WARNING: This page is about a different variant/trim than selected.
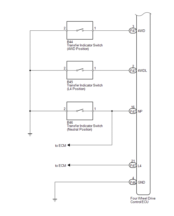
Fig 1: Identifying Transfer Case System Circuit Diagram (1 Of 2)
GTY214447Courtesy of © TOYOTA, LICENSE AGREEMENT TMS1002
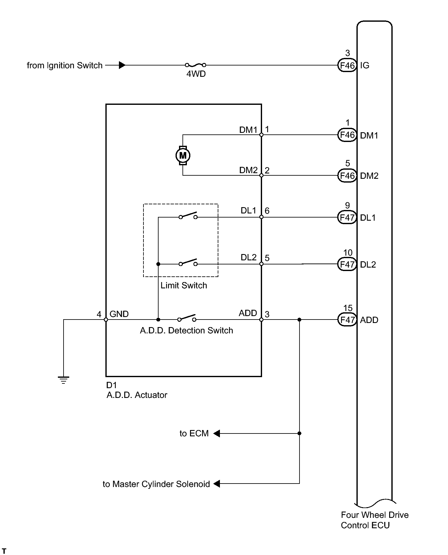
Fig 2: Identifying Transfer Case System Circuit Diagram (2 Of 2)
GTY229218Courtesy of © TOYOTA, LICENSE AGREEMENT TMS1002
Fig 3: Identifying Transfer Case System - System Diagram
GTY216090Courtesy of © TOYOTA, LICENSE AGREEMENT TMS1002