LEMON Manuals: Even more car manuals for everyone: 1960-2025
Home >> Toyota >> 2011 >> 4Runner Trail >> Repair and Diagnosis >> Electrical >> Body Electrical >> OEM System Circuits >> Accessory Meter >> Notes
April 5, 2026: LEMON Manuals is launched! Read the announcement.

Accessory Meter: Notes

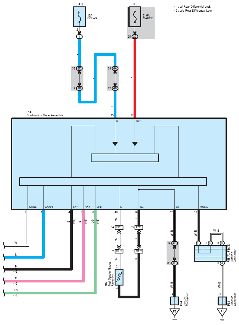
Fig 1: Accessory Meter System Wiring Diagram (1 Of 5)
G07111605Courtesy of © TOYOTA, LICENSE AGREEMENT TMS1002
Fig 2: Accessory Meter System Wiring Diagram (2 Of 5)
G07111606Courtesy of © TOYOTA, LICENSE AGREEMENT TMS1002
Fig 3: Accessory Meter System Wiring Diagram (3 Of 5)
G07111607Courtesy of © TOYOTA, LICENSE AGREEMENT TMS1002
Fig 4: Accessory Meter System Wiring Diagram (4 Of 5)
G07111608Courtesy of © TOYOTA, LICENSE AGREEMENT TMS1002
Fig 5: Accessory Meter System Wiring Diagram (5 Of 5)
G07111609Courtesy of © TOYOTA, LICENSE AGREEMENT TMS1002