LEMON Manuals: Even more car manuals for everyone: 1960-2025
Home >> Toyota >> 2011 >> 4Runner Trail >> Repair and Diagnosis >> Electrical >> Body Electrical >> OEM System Circuits >> Safety Connect >> Notes
April 5, 2026: LEMON Manuals is launched! Read the announcement.

Safety Connect: Notes

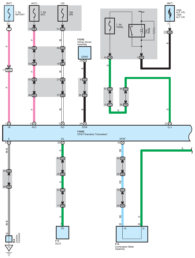
Fig 1: Safety Connect System Wiring Diagram (1 Of 4)
G07111631Courtesy of © TOYOTA, LICENSE AGREEMENT TMS1002
Fig 2: Safety Connect System Wiring Diagram (2 Of 4)
G07111632Courtesy of © TOYOTA, LICENSE AGREEMENT TMS1002
Fig 3: Safety Connect System Wiring Diagram (3 Of 4)
G07111633Courtesy of © TOYOTA, LICENSE AGREEMENT TMS1002
Fig 4: Safety Connect System Wiring Diagram (4 Of 4)
G07111634Courtesy of © TOYOTA, LICENSE AGREEMENT TMS1002