LEMON Manuals: Even more car manuals for everyone: 1960-2025
Home >> Toyota >> 2011 >> 4Runner Trail >> Repair and Diagnosis >> Electrical >> Body Electrical >> OEM System Circuits >> Starting (w/o Smart Key System) >> Notes
April 5, 2026: LEMON Manuals is launched! Read the announcement.

Starting (w/o Smart Key System): Notes

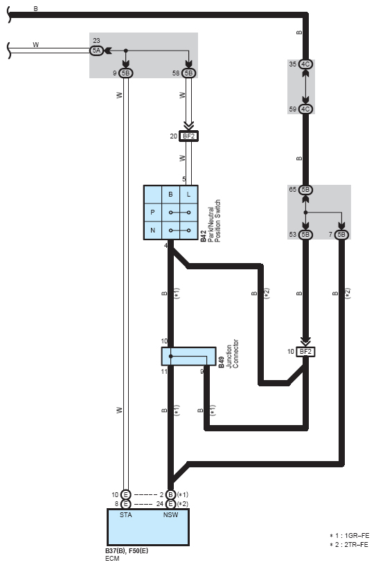
Fig 1: Starting (w/o Smart Key System) (1 Of 2)
G07111369Courtesy of © TOYOTA, LICENSE AGREEMENT TMS1002
Fig 2: Starting (w/o Smart Key System) (2 Of 2)
G07111370Courtesy of © TOYOTA, LICENSE AGREEMENT TMS1002