LEMON Manuals: Even more car manuals for everyone: 1960-2025
Home >> Toyota >> 2011 >> Avalon Base >> Repair and Diagnosis (Single Page) >> Electrical >> Body Electrical >> OEM System Circuits >> Audio System (w/Navigation System), Navigation System and Parking Assist (Rear View Monitor w/Navigation System) >> Notes
April 5, 2026: LEMON Manuals is launched! Read the announcement.

Audio System (w/Navigation System), Navigation System and Parking Assist (Rear View Monitor w/Navigation System): Notes

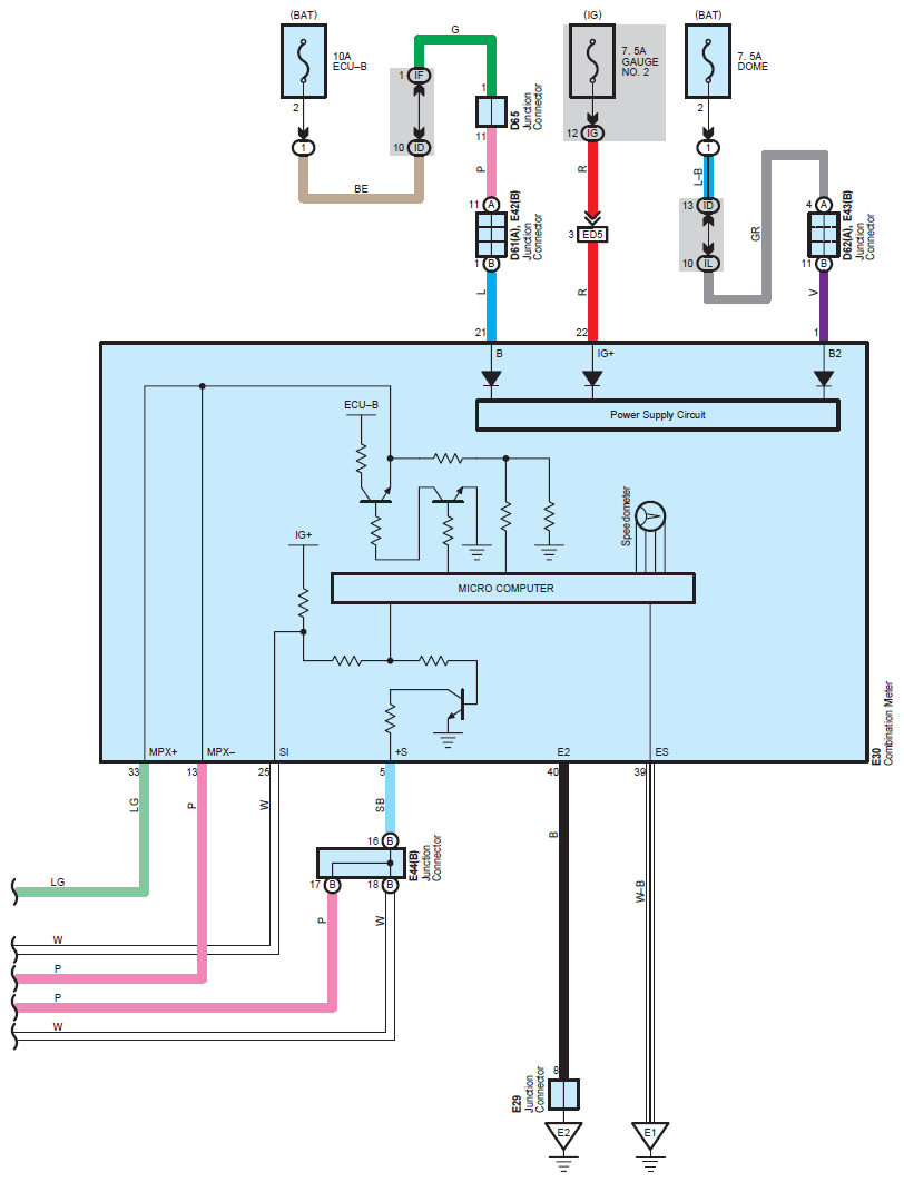
Fig 1: Audio System (w/Navigation System), Navigation System And Parking Assist (Rear View Monitor w/Navigation System) Wiring Diagram (1 Of 9)
G07112078Courtesy of © TOYOTA, LICENSE AGREEMENT TMS1002
Fig 2: Audio System (w/Navigation System), Navigation System And Parking Assist (Rear View Monitor w/Navigation System) Wiring Diagram (2 Of 9)
G07112079Courtesy of © TOYOTA, LICENSE AGREEMENT TMS1002
Fig 3: Audio System (w/Navigation System), Navigation System And Parking Assist (Rear View Monitor w/Navigation System) Wiring Diagram (3 Of 9)
G07112080Courtesy of © TOYOTA, LICENSE AGREEMENT TMS1002
Fig 4: Audio System (w/Navigation System), Navigation System And Parking Assist (Rear View Monitor w/Navigation System) Wiring Diagram (4 Of 9)
G07112081Courtesy of © TOYOTA, LICENSE AGREEMENT TMS1002
Fig 5: Audio System (w/Navigation System), Navigation System And Parking Assist (Rear View Monitor w/Navigation System) Wiring Diagram (5 Of 9)
G07112082Courtesy of © TOYOTA, LICENSE AGREEMENT TMS1002
Fig 6: Audio System (w/Navigation System), Navigation System And Parking Assist (Rear View Monitor w/Navigation System) Wiring Diagram (6 Of 9)
G07112083Courtesy of © TOYOTA, LICENSE AGREEMENT TMS1002
Fig 7: Audio System (w/Navigation System), Navigation System And Parking Assist (Rear View Monitor w/Navigation System) Wiring Diagram (7 Of 9)
G07112084Courtesy of © TOYOTA, LICENSE AGREEMENT TMS1002
Fig 8: Audio System (w/Navigation System), Navigation System And Parking Assist (Rear View Monitor w/Navigation System) Wiring Diagram (8 Of 9)
G07112085Courtesy of © TOYOTA, LICENSE AGREEMENT TMS1002
Fig 9: Audio System (w/Navigation System), Navigation System And Parking Assist (Rear View Monitor w/Navigation System) Wiring Diagram (9 Of 9)
G07112086Courtesy of © TOYOTA, LICENSE AGREEMENT TMS1002