LEMON Manuals: Even more car manuals for everyone: 1960-2025
Home >> Toyota >> 2011 >> Avalon Base >> Repair and Diagnosis (Single Page) >> Electrical >> Body Electrical >> OEM System Circuits >> Key Reminder (w/o Smart Key System) >> Notes
April 5, 2026: LEMON Manuals is launched! Read the announcement.

Key Reminder (w/o Smart Key System): Notes

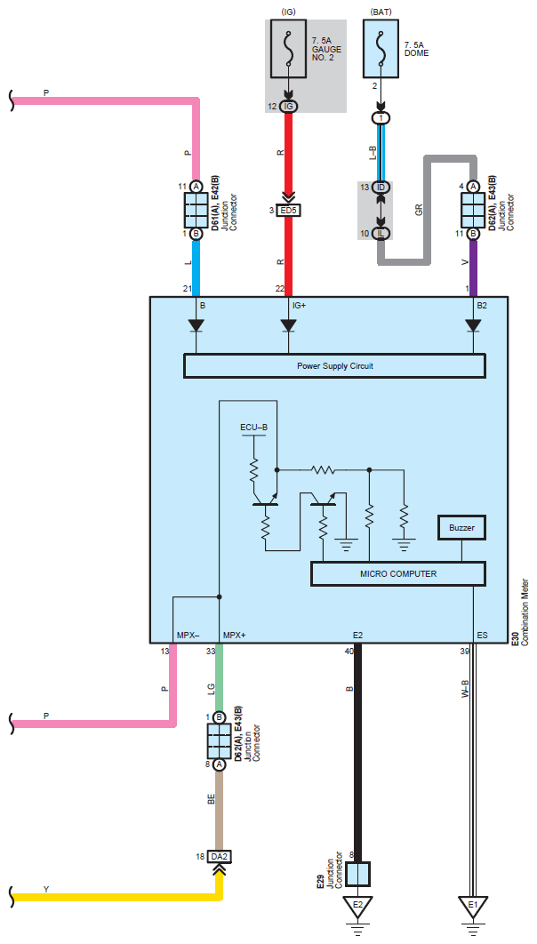
Fig 1: Key Reminder (w/o Smart Key System) Wiring Diagram (1 Of 2)
G07111947Courtesy of © TOYOTA, LICENSE AGREEMENT TMS1002
Fig 2: Key Reminder (w/o Smart Key System) Wiring Diagram (2 Of 2)
G07111948Courtesy of © TOYOTA, LICENSE AGREEMENT TMS1002