LEMON Manuals: Even more car manuals for everyone: 1960-2025
Home >> Toyota >> 2011 >> Avalon Base >> Repair and Diagnosis (Single Page) >> Engine Performance >> System >> Engine Control System SFI System (Diagnostic Codes (P1603 - P2118)) >> SFI System >> DTC P2118: Throttle Actuator Control Motor Current Range / Performance >> Description
April 5, 2026: LEMON Manuals is launched! Read the announcement.

DTC P2118: Throttle Actuator Control Motor Current Range / Performance: Description

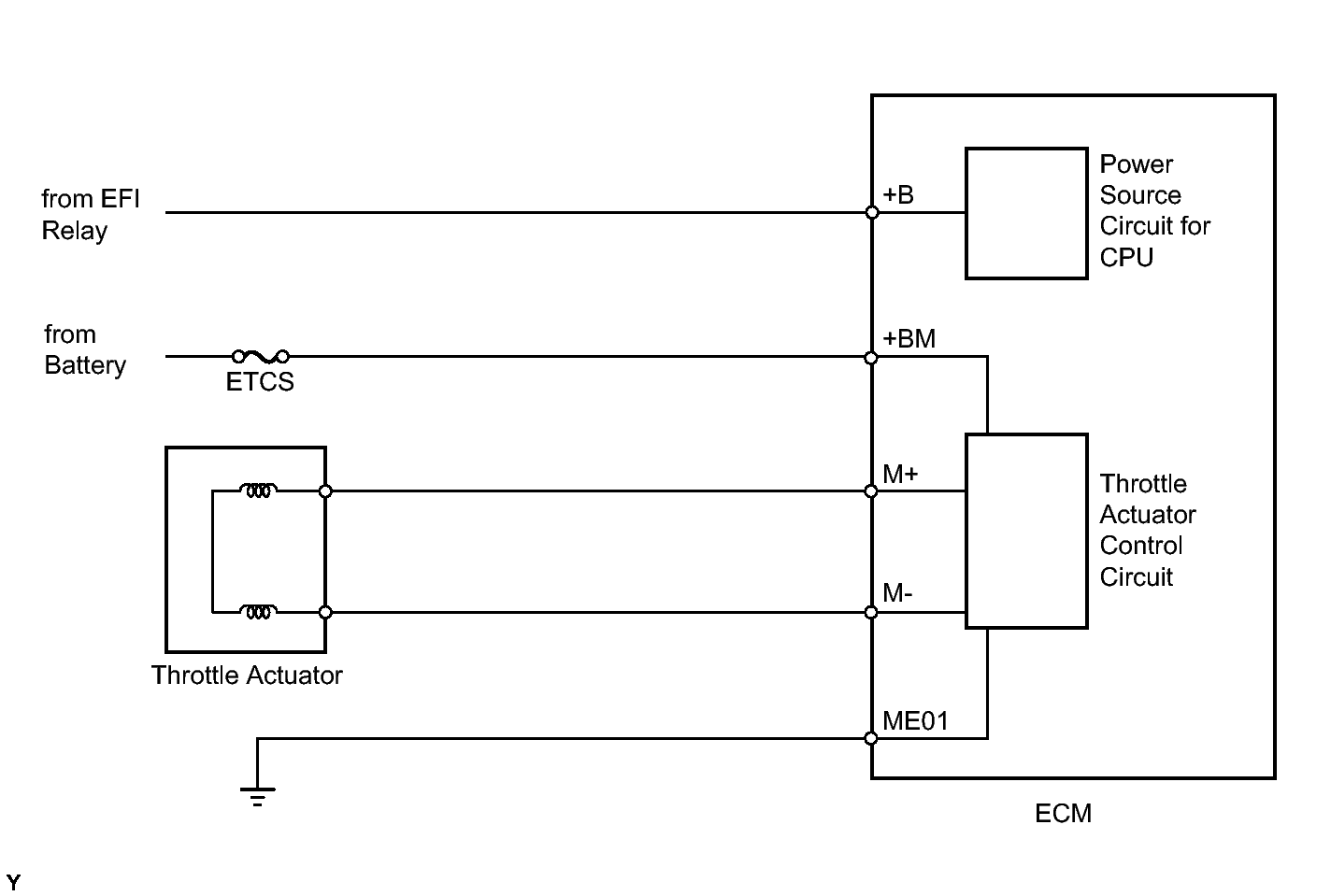
The electronic throttle control system has a dedicated power supply circuit. The voltage (+BM) is monitored and when it is low (below 4 V), the ECM determines that there is a malfunction in the electronic throttle control system and cuts off the current to the throttle actuator.

When the voltage becomes unstable, the electronic throttle control system itself becomes unstable. For this reason, when the voltage is low, the current to the throttle actuator is cut. If repairs are made and the system returns to normal, turn the ignition switch off. The ECM then allows the current to flow to the throttle actuator so that it can be restarted.

HINT: 

This electronic throttle control system does not use a throttle cable.

Fig 1: Identifying Throttle Actuator To ECM Wiring Diagram
GTY307874Courtesy of © TOYOTA, LICENSE AGREEMENT TMS1002
DTC No. DTC Detection Condition Trouble Area
P2118 An open in electronic throttle control system power source (+BM) circuit
(1 trip detection logic)
  • Open in electronic throttle control system power source circuit
  • Battery
  • Battery terminals
  • ETCS fuse
  • ECM