LEMON Manuals: Even more car manuals for everyone: 1960-2025
Home >> Toyota >> 2011 >> Avalon Base >> Repair and Diagnosis >> Electrical >> Body Electrical >> OEM System Circuits >> Audio System (9 Speaker w/o Navigation System) >> Notes
April 5, 2026: LEMON Manuals is launched! Read the announcement.

Audio System (9 Speaker w/o Navigation System): Notes

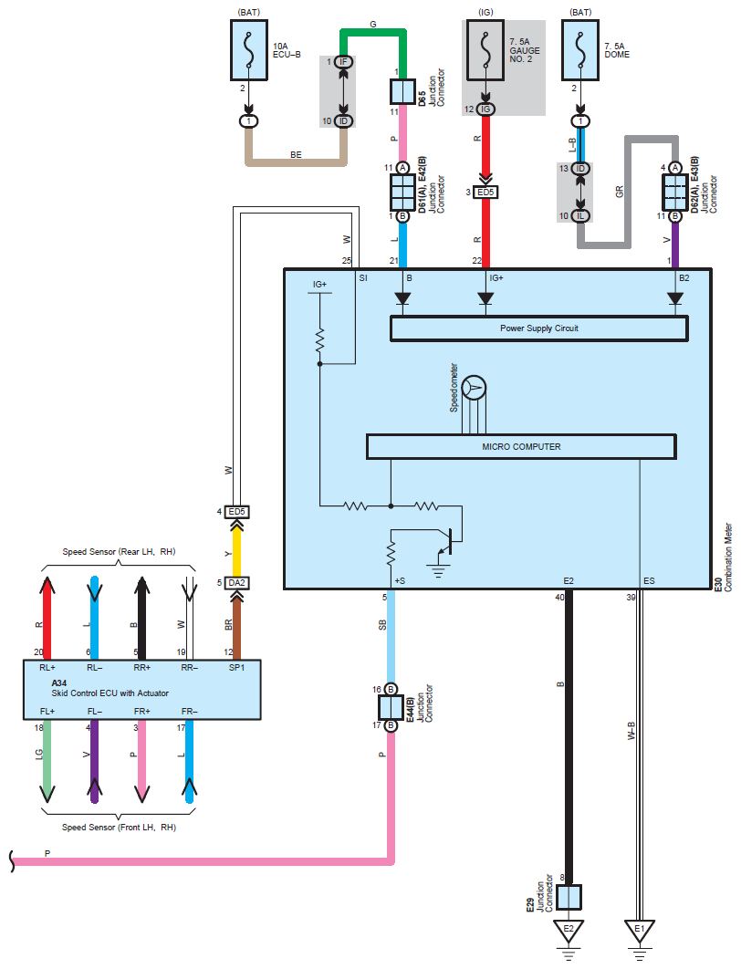
Fig 1: Audio System (9 Speaker w/o Navigation System) Wiring Diagram (1 Of 6)
G07112093Courtesy of © TOYOTA, LICENSE AGREEMENT TMS1002
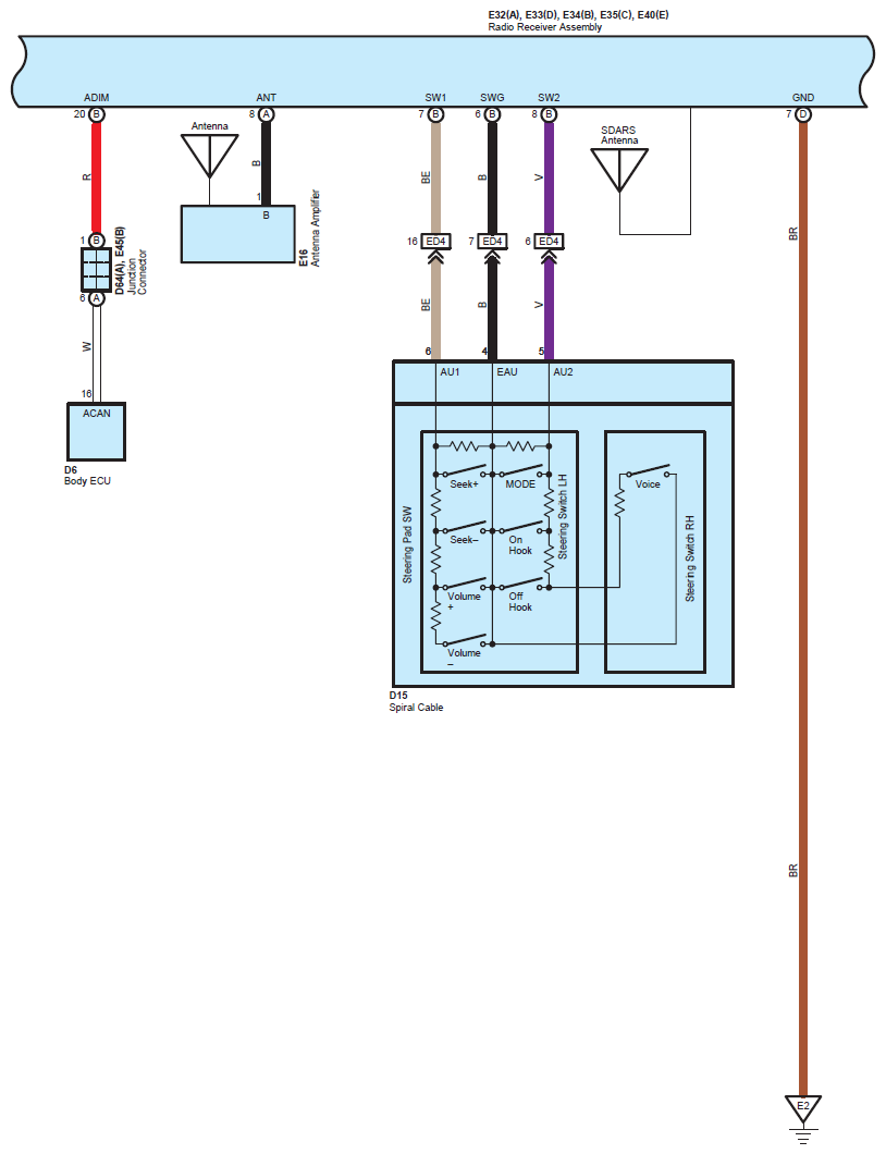
Fig 2: Audio System (9 Speaker w/o Navigation System) Wiring Diagram (2 Of 6)
G07112094Courtesy of © TOYOTA, LICENSE AGREEMENT TMS1002
Fig 3: Audio System (9 Speaker w/o Navigation System) Wiring Diagram (3 Of 6)
G07112095Courtesy of © TOYOTA, LICENSE AGREEMENT TMS1002
Fig 4: Audio System (9 Speaker w/o Navigation System) Wiring Diagram (4 Of 6)
G07112096Courtesy of © TOYOTA, LICENSE AGREEMENT TMS1002
Fig 5: Audio System (9 Speaker w/o Navigation System) Wiring Diagram (5 Of 6)
G07112097Courtesy of © TOYOTA, LICENSE AGREEMENT TMS1002
Fig 6: Audio System (9 Speaker w/o Navigation System) Wiring Diagram (6 Of 6)
G07112098Courtesy of © TOYOTA, LICENSE AGREEMENT TMS1002