LEMON Manuals: Even more car manuals for everyone: 1960-2025
Home >> Toyota >> 2011 >> Camry Base, Standard >> Repair and Diagnosis (Single Page) >> Brakes >> Traction Control >> Vehicle Stability Control System (Diagnostic Codes & Symptom Tests) (BOSCH Made) (Except Hybrid) >> VEHICLE STABILITY CONTROL SYSTEM (for BOSCH Made) >> DTC U0073/94: Control Module Communication Bus OFF; DTC U0100/65: Lost Communication with ECM / PCM; DTC U0123/62: Lost Communication with Yaw Rate Sensor Module; DTC U0126/63: Lost Communication with Steering Angle Sensor Module >> Wiring Diagram
April 5, 2026: LEMON Manuals is launched! Read the announcement.

DTC U0073/94: Control Module Communication Bus OFF; DTC U0100/65: Lost Communication with ECM / PCM; DTC U0123/62: Lost Communication with Yaw Rate Sensor Module; DTC U0126/63: Lost Communication with Steering Angle Sensor Module: Wiring Diagram

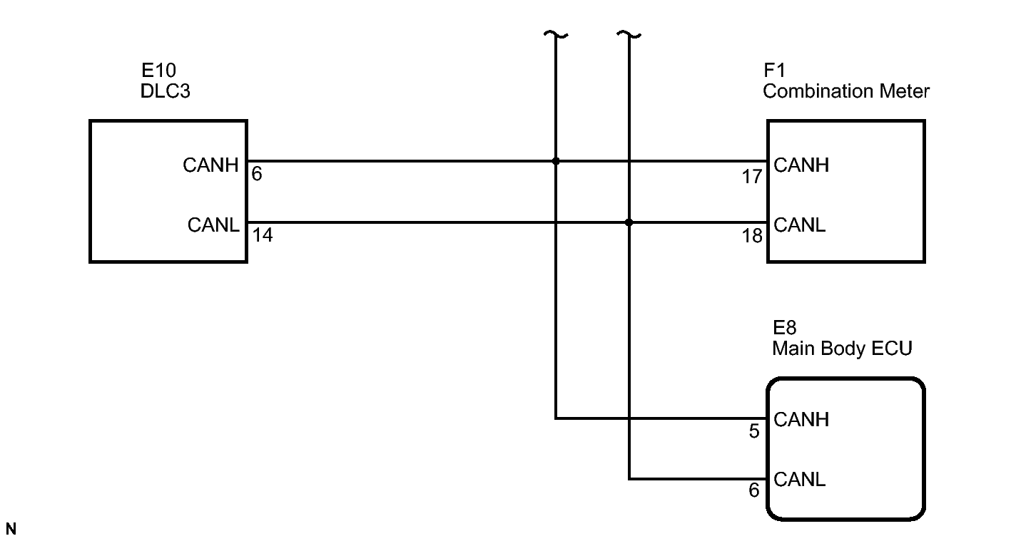
Fig 1: Identifying CAN Communication Wiring Diagram (1 Of 2)
GTY190218Courtesy of © TOYOTA, LICENSE AGREEMENT TMS1002
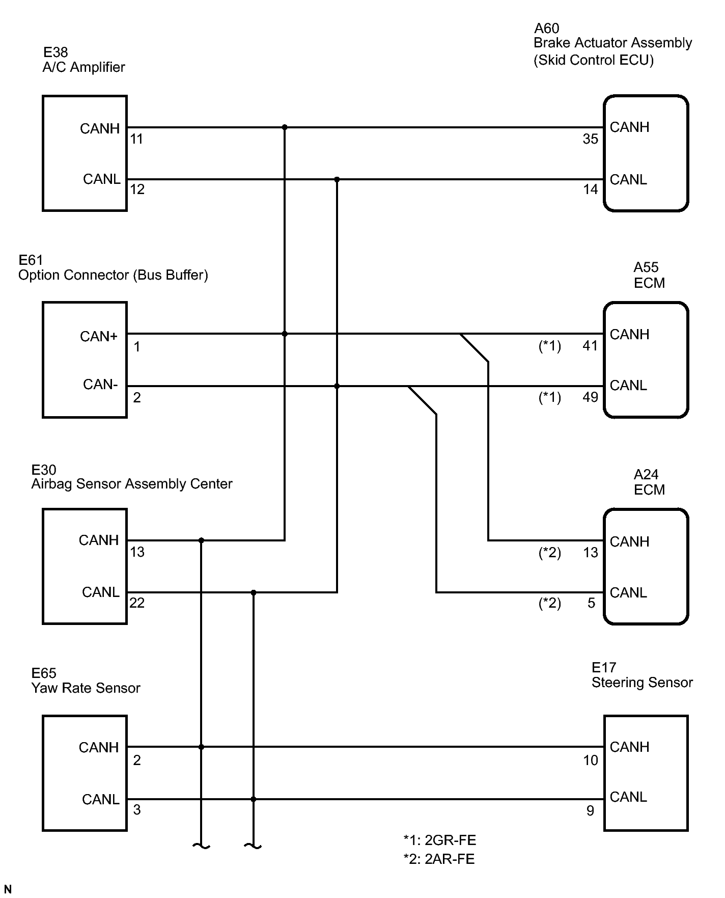
Fig 2: Identifying CAN Communication - Wiring Diagram (2 Of 2)
GTY169094Courtesy of © TOYOTA, LICENSE AGREEMENT TMS1002