LEMON Manuals: Even more car manuals for everyone: 1960-2025
Home >> Toyota >> 2011 >> Corolla Base, Standard >> Repair and Diagnosis (Single Page) >> Electrical >> Body Electrical >> OEM System Circuits >> Audio System and Navigation System (TMC Made) >> Notes
April 5, 2026: LEMON Manuals is launched! Read the announcement.

Audio System and Navigation System (TMC Made): Notes

Fig 1: Audio System And Navigation System (TMC Made) Wiring Diagram (1 Of 4)
G07115064Courtesy of © TOYOTA, LICENSE AGREEMENT TMS1002
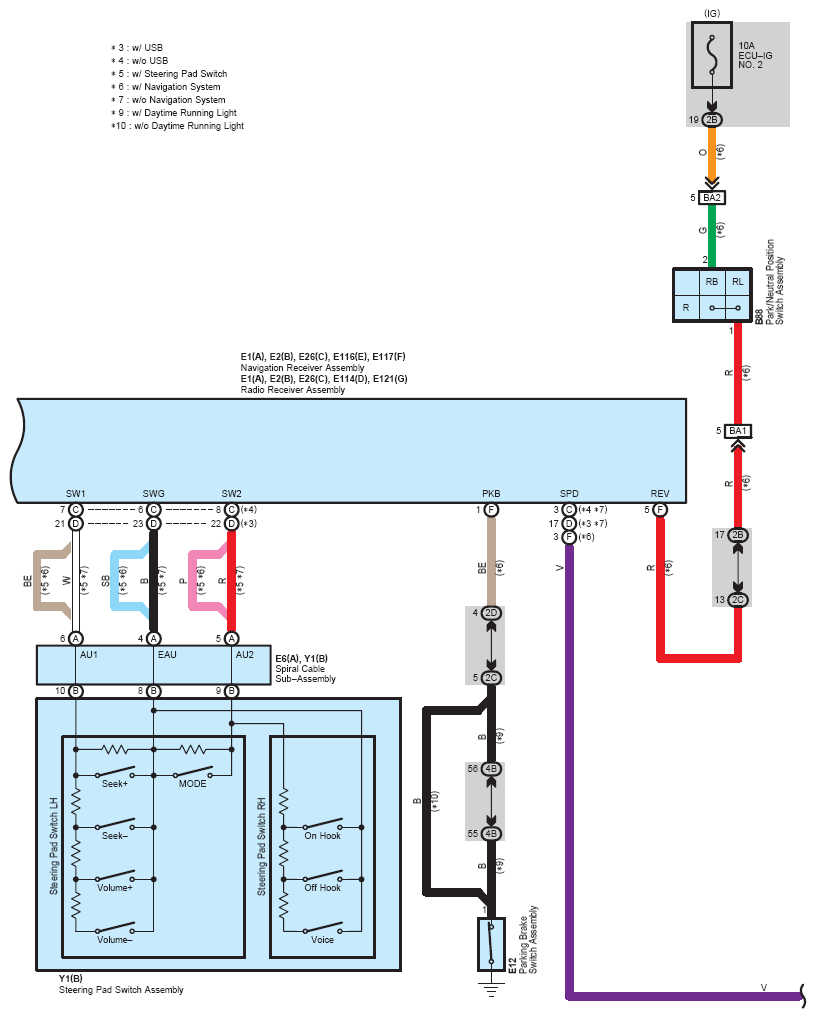
Fig 2: Audio System And Navigation System (TMC Made) Wiring Diagram (2 Of 4)
G07115065Courtesy of © TOYOTA, LICENSE AGREEMENT TMS1002
Fig 3: Audio System And Navigation System (TMC Made) Wiring Diagram (3 Of 4)
G07115066Courtesy of © TOYOTA, LICENSE AGREEMENT TMS1002
Fig 4: Audio System And Navigation System (TMC Made) Wiring Diagram (4 Of 4)
G07115067Courtesy of © TOYOTA, LICENSE AGREEMENT TMS1002