LEMON Manuals: Even more car manuals for everyone: 1960-2025
Home >> Toyota >> 2011 >> Corolla Base, Standard >> Repair and Diagnosis >> Electrical >> Body Electrical >> OEM System Circuits >> Combination Meter (TMC Made) >> Notes
April 5, 2026: LEMON Manuals is launched! Read the announcement.

Combination Meter (TMC Made): Notes

Fig 1: Combination Meter (TMC Made) System Wiring Diagram (1 Of 6)
G07115068Courtesy of © TOYOTA, LICENSE AGREEMENT TMS1002
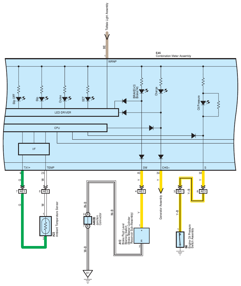
Fig 2: Combination Meter (TMC Made) System Wiring Diagram (2 Of 6)
G07115069Courtesy of © TOYOTA, LICENSE AGREEMENT TMS1002
Fig 3: Combination Meter (TMC Made) System Wiring Diagram (3 Of 6)
G07115070Courtesy of © TOYOTA, LICENSE AGREEMENT TMS1002
Fig 4: Combination Meter (TMC Made) System Wiring Diagram (4 Of 6)
G07115071Courtesy of © TOYOTA, LICENSE AGREEMENT TMS1002
Fig 5: Combination Meter (TMC Made) System Wiring Diagram (5 Of 6)
G07115072Courtesy of © TOYOTA, LICENSE AGREEMENT TMS1002
Fig 6: Combination Meter (TMC Made) System Wiring Diagram (6 Of 6)
G07115073Courtesy of © TOYOTA, LICENSE AGREEMENT TMS1002