LEMON Manuals: Even more car manuals for everyone: 1960-2025
Home >> Toyota >> 2011 >> Corolla Base, Standard >> Repair and Diagnosis >> Electrical >> Body Electrical >> OEM System Circuits >> Door Lock Control (TMC Made) >> Notes
April 5, 2026: LEMON Manuals is launched! Read the announcement.

Door Lock Control (TMC Made): Notes

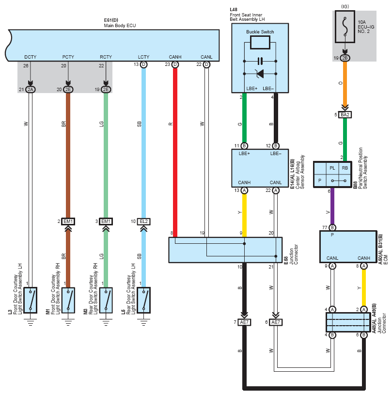
Fig 1: Door Lock Control (TMC Made) System Wiring Diagram (1 Of 4)
G07115042Courtesy of © TOYOTA, LICENSE AGREEMENT TMS1002
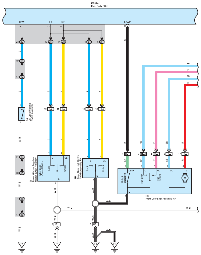
Fig 2: Door Lock Control (TMC Made) System Wiring Diagram (2 Of 4)
G07115043Courtesy of © TOYOTA, LICENSE AGREEMENT TMS1002
Fig 3: Door Lock Control (TMC Made) System Wiring Diagram (3 Of 4)
G07115044Courtesy of © TOYOTA, LICENSE AGREEMENT TMS1002
Fig 4: Door Lock Control (TMC Made) System Wiring Diagram (4 Of 4)
G07115045Courtesy of © TOYOTA, LICENSE AGREEMENT TMS1002