LEMON Manuals: Even more car manuals for everyone: 1960-2025
Home >> Toyota >> 2011 >> Corolla Base, Standard >> Repair and Diagnosis >> Electrical >> Body Electrical >> OEM System Circuits >> Power Source (TMC Made) >> Notes
April 5, 2026: LEMON Manuals is launched! Read the announcement.

Power Source (TMC Made): Notes

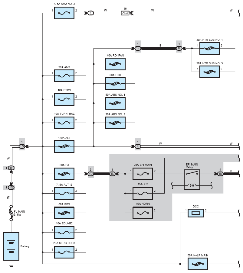
Fig 1: Power Source (TMC Made) System Wiring Diagram (1 Of 4)
G07114964Courtesy of © TOYOTA, LICENSE AGREEMENT TMS1002
Fig 2: Power Source (TMC Made) System Wiring Diagram (2 Of 4)
G07114965Courtesy of © TOYOTA, LICENSE AGREEMENT TMS1002
Fig 3: Power Source (TMC Made) System Wiring Diagram (3 Of 4)
G07114966Courtesy of © TOYOTA, LICENSE AGREEMENT TMS1002
Fig 4: Power Source (TMC Made) System Wiring Diagram (4 Of 4)
G07114967Courtesy of © TOYOTA, LICENSE AGREEMENT TMS1002