LEMON Manuals: Even more car manuals for everyone: 1960-2025
Home >> Toyota >> 2011 >> Corolla Base, Standard >> Repair and Diagnosis >> Electrical >> Body Electrical >> OEM System Circuits >> Smart Key System (Except TMC Made) >> Notes
April 5, 2026: LEMON Manuals is launched! Read the announcement.

Smart Key System (Except TMC Made): Notes

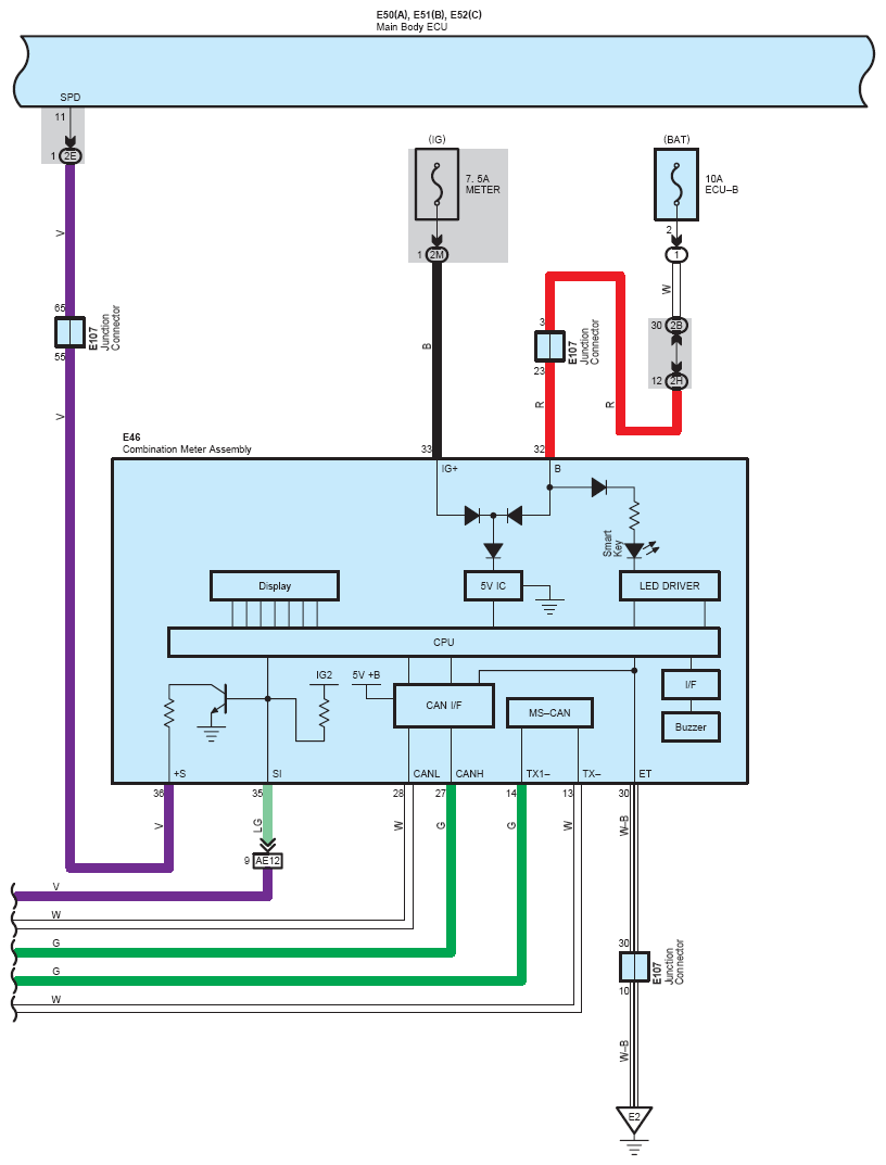
Fig 1: Smart Key System (Except TMC Made) Wiring Diagram (1 Of 14)
G07115091Courtesy of © TOYOTA, LICENSE AGREEMENT TMS1002
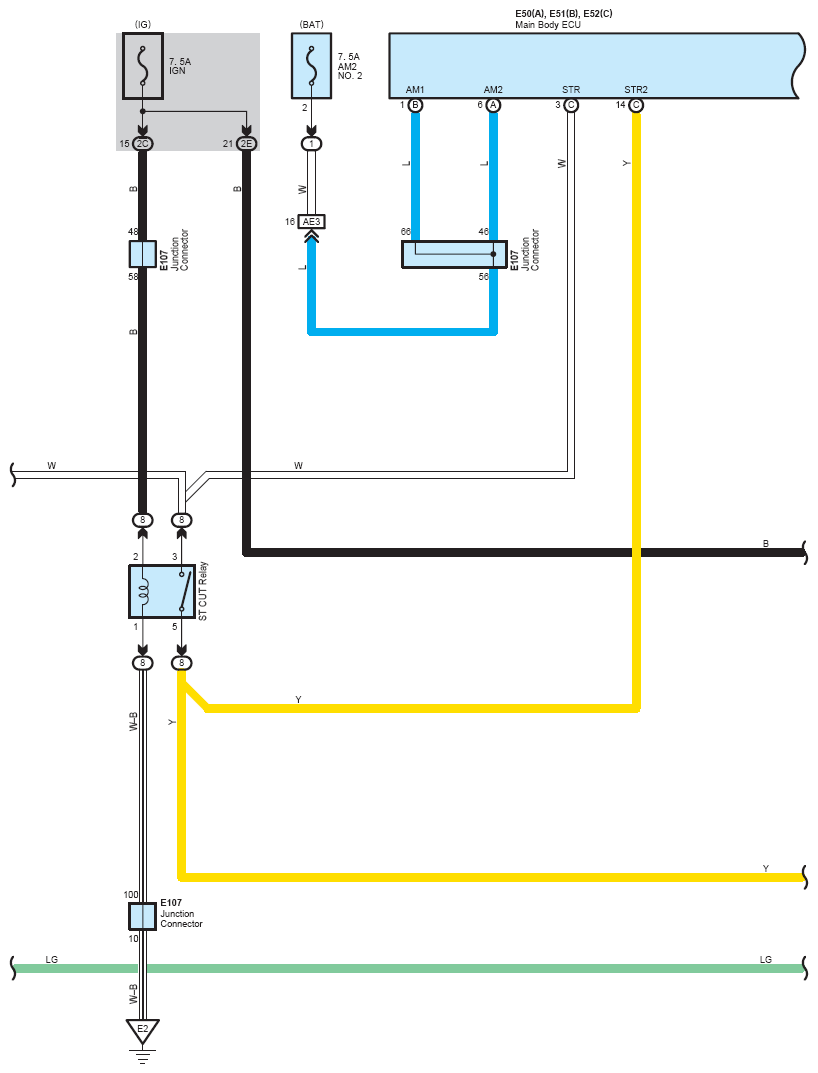
Fig 2: Smart Key System (Except TMC Made) Wiring Diagram (2 Of 14)
G07115092Courtesy of © TOYOTA, LICENSE AGREEMENT TMS1002
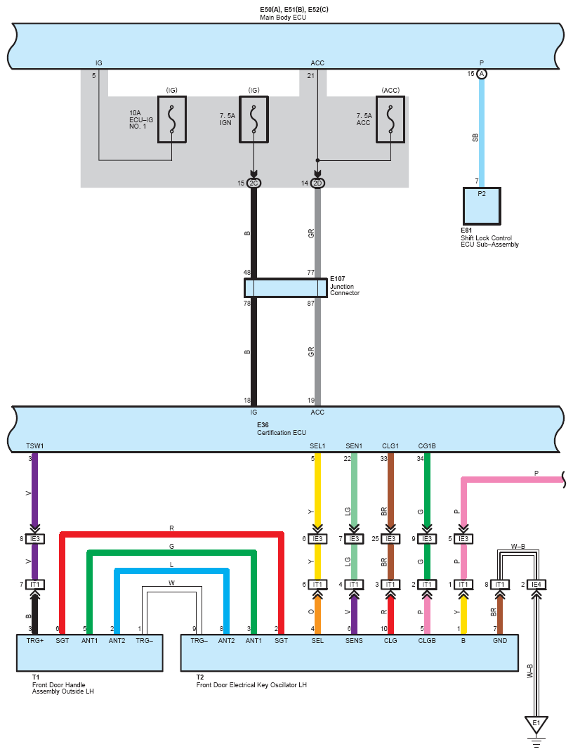
Fig 3: Smart Key System (Except TMC Made) Wiring Diagram (3 Of 14)
G07115093Courtesy of © TOYOTA, LICENSE AGREEMENT TMS1002
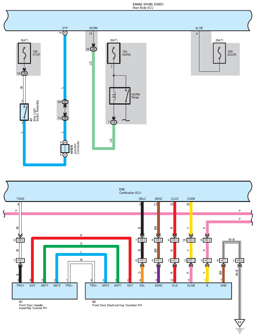
Fig 4: Smart Key System (Except TMC Made) Wiring Diagram (4 Of 14)
G07115094Courtesy of © TOYOTA, LICENSE AGREEMENT TMS1002
Fig 5: Smart Key System (Except TMC Made) Wiring Diagram (5 Of 14)
G07115095Courtesy of © TOYOTA, LICENSE AGREEMENT TMS1002
Fig 6: Smart Key System (Except TMC Made) Wiring Diagram (6 Of 14)
G07115096Courtesy of © TOYOTA, LICENSE AGREEMENT TMS1002
Fig 7: Smart Key System (Except TMC Made) Wiring Diagram (7 Of 14)
G07115097Courtesy of © TOYOTA, LICENSE AGREEMENT TMS1002
Fig 8: Smart Key System (Except TMC Made) Wiring Diagram (8 Of 14)
G07115098Courtesy of © TOYOTA, LICENSE AGREEMENT TMS1002
Fig 9: Smart Key System (Except TMC Made) Wiring Diagram (9 Of 14)
G07115099Courtesy of © TOYOTA, LICENSE AGREEMENT TMS1002
Fig 10: Smart Key System (Except TMC Made) Wiring Diagram (10 Of 14)
G07115100Courtesy of © TOYOTA, LICENSE AGREEMENT TMS1002
Fig 11: Smart Key System (Except TMC Made) Wiring Diagram (11 Of 14)
G07115101Courtesy of © TOYOTA, LICENSE AGREEMENT TMS1002
Fig 12: Smart Key System (Except TMC Made) Wiring Diagram (12 Of 14)
G07115102Courtesy of © TOYOTA, LICENSE AGREEMENT TMS1002
Fig 13: Smart Key System (Except TMC Made) Wiring Diagram (13 Of 14)
G07115103Courtesy of © TOYOTA, LICENSE AGREEMENT TMS1002
Fig 14: Smart Key System (Except TMC Made) Wiring Diagram (14 Of 14)
G07115104Courtesy of © TOYOTA, LICENSE AGREEMENT TMS1002