LEMON Manuals: Even more car manuals for everyone: 1960-2025
Home >> Toyota >> 2011 >> Corolla LE >> Repair and Diagnosis >> Electrical >> Body Electrical >> OEM System Circuits >> Engine Control (TMC Made) >> Notes
April 5, 2026: LEMON Manuals is launched! Read the announcement.

Engine Control (TMC Made): Notes

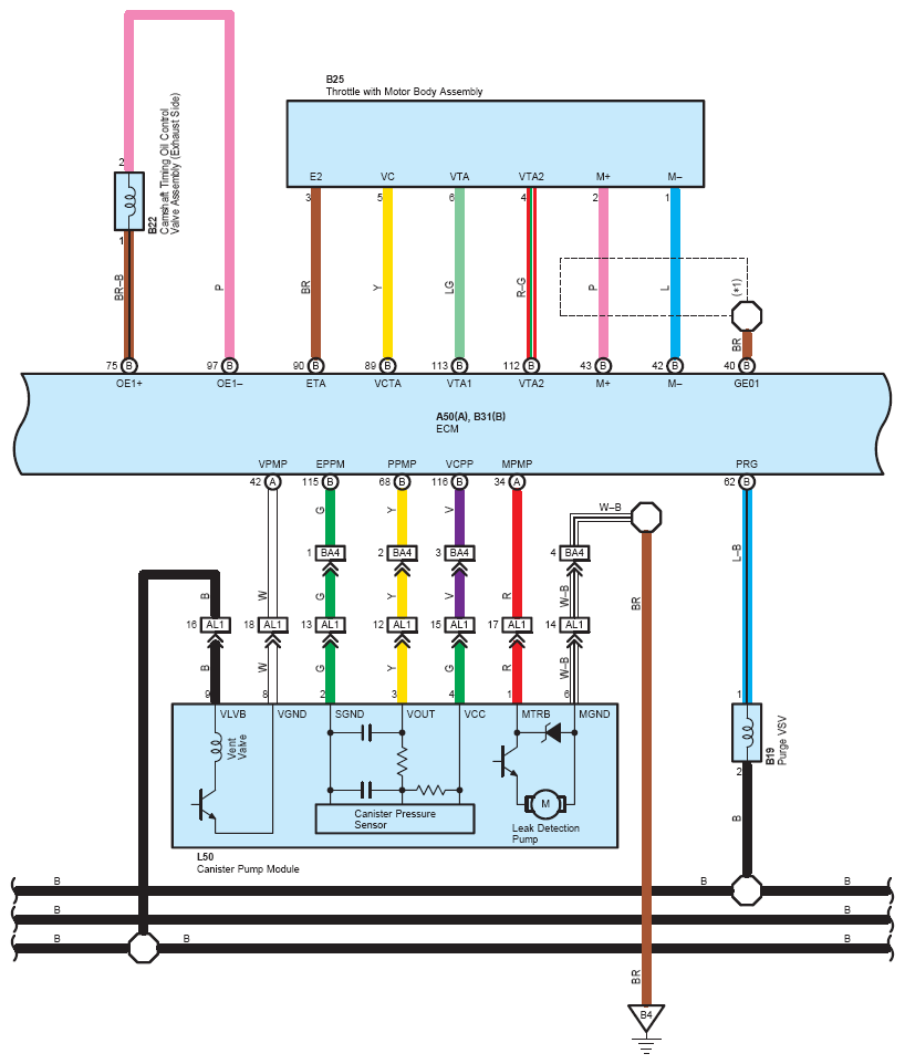
Fig 1: Engine Control (TMC Made) System Wiring Diagram (1 Of 10)
G07114974Courtesy of © TOYOTA, LICENSE AGREEMENT TMS1002
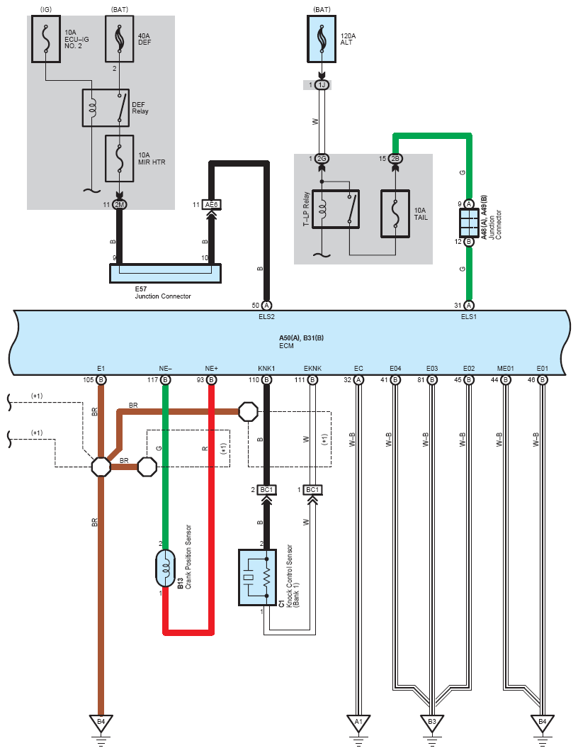
Fig 2: Engine Control (TMC Made) System Wiring Diagram (2 Of 10)
G07114975Courtesy of © TOYOTA, LICENSE AGREEMENT TMS1002
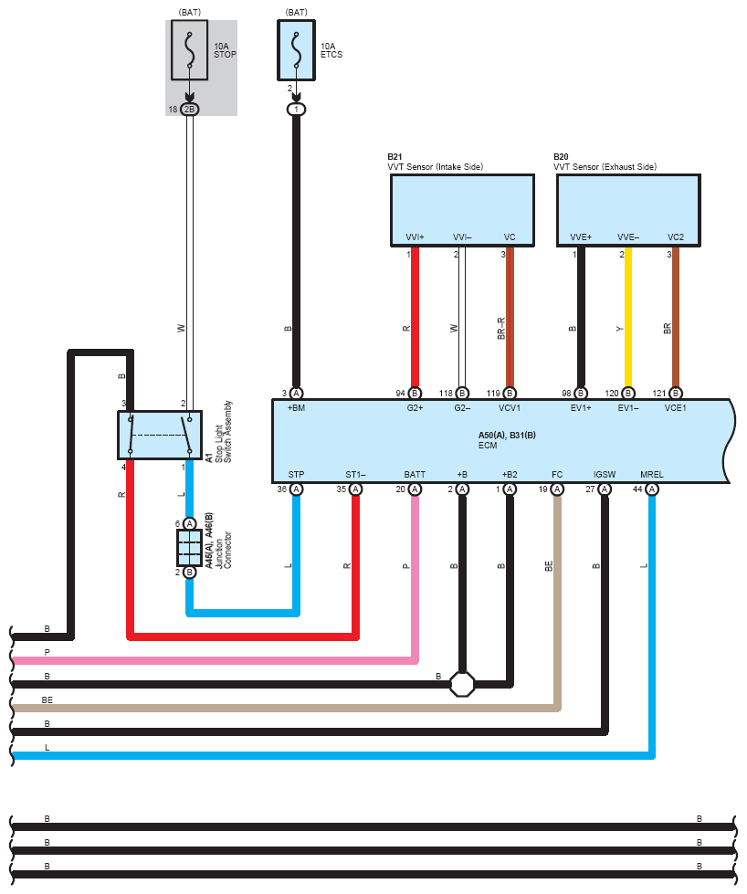
Fig 3: Engine Control (TMC Made) System Wiring Diagram (3 Of 10)
G07114976Courtesy of © TOYOTA, LICENSE AGREEMENT TMS1002
Fig 4: Engine Control (TMC Made) System Wiring Diagram (4 Of 10)
G07114977Courtesy of © TOYOTA, LICENSE AGREEMENT TMS1002
Fig 5: Engine Control (TMC Made) System Wiring Diagram (5 Of 10)
G07114978Courtesy of © TOYOTA, LICENSE AGREEMENT TMS1002
Fig 6: Engine Control (TMC Made) System Wiring Diagram (6 Of 10)
G07114979Courtesy of © TOYOTA, LICENSE AGREEMENT TMS1002
Fig 7: Engine Control (TMC Made) System Wiring Diagram (7 Of 10)
G07114980Courtesy of © TOYOTA, LICENSE AGREEMENT TMS1002
Fig 8: Engine Control (TMC Made) System Wiring Diagram (8 Of 10)
G07114981Courtesy of © TOYOTA, LICENSE AGREEMENT TMS1002
Fig 9: Engine Control (TMC Made) System Wiring Diagram (9 Of 10)
G07114982Courtesy of © TOYOTA, LICENSE AGREEMENT TMS1002
Fig 10: Engine Control (TMC Made) System Wiring Diagram (10 Of 10)
G07114983Courtesy of © TOYOTA, LICENSE AGREEMENT TMS1002