LEMON Manuals: Even more car manuals for everyone: 1960-2025
Home >> Toyota >> 2011 >> Corolla LE >> Repair and Diagnosis >> Engine Performance >> System >> Engine Control System (2ZR-FE) (Diagnostics - Introduction) >> SFI System >> System Diagram >> System Diagram
April 5, 2026: LEMON Manuals is launched! Read the announcement.

System Diagram

Fig 1: Identifying SFI System - System Diagram (1 Of 5)
GTY294024Courtesy of © TOYOTA, LICENSE AGREEMENT TMS1002
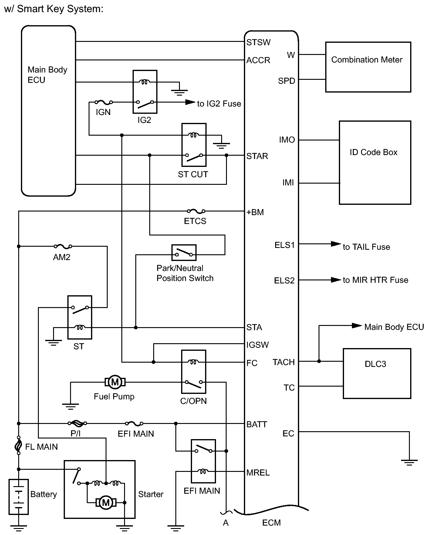
Fig 2: Identifying SFI System - System Diagram (2 Of 5)
GTY167721Courtesy of © TOYOTA, LICENSE AGREEMENT TMS1002
Fig 3: Identifying SFI System - System Diagram (3 Of 5)
GTY293399Courtesy of © TOYOTA, LICENSE AGREEMENT TMS1002
Fig 4: Identifying SFI System - System Diagram (4 Of 5)
GTY180965Courtesy of © TOYOTA, LICENSE AGREEMENT TMS1002
Fig 5: Identifying SFI System - System Diagram (5 Of 5)
GTY290588Courtesy of © TOYOTA, LICENSE AGREEMENT TMS1002