LEMON Manuals: Even more car manuals for everyone: 1960-2025
Home >> Toyota >> 2011 >> Land Cruiser >> Repair and Diagnosis >> Electrical >> Body Electrical >> OEM System Circuits >> Audio System (w/o Navigation System) >> Notes
April 5, 2026: LEMON Manuals is launched! Read the announcement.

Audio System (w/o Navigation System): Notes

Fig 1: Audio System (w/o Navigation System) Wiring Diagram (1 Of 9)
G07116162Courtesy of © TOYOTA, LICENSE AGREEMENT TMS1002
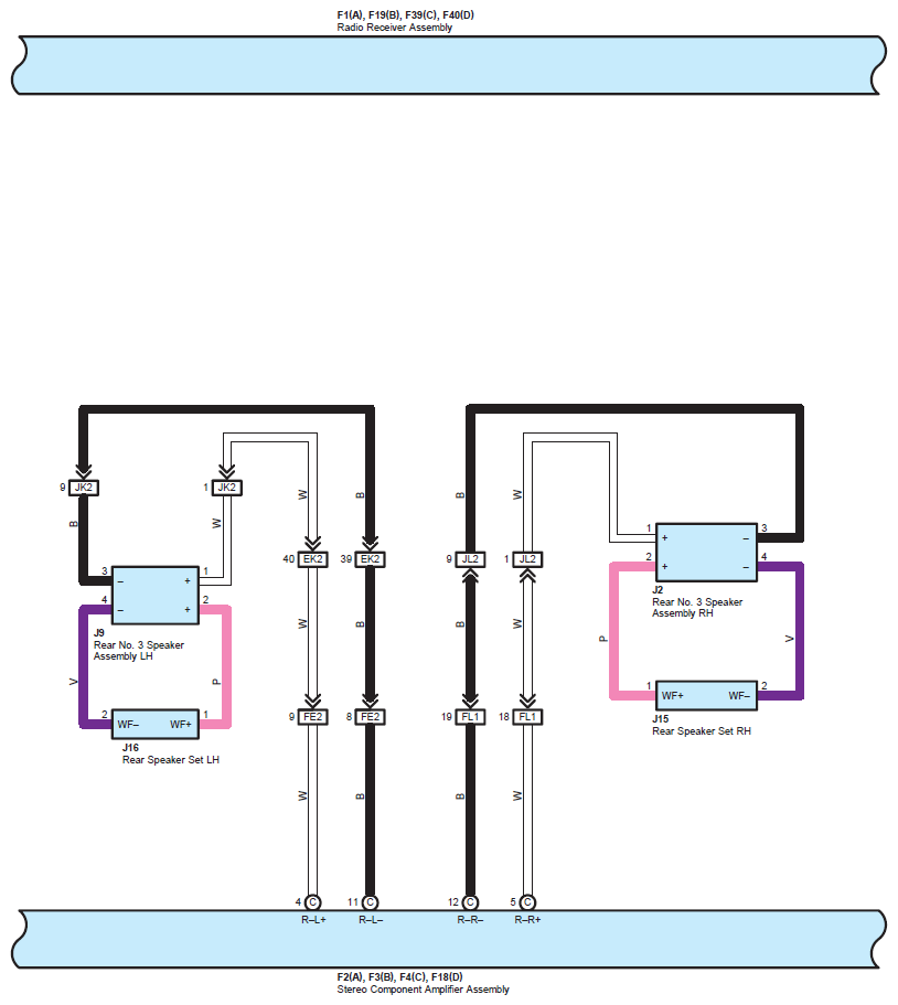
Fig 2: Audio System (w/o Navigation System) Wiring Diagram (2 Of 9)
G07116163Courtesy of © TOYOTA, LICENSE AGREEMENT TMS1002
Fig 3: Audio System (w/o Navigation System) Wiring Diagram (3 Of 9)
G07116164Courtesy of © TOYOTA, LICENSE AGREEMENT TMS1002
Fig 4: Audio System (w/o Navigation System) Wiring Diagram (4 Of 9)
G07116165Courtesy of © TOYOTA, LICENSE AGREEMENT TMS1002
Fig 5: Audio System (w/o Navigation System) Wiring Diagram (5 Of 9)
G07116166Courtesy of © TOYOTA, LICENSE AGREEMENT TMS1002
Fig 6: Audio System (w/o Navigation System) Wiring Diagram (6 Of 9)
G07116167Courtesy of © TOYOTA, LICENSE AGREEMENT TMS1002
Fig 7: Audio System (w/o Navigation System) Wiring Diagram (7 Of 9)
G07116168Courtesy of © TOYOTA, LICENSE AGREEMENT TMS1002
Fig 8: Audio System (w/o Navigation System) Wiring Diagram (8 Of 9)
G07116169Courtesy of © TOYOTA, LICENSE AGREEMENT TMS1002
Fig 9: Audio System (w/o Navigation System) Wiring Diagram (9 Of 9)
G07116170Courtesy of © TOYOTA, LICENSE AGREEMENT TMS1002