LEMON Manuals: Even more car manuals for everyone: 1960-2025
Home >> Toyota >> 2011 >> Land Cruiser >> Repair and Diagnosis >> Electrical >> Body Electrical >> OEM System Circuits >> Engine Control, Cruise Control, Electronically Controlled Transmission and A/T Indicator >> Notes
April 5, 2026: LEMON Manuals is launched! Read the announcement.

Engine Control, Cruise Control, Electronically Controlled Transmission and A/T Indicator: Notes

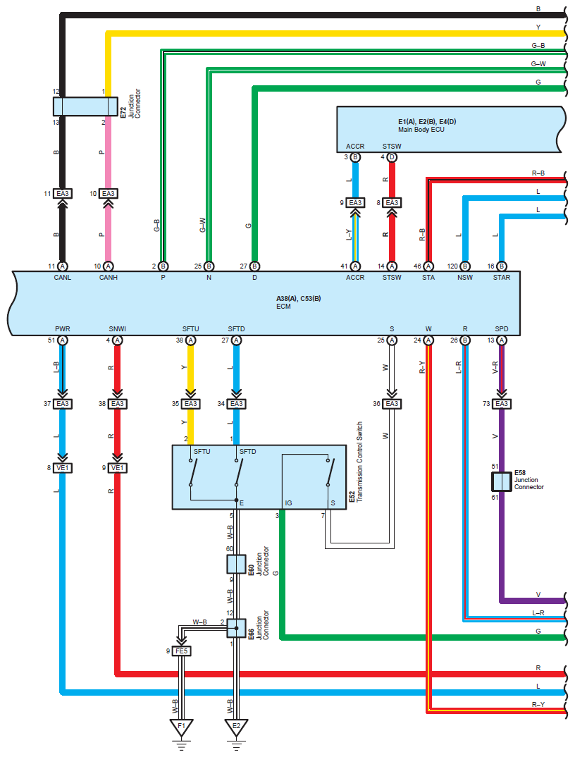
Fig 1: Engine Control, Cruise Control, Electronically Controlled Transmission And A/T Indicator System Wiring Diagram (1 Of 19)
G07115963Courtesy of © TOYOTA, LICENSE AGREEMENT TMS1002
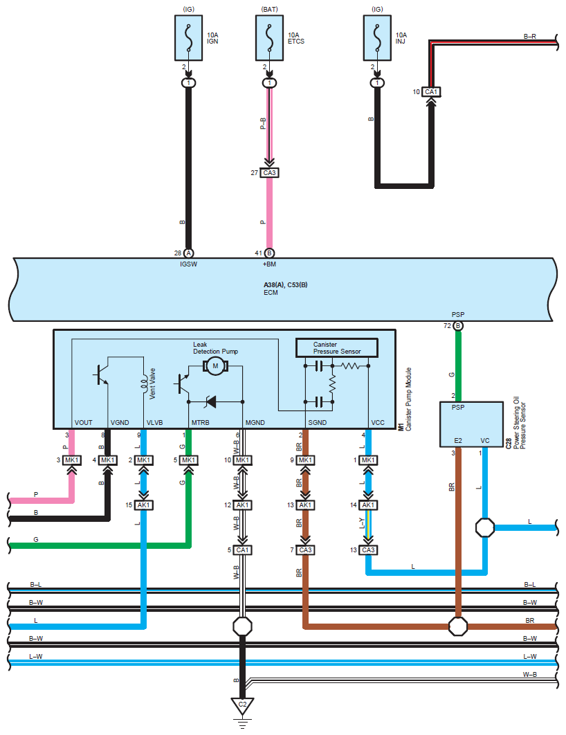
Fig 2: Engine Control, Cruise Control, Electronically Controlled Transmission And A/T Indicator System Wiring Diagram (2 Of 19)
G07115964Courtesy of © TOYOTA, LICENSE AGREEMENT TMS1002
Fig 3: Engine Control, Cruise Control, Electronically Controlled Transmission And A/T Indicator System Wiring Diagram (3 Of 19)
G07115965Courtesy of © TOYOTA, LICENSE AGREEMENT TMS1002
Fig 4: Engine Control, Cruise Control, Electronically Controlled Transmission And A/T Indicator System Wiring Diagram (4 Of 19)
G07115966Courtesy of © TOYOTA, LICENSE AGREEMENT TMS1002
Fig 5: Engine Control, Cruise Control, Electronically Controlled Transmission And A/T Indicator System Wiring Diagram (5 Of 19)
G07115967Courtesy of © TOYOTA, LICENSE AGREEMENT TMS1002
Fig 6: Engine Control, Cruise Control, Electronically Controlled Transmission And A/T Indicator System Wiring Diagram (6 Of 19)
G07115968Courtesy of © TOYOTA, LICENSE AGREEMENT TMS1002
Fig 7: Engine Control, Cruise Control, Electronically Controlled Transmission And A/T Indicator System Wiring Diagram (7 Of 19)
G07115969Courtesy of © TOYOTA, LICENSE AGREEMENT TMS1002
Fig 8: Engine Control, Cruise Control, Electronically Controlled Transmission And A/T Indicator System Wiring Diagram (8 Of 19)
G07115970Courtesy of © TOYOTA, LICENSE AGREEMENT TMS1002
Fig 9: Engine Control, Cruise Control, Electronically Controlled Transmission And A/T Indicator System Wiring Diagram (9 Of 19)
G07115971Courtesy of © TOYOTA, LICENSE AGREEMENT TMS1002
Fig 10: Engine Control, Cruise Control, Electronically Controlled Transmission And A/T Indicator System Wiring Diagram (10 Of 19)
G07115972Courtesy of © TOYOTA, LICENSE AGREEMENT TMS1002
Fig 11: Engine Control, Cruise Control, Electronically Controlled Transmission And A/T Indicator System Wiring Diagram (11 Of 19)
G07115973Courtesy of © TOYOTA, LICENSE AGREEMENT TMS1002
Fig 12: Engine Control, Cruise Control, Electronically Controlled Transmission And A/T Indicator System Wiring Diagram (12 Of 19)
G07115974Courtesy of © TOYOTA, LICENSE AGREEMENT TMS1002
Fig 13: Engine Control, Cruise Control, Electronically Controlled Transmission And A/T Indicator System Wiring Diagram (13 Of 19)
G07115975Courtesy of © TOYOTA, LICENSE AGREEMENT TMS1002
Fig 14: Engine Control, Cruise Control, Electronically Controlled Transmission And A/T Indicator System Wiring Diagram (14 Of 19)
G07115976Courtesy of © TOYOTA, LICENSE AGREEMENT TMS1002
Fig 15: Engine Control, Cruise Control, Electronically Controlled Transmission And A/T Indicator System Wiring Diagram (15 Of 19)
G07115977Courtesy of © TOYOTA, LICENSE AGREEMENT TMS1002
Fig 16: Engine Control, Cruise Control, Electronically Controlled Transmission And A/T Indicator System Wiring Diagram (16 Of 19)
G07115978Courtesy of © TOYOTA, LICENSE AGREEMENT TMS1002
Fig 17: Engine Control, Cruise Control, Electronically Controlled Transmission And A/T Indicator System Wiring Diagram (17 Of 19)
G07115979Courtesy of © TOYOTA, LICENSE AGREEMENT TMS1002
Fig 18: Engine Control, Cruise Control, Electronically Controlled Transmission And A/T Indicator System Wiring Diagram (18 Of 19)
G07115980Courtesy of © TOYOTA, LICENSE AGREEMENT TMS1002
Fig 19: Engine Control, Cruise Control, Electronically Controlled Transmission And A/T Indicator System Wiring Diagram (19 Of 19)
G07115981Courtesy of © TOYOTA, LICENSE AGREEMENT TMS1002