LEMON Manuals: Even more car manuals for everyone: 1960-2025
Home >> Toyota >> 2011 >> Land Cruiser >> Repair and Diagnosis >> Electrical >> Body Electrical >> OEM System Circuits >> SRS >> Notes
April 5, 2026: LEMON Manuals is launched! Read the announcement.

OEM System Circuits: SRS: Notes

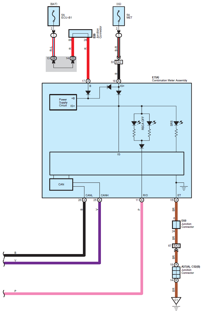
Fig 1: SRS System Wiring Diagram (1 Of 8)
G07116065Courtesy of © TOYOTA, LICENSE AGREEMENT TMS1002
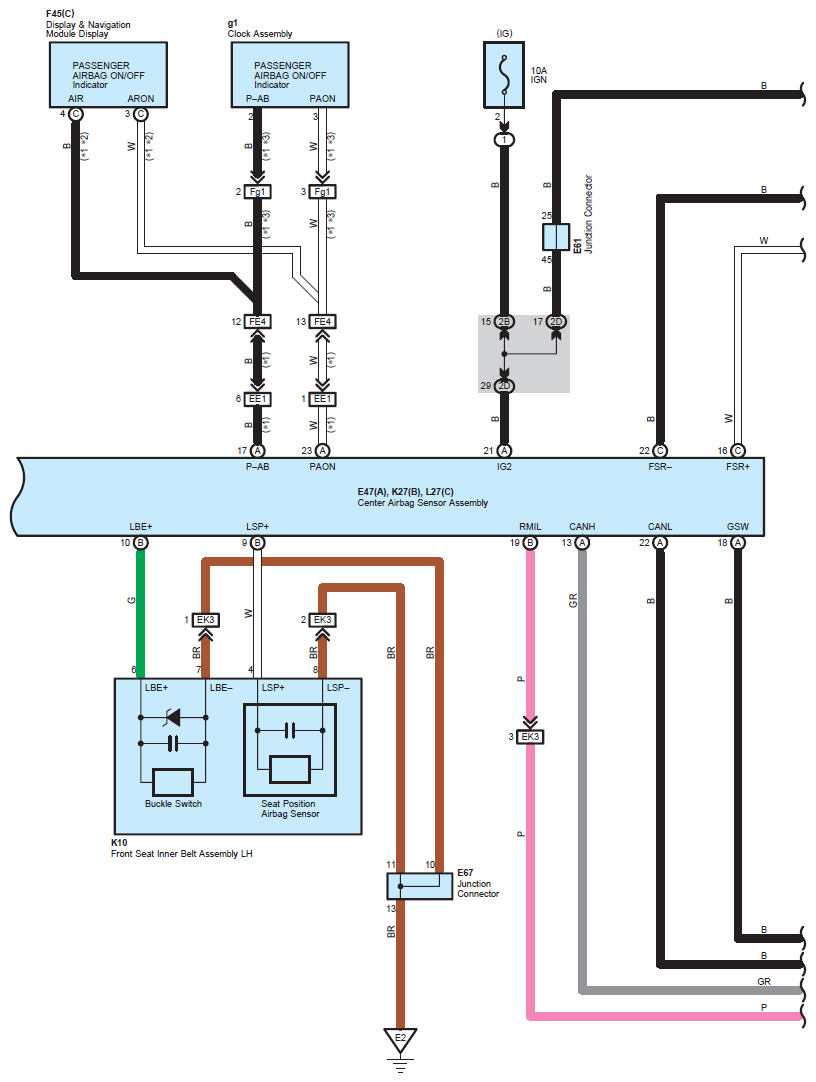
Fig 2: SRS System Wiring Diagram (2 Of 8)
G07116066Courtesy of © TOYOTA, LICENSE AGREEMENT TMS1002
Fig 3: SRS System Wiring Diagram (3 Of 8)
G07116067Courtesy of © TOYOTA, LICENSE AGREEMENT TMS1002
Fig 4: SRS System Wiring Diagram (4 Of 8)
G07116068Courtesy of © TOYOTA, LICENSE AGREEMENT TMS1002
Fig 5: SRS System Wiring Diagram (5 Of 8)
G07116069Courtesy of © TOYOTA, LICENSE AGREEMENT TMS1002
Fig 6: SRS System Wiring Diagram (6 Of 8)
G07116070Courtesy of © TOYOTA, LICENSE AGREEMENT TMS1002
Fig 7: SRS System Wiring Diagram (7 Of 8)
G07116071Courtesy of © TOYOTA, LICENSE AGREEMENT TMS1002
Fig 8: SRS System Wiring Diagram (8 Of 8)
G07116072Courtesy of © TOYOTA, LICENSE AGREEMENT TMS1002