LEMON Manuals: Even more car manuals for everyone: 1960-2025
Home >> Toyota >> 2011 >> Land Cruiser >> Repair and Diagnosis >> Electrical >> Body Electrical >> OEM System Circuits >> Safety Connect >> Notes
April 5, 2026: LEMON Manuals is launched! Read the announcement.

Safety Connect: Notes

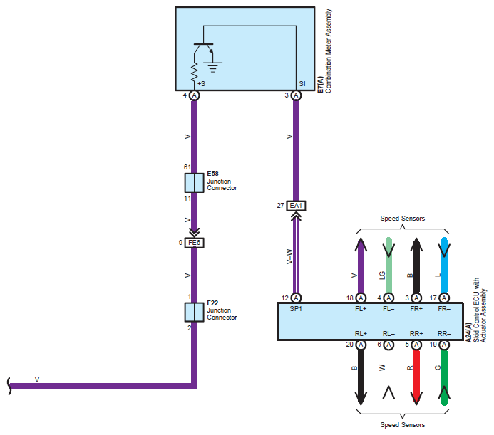
Fig 1: Safety Connect System Wiring Diagram (1 Of 4)
G07116140Courtesy of © TOYOTA, LICENSE AGREEMENT TMS1002
Fig 2: Safety Connect System Wiring Diagram (2 Of 4)
G07116141Courtesy of © TOYOTA, LICENSE AGREEMENT TMS1002
Fig 3: Safety Connect System Wiring Diagram (3 Of 4)
G07116142Courtesy of © TOYOTA, LICENSE AGREEMENT TMS1002
Fig 4: Safety Connect System Wiring Diagram (4 Of 4)
G07116143Courtesy of © TOYOTA, LICENSE AGREEMENT TMS1002