LEMON Manuals: Even more car manuals for everyone: 1960-2025
Home >> Toyota >> 2011 >> Matrix Base, Automatic >> Repair and Diagnosis >> Electrical >> Body Electrical >> OEM System Circuits >> Cooling Fan (2ZR-FE) >> Notes
April 5, 2026: LEMON Manuals is launched! Read the announcement.

Cooling Fan (2ZR-FE): Notes

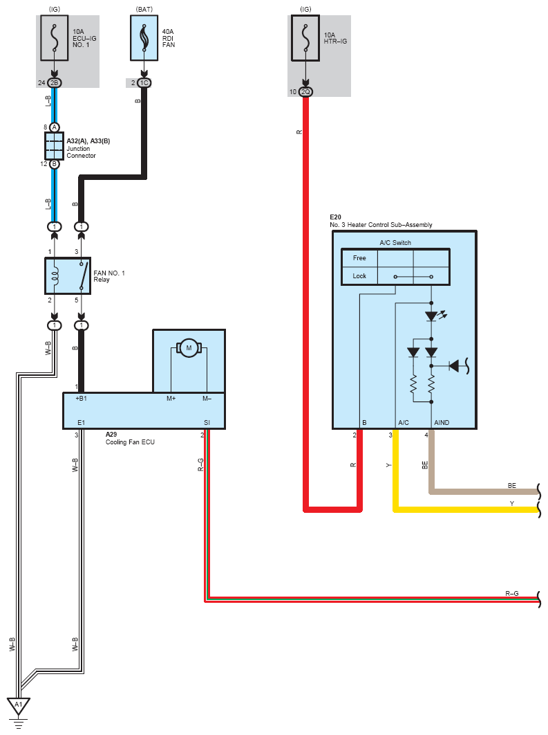
Fig 1: Cooling Fan (2ZR-FE) System Wiring Diagram (1 Of 4)
G07114348Courtesy of © TOYOTA, LICENSE AGREEMENT TMS1002
Fig 2: Cooling Fan (2ZR-FE) System Wiring Diagram (2 Of 4)
G07114349Courtesy of © TOYOTA, LICENSE AGREEMENT TMS1002
Fig 3: Cooling Fan (2ZR-FE) System Wiring Diagram (3 Of 4)
G07114350Courtesy of © TOYOTA, LICENSE AGREEMENT TMS1002
Fig 4: Cooling Fan (2ZR-FE) System Wiring Diagram (4 Of 4)
G07114351Courtesy of © TOYOTA, LICENSE AGREEMENT TMS1002