LEMON Manuals: Even more car manuals for everyone: 1960-2025
Home >> Toyota >> 2011 >> Matrix Base, Automatic >> Repair and Diagnosis >> Electrical >> Body Electrical >> OEM System Circuits >> Electronically Controlled Transmission and A/T Indicator (2AZ-FE) >> Notes
April 5, 2026: LEMON Manuals is launched! Read the announcement.

Electronically Controlled Transmission and A/T Indicator (2AZ-FE): Notes

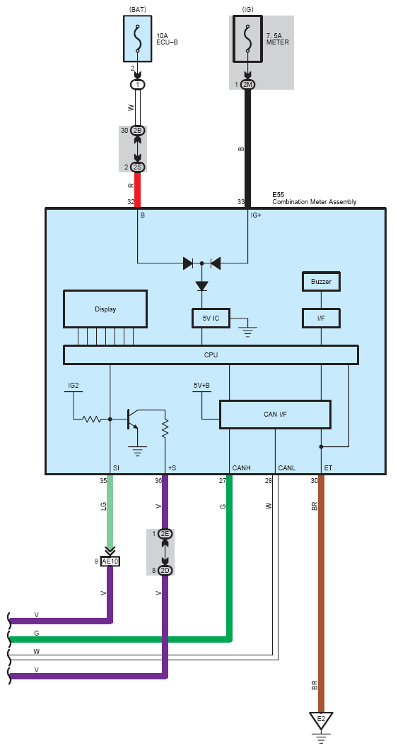
Fig 1: Electronically Controlled Transmission And A/T Indicator (2AZ-FE) System Wiring Diagram (1 Of 6)
G07114268Courtesy of © TOYOTA, LICENSE AGREEMENT TMS1002
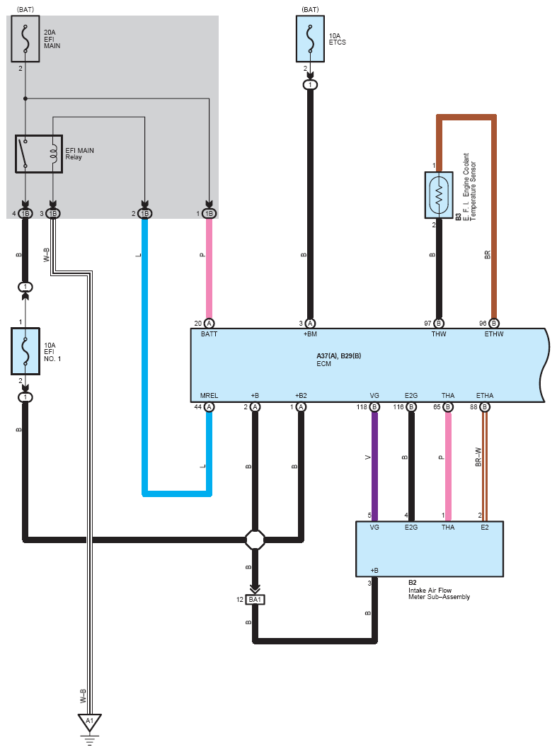
Fig 2: Electronically Controlled Transmission And A/T Indicator (2AZ-FE) System Wiring Diagram (2 Of 6)
G07114269Courtesy of © TOYOTA, LICENSE AGREEMENT TMS1002
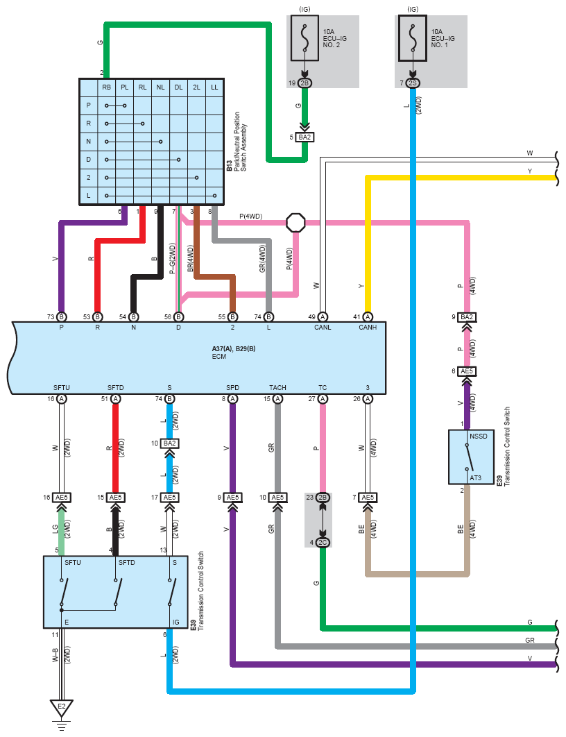
Fig 3: Electronically Controlled Transmission And A/T Indicator (2AZ-FE) System Wiring Diagram (3 Of 6)
G07114270Courtesy of © TOYOTA, LICENSE AGREEMENT TMS1002
Fig 4: Electronically Controlled Transmission And A/T Indicator (2AZ-FE) System Wiring Diagram (4 Of 6)
G07114271Courtesy of © TOYOTA, LICENSE AGREEMENT TMS1002
Fig 5: Electronically Controlled Transmission And A/T Indicator (2AZ-FE) System Wiring Diagram (5 Of 6)
G07114272Courtesy of © TOYOTA, LICENSE AGREEMENT TMS1002
Fig 6: Electronically Controlled Transmission And A/T Indicator (2AZ-FE) System Wiring Diagram (6 Of 6)
G07114273Courtesy of © TOYOTA, LICENSE AGREEMENT TMS1002